- 积分
- 569
- 注册时间
- 2012-9-12
- 最后登录
- 1970-1-1
- 打卡等级:论坛老炮
- 打卡总天数:1256
- 打卡总奖励:4603
|
发表于 2013-4-13 20:32:47
|
显示全部楼层
qqqqqqwwww 发表于 2013-4-13 15:32 
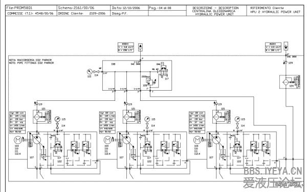
老师的意思是不是在泵启动时两位四通电磁换向阀不得电,油泵P出口压力油克服14BAR调压弹簧压力,FR阀芯移 ...
尝试回复您的问题:
1、泵体空载启动时,泵体为大摆角全流量输出(电控泵除外)。
2、实际为三位四通滑阀,中位省略了。
3、FR工作状态与DR不冲突,FR如游老师所讲的本质,也如heripeng所述的作用,可以参见游老师原来的经典DFR介绍。DR等同阀控中的溢流阀(简单理解)。
4、如您提及,您的泵体D=120bar,假定FR=14bar,则负载敏感压力区域为14~100bar左右。 |
|