搜索
汉力达液压金币充值官方微信群液压资料下载
查看: 9161|回复: 15

请看下图简单结构阀------是个什么阀?????

[复制链接]
  • 打卡等级:无名新人
  • 打卡总天数:1
  • 打卡总奖励:8
发表于 2013-5-27 21:53:48 | 显示全部楼层 |阅读模式


如图所示

这个阀看着挺简单
但是我真没猜出这是个什么样的阀。。

这个阀是国外图纸上的。。
国外图纸上的标注经过翻译后是:带伺服类意思的阀。。。。

求高人指点迷津!
4BXQ8[GHP]6C1ZJMBY1]NO1.jpg
发表于 2013-5-27 22:55:02 | 显示全部楼层
1.是个2位3通阀
2,动作应该是正常情况下处于右位,当左边手动或者其他外力作用下处于左位
3,按图纸上看不是伺服阀,因为图上并不是连续控制的阀的示意图,具体有没有伺服功能不知道。如果有伺服功能,应该是阀开口大小跟阀左位受外力大小有一定的关系
说明:只是就示意图得到的一些看法,并没见过这种阀
回复

使用道具 举报

发表于 2013-5-28 08:10:31 | 显示全部楼层
这个好像是先导手柄压力控制阀,通过手动控制先到手柄来实现阀开口量大小的控制,从而实现先导压力的控制。
回复

使用道具 举报

  • 打卡等级:无名新人
  • 打卡总天数:1
  • 打卡总奖励:8
 楼主| 发表于 2013-5-28 08:16:32 | 显示全部楼层
清风慕竹 发表于 2013-5-28 08:10
这个好像是先导手柄压力控制阀,通过手动控制先到手柄来实现阀开口量大小的控制,从而实现先导压力的控制。

是有些像,,这个的操作方式是用      按压??

没有手柄啊
回复

使用道具 举报

发表于 2013-5-28 08:19:11 | 显示全部楼层
左边的那个东西好像是手柄,可能是简化画法。
回复

使用道具 举报

  • 打卡等级:无名新人
  • 打卡总天数:1
  • 打卡总奖励:8
 楼主| 发表于 2013-5-28 08:24:40 | 显示全部楼层
清风慕竹 发表于 2013-5-28 08:19
左边的那个东西好像是手柄,可能是简化画法。

{:7_277:} 谢谢!!!!!!!!
回复

使用道具 举报

发表于 2013-5-28 08:25:01 | 显示全部楼层
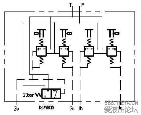
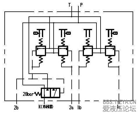
这个是装载机先导手柄液压原理图,你看一下
装载机先导手柄液压原理图.jpg
回复

使用道具 举报

  • 打卡等级:无名新人
  • 打卡总天数:1
  • 打卡总奖励:8
 楼主| 发表于 2013-5-28 08:29:43 | 显示全部楼层
枫,子 发表于 2013-5-28 08:24
谢谢!!!!!!!!

我觉得这里直接用一个可调减压阀 更容易让人理解。
回复

使用道具 举报

发表于 2013-5-28 08:41:28 | 显示全部楼层
其实相当于一个减压阀,只是这里通过手柄控制阀芯移动,如果阀口与回油口接通的多则输出压力小,反之则输出压力大。
回复

使用道具 举报

  • 打卡等级:无名新人
  • 打卡总天数:1
  • 打卡总奖励:8
 楼主| 发表于 2013-5-28 08:42:55 | 显示全部楼层
清风慕竹 发表于 2013-5-28 08:41
其实相当于一个减压阀,只是这里通过手柄控制阀芯移动,如果阀口与回油口接通的多则输出压力小,反之则输出 ...

再请问一个问题:

LS反馈管路中 增加一个节流阀。。
您遇见过这个情况么?
回复

使用道具 举报

您需要登录后才可以回帖 登录 | 立即注册

本版积分规则