设为首页
收藏本站
所有帖子
关于我们
联系我们
微信群
开启辅助访问
搜索
搜索
本版
用户
门户
Portal
资讯
液压资讯
观点
观点
产品
液压产品
技术
液压技术
合集
导读
Guide
下载
签到
金币
论坛
BBS
登录
立即注册
腾讯QQ
账号
自动登录
找回密码
密码
登录
立即注册
只需一步,快速开始
好友
动态
收藏
分享
帖子
日志
记录
相册
留言板
勋章
任务
道具
设置
退出
液压圈
»
论坛
›
液压工程师
›
资料下载
›
超经典:液压蓄能器应用
负载敏感资料下载
|
液压培训资料下载
|
液压样本下载
|
AMESim资料下载
|
力士乐资料下载
|
挖掘机资料下载
|
标准资料下载
|
多路阀资料下载
1
2
3
4
/ 4 页
下一页
返回列表
查看:
28020
|
回复:
31
[培训]
超经典:液压蓄能器应用
[复制链接]
xiaoshxin
xiaoshxin
当前离线
积分
1997
注册时间
2010-12-4
最后登录
1970-1-1
IP卡
狗仔卡
发表于 2013-10-5 11:39:55
|
显示全部楼层
|
阅读模式
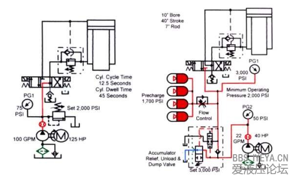
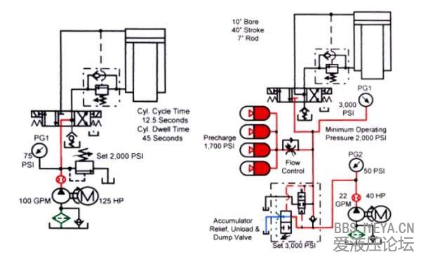
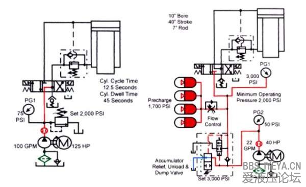
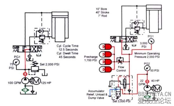
Hydraulic Accumulators.pdf
(660.63 KB, 下载次数: 1918, 售价: 5 金钱)
2013-10-5 11:39 上传
点击文件名下载附件
蓄能器
,
经典
相关帖子
.
焊接蓄能器生产设备求购
.
hydac 蓄能器SN330B系列无内胆,需要维修包型号
.
贺德克液压HYDAC
.
液压系统中蓄能器安装注意事项,看看你知道多少?
.
求高手解答:蓄能器HA0010的参数设置
.
蓄能器选型问题
.
湿式全液压制动系统中的驻车制动阀。
.
伺服系统中蓄能器
.
关于蓄能器的仿真设置问题
.
活塞式蓄能器HCD如何建模
回复
使用道具
举报
提升卡
置顶卡
变色卡
慎与思
慎与思
当前离线
积分
17
注册时间
2013-2-17
最后登录
1970-1-1
IP卡
狗仔卡
发表于 2013-10-5 14:29:48
|
显示全部楼层
蓄能器容量计算,蓄能器充气压力的大小。都很有学问。
回复
使用道具
举报
mechanic1991
mechanic1991
当前离线
积分
21
注册时间
2013-4-2
最后登录
1970-1-1
IP卡
狗仔卡
打卡等级:无名新人
打卡总天数:2
打卡总奖励:13
发表于 2013-10-5 15:20:25
|
显示全部楼层
楼主详细解释一下吧
回复
使用道具
举报
南望山
南望山
当前离线
积分
87
注册时间
2012-4-21
最后登录
1970-1-1
IP卡
狗仔卡
发表于 2013-10-5 20:36:19
|
显示全部楼层
纯英文的资料,问下楼主是哪个单位出的?
回复
使用道具
举报
xwy@home
xwy@home
当前离线
积分
569
注册时间
2012-9-12
最后登录
1970-1-1
IP卡
狗仔卡
打卡等级:论坛老炮
打卡总天数:1256
打卡总奖励:4603
发表于 2013-10-5 21:45:49
|
显示全部楼层
谢谢楼主的无私贡献!支持这样的技术贡献!
回复
使用道具
举报
zhaoqh
zhaoqh
当前离线
积分
41
注册时间
2013-9-24
最后登录
1970-1-1
IP卡
狗仔卡
发表于 2013-10-6 08:56:24
|
显示全部楼层
学习一下蓄能器的知识
回复
使用道具
举报
q459711269
q459711269
当前离线
积分
14
注册时间
2013-7-13
最后登录
1970-1-1
IP卡
狗仔卡
发表于 2013-10-6 20:21:16
|
显示全部楼层
谢谢楼主的共享啊,呵呵,内容不错
回复
使用道具
举报
许雷
许雷
当前离线
积分
374
注册时间
2011-11-9
最后登录
1970-1-1
IP卡
狗仔卡
打卡等级:初来乍到
打卡总天数:47
打卡总奖励:199
发表于 2013-10-7 15:22:59
|
显示全部楼层
就是全是英文啊 阅读起来有点费劲 要是有汉语的就好了
回复
使用道具
举报
sunhp509
sunhp509
当前离线
积分
196
注册时间
2012-3-21
最后登录
1970-1-1
IP卡
狗仔卡
打卡等级:无名新人
打卡总天数:1
打卡总奖励:9
发表于 2013-10-7 16:01:37
|
显示全部楼层
不错,值得一看~
回复
使用道具
举报
鸿鹄重工
鸿鹄重工
当前离线
积分
317
注册时间
2011-6-25
最后登录
1970-1-1
IP卡
狗仔卡
打卡等级:偶尔看看
打卡总天数:73
打卡总奖励:255
发表于 2013-10-7 17:29:01
|
显示全部楼层
非常好的资料,学习了
回复
使用道具
举报
下一页 »
1
2
3
4
/ 4 页
下一页
返回列表
高级模式
B
Color
Image
Link
Quote
Code
Smilies
您需要登录后才可以回帖
登录
|
立即注册
本版积分规则
发表回复
回帖后跳转到最后一页
快速回复
返回顶部
返回列表