设为首页
收藏本站
所有帖子
关于我们
联系我们
微信群
开启辅助访问
搜索
搜索
本版
用户
门户
Portal
资讯
液压资讯
观点
观点
产品
液压产品
技术
液压技术
合集
导读
Guide
下载
签到
金币
论坛
BBS
登录
立即注册
腾讯QQ
账号
自动登录
找回密码
密码
登录
立即注册
只需一步,快速开始
好友
动态
收藏
分享
帖子
日志
记录
相册
留言板
勋章
任务
道具
设置
退出
液压圈
»
论坛
›
液压工程师
›
资料下载
›
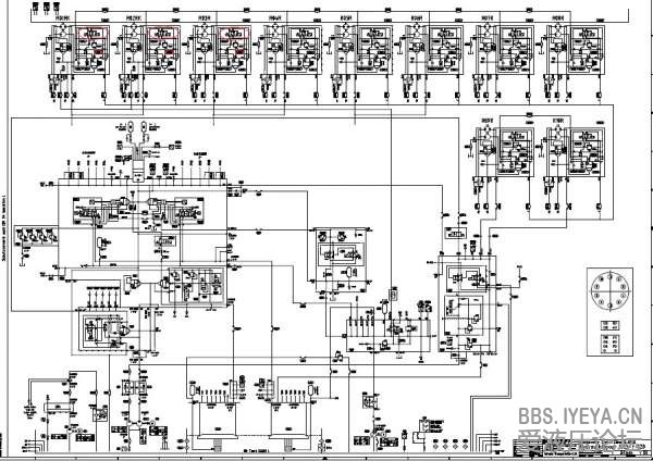
弹射式过山车液压原理图
负载敏感资料下载
|
液压培训资料下载
|
液压样本下载
|
AMESim资料下载
|
力士乐资料下载
|
挖掘机资料下载
|
标准资料下载
|
多路阀资料下载
1
2
3
/ 3 页
下一页
返回列表
查看:
15558
|
回复:
25
[图纸]
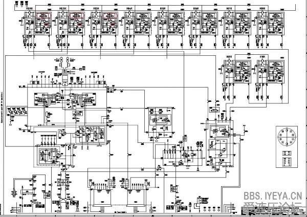
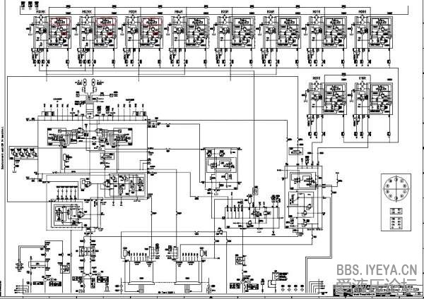
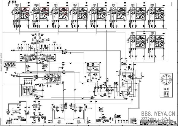
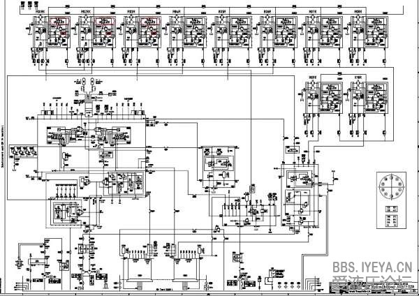
弹射式过山车液压原理图
[复制链接]
xiaoshxin
xiaoshxin
当前离线
积分
1997
注册时间
2010-12-4
最后登录
1970-1-1
IP卡
狗仔卡
发表于 2013-11-20 16:25:27
|
显示全部楼层
|
阅读模式
弹射式过山车液压原理图.pdf
(747.52 KB, 下载次数: 100, 售价: 5 金钱)
2013-11-20 16:25 上传
点击文件名下载附件
过山车
回复
使用道具
举报
提升卡
置顶卡
变色卡
懒驴慢抬蹄
懒驴慢抬蹄
当前离线
积分
221
注册时间
2013-5-29
最后登录
1970-1-1
IP卡
狗仔卡
打卡等级:偶尔看看
打卡总天数:73
打卡总奖励:250
发表于 2013-11-20 17:57:30
|
显示全部楼层
主题什么时候可以设置付费了??
回复
使用道具
举报
xizhengke
xizhengke
当前离线
积分
142
注册时间
2012-7-7
最后登录
1970-1-1
IP卡
狗仔卡
打卡等级:无名新人
打卡总天数:2
打卡总奖励:8
发表于 2013-11-20 18:53:35
|
显示全部楼层
buzhidaone,hhhh
回复
使用道具
举报
Thinking11111
Thinking11111
当前离线
积分
469
注册时间
2011-10-21
最后登录
1970-1-1
IP卡
狗仔卡
打卡等级:无名新人
打卡总天数:1
打卡总奖励:1
发表于 2013-11-20 18:53:55
|
显示全部楼层
神马东西,看不见啊
回复
使用道具
举报
aiyeyazhouliang
aiyeyazhouliang
当前离线
积分
57
注册时间
2013-11-20
最后登录
1970-1-1
IP卡
狗仔卡
发表于 2013-11-20 19:19:20
|
显示全部楼层
看上去还挺复杂的
回复
使用道具
举报
liufusg
liufusg
当前离线
积分
114
注册时间
2010-4-18
最后登录
1970-1-1
IP卡
狗仔卡
发表于 2013-11-20 19:53:09
|
显示全部楼层
10金币,值不值呀,
回复
使用道具
举报
haowai
haowai
当前离线
积分
13
注册时间
2012-5-20
最后登录
1970-1-1
IP卡
狗仔卡
发表于 2013-11-20 22:49:26
|
显示全部楼层
贴个图片看看
回复
使用道具
举报
仁者无敌1987
仁者无敌1987
当前离线
积分
13
注册时间
2013-5-21
最后登录
1970-1-1
IP卡
狗仔卡
打卡等级:无名新人
打卡总天数:1
打卡总奖励:1
发表于 2013-11-20 23:22:57
|
显示全部楼层
还要钱啊 不过值得学习
回复
使用道具
举报
Thinking11111
Thinking11111
当前离线
积分
469
注册时间
2011-10-21
最后登录
1970-1-1
IP卡
狗仔卡
打卡等级:无名新人
打卡总天数:1
打卡总奖励:1
发表于 2013-11-21 00:08:47
|
显示全部楼层
主题什么时候可以设置付费了??
回复
使用道具
举报
dushuai
dushuai
当前离线
积分
43
注册时间
2012-5-11
最后登录
1970-1-1
IP卡
狗仔卡
发表于 2013-11-21 07:08:20
|
显示全部楼层
主题什么时候可以设置付费了?
回复
使用道具
举报
下一页 »
1
2
3
/ 3 页
下一页
返回列表
高级模式
B
Color
Image
Link
Quote
Code
Smilies
您需要登录后才可以回帖
登录
|
立即注册
本版积分规则
发表回复
回帖后跳转到最后一页
浏览过的版块
伺服控制
AMESim
快速回复
返回顶部
返回列表