搜索
汉力达液压金币充值官方微信群液压资料下载
查看: 12165|回复: 24

请问谁有A4VSO_LR2DF的样本或资料?

[复制链接]
发表于 2013-12-20 19:21:38 | 显示全部楼层 |阅读模式
怎么我在力士乐A4VSO的样本里没有看到LR2DF的控制方式
请问谁有这方面的资料吗?
  • 打卡等级:论坛老炮
  • 打卡总天数:1256
  • 打卡总奖励:4603
发表于 2013-12-20 22:02:57 | 显示全部楼层
您好,去力士乐官网下载A4V....功率控制器LR2、LR3、LR2N、LR3N样本文档,里面没有直接LR2DF介绍,但是LR2DF是LR2(普通双曲线特性功率控制)+D(压力切断)+F(流量控制),样本中有LR.D、LR.F,职能原理图最多是多个压力切断阀、压差流量控制阀而已。
下面是样本封皮图片;
下面是网址链接(学习目的)http://www.boschrexroth.com/ics/Vornavigation/Vornavi.cfm?Language=EN&DisplayType=tile&Region=none&VHist=Start,p537304,p537302,p537444&PageID=p537752
或者给我个邮箱,我发给您。
未命名.JPG
回复

使用道具 举报

  • 打卡等级:以坛为家
  • 打卡总天数:863
  • 打卡总奖励:2943
发表于 2013-12-21 09:00:55 | 显示全部楼层
貌似官网很难下载了
回复

使用道具 举报

 楼主| 发表于 2013-12-21 14:28:23 | 显示全部楼层
xwy@home 发表于 2013-12-20 22:02
您好,去力士乐官网下载A4V....功率控制器LR2、LR3、LR2N、LR3N样本文档,里面没有直接LR2DF介绍,但是LR2D ...

正解,谢谢!
{:9_235:}
回复

使用道具 举报

 楼主| 发表于 2013-12-21 15:49:16 | 显示全部楼层
xwy@home 发表于 2013-12-20 22:02
您好,去力士乐官网下载A4V....功率控制器LR2、LR3、LR2N、LR3N样本文档,里面没有直接LR2DF介绍,但是LR2D ...

你好,我还想问一下力士乐A4VSO_LRH这个控制的原理是怎样的,可用于实现负流量控制吗?

A4VSO_LR.H

A4VSO_LR.H
回复

使用道具 举报

  • 打卡等级:无名新人
  • 打卡总天数:4
  • 打卡总奖励:8
发表于 2013-12-21 16:19:48 | 显示全部楼层
Diamond 发表于 2013-12-21 15:49
你好,我还想问一下力士乐A4VSO_LRH这个控制的原理是怎样的,可用于实现负流量控制吗?

是负流量控制的
回复

使用道具 举报

  • 打卡等级:论坛老炮
  • 打卡总天数:1256
  • 打卡总奖励:4603
发表于 2013-12-21 17:08:46 | 显示全部楼层
Diamond 发表于 2013-12-21 15:49
你好,我还想问一下力士乐A4VSO_LRH这个控制的原理是怎样的,可用于实现负流量控制吗?

您好,这种泵实体接触不多,纸上谈兵,尝试解释一下:
1、LR(横扭矩控制)+H(先导压力有关的);
2、基本雏形:压力切断+负载敏感+恒扭矩控制;
3、P口引入负载闭环压力,利用压差控制实现负载敏感;
4、空载时Vg=Vgmax,负流量控制同时满足双曲线恒功率控制;
5、本质是在恒扭矩减压阀中增加了一路外控油,外控油Pst和Vg关系反比的,即Pst=Pstmin时Vg=Vgmax反之亦然;
6、不知道老师用这款泵在那种工况下用还是单纯看看变量类型了解一下?
谢谢!
回复

使用道具 举报

  • 打卡等级:论坛老炮
  • 打卡总天数:1256
  • 打卡总奖励:4603
发表于 2013-12-21 17:16:06 | 显示全部楼层
Diamond 发表于 2013-12-21 15:49
你好,我还想问一下力士乐A4VSO_LRH这个控制的原理是怎样的,可用于实现负流量控制吗?

对不起,再补充一点:
外控油Pst的介入使得恒功率双曲线特性发生变化,同样的变量压力点在介入Pst后流量会下降,如本人绘制简图中箭头方向。变功率特性吧。
未命名.JPG
回复

使用道具 举报

 楼主| 发表于 2013-12-22 14:59:39 | 显示全部楼层
xwy@home 发表于 2013-12-21 17:08
您好,这种泵实体接触不多,纸上谈兵,尝试解释一下:
1、LR(横扭矩控制)+H(先导压力有关的);
2、基 ...

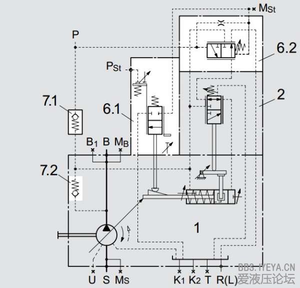
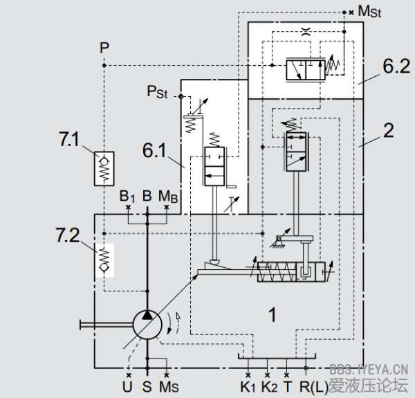
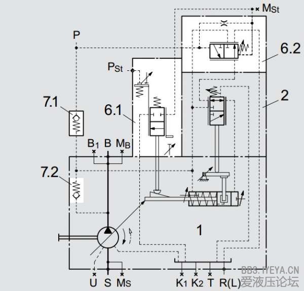
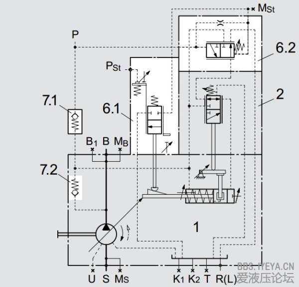
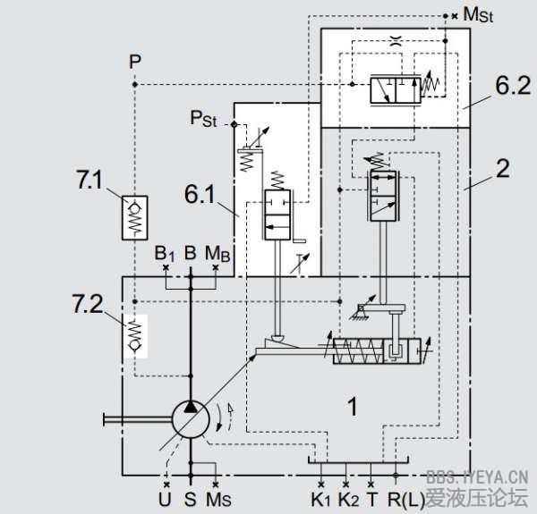
是不是这样的,P口引入的压力分别作用在6.2控制阀的左边和右边,作用在右边的压力是通过一个固定阻尼和一个节流阀6.1组成的B型半桥控制得到的。

先导压力Pst这里可以控制节流阀的开度大小,当先导压力提高时,阀套相对向下运动,开度变大,这时候6.2右腔的压力降低,逐渐换到左位,压力油可以进入变量缸敏感腔使排量减小。

排量减小的过程中,由于机械装置的位置控制作用,节流阀阀芯相对向下,使开度减小,6.2右腔的压力又升高和P相平衡。

我只是有这样的一个感性认识,不知道这样理解对不对,还希望能和老师探讨下这样的控制是怎样和恒功率阀相配合的,P和Pst一般要接到哪里,是怎样实现样本里所说的“排量的减小值,与油口Pst的先导压力成正比”的?我感觉变量缸的移动距离是和Pst成正比的,但是变量缸的移动距离一定和排量的减小量成正比吗?
2013-12-22_145135.jpg
回复

使用道具 举报

 楼主| 发表于 2013-12-22 15:02:03 | 显示全部楼层
wawaadd 发表于 2013-12-21 16:19
是负流量控制的

谢师兄/////// {:9_223:}
                                 
回复

使用道具 举报

您需要登录后才可以回帖 登录 | 立即注册

本版积分规则