搜索
汉力达液压金币充值官方微信群液压资料下载
查看: 8214|回复: 13

行走机械液压系统防超功率策略

[复制链接]
发表于 2014-3-9 20:17:05 | 显示全部楼层 |阅读模式
谈起行走机械液压系统,功率匹配策略是个绕不开的话题,考虑到成本、节能、空间限制等各方面因素,行走设备发动机功率的冗余量越小越好,未达到该目的,先后出现了很多技术,但其策略都是唯一的:即限定液压系统所需的做大功率不超过发动机功率。目前开始系统的恒功率、极限载荷控制等技术已在挖机、旋挖钻等设备上广泛应用,技术相对成熟。这里就不再讨论。单个闭式系统的很功率也应用的相当成熟(之前和很多大侠讨论过力士乐的DA控制、或者萨奥的AC控制,其实该控制分为两部分:当发动机转速变化时,该系统特性与发动机转速相关,即和自动当汽车一样,油门越大,跑得越快。但是当转速恒定时,此时发动机输出功率恒定,液压系统也就是按恒功率控制了),此时问题来了,如果我有两个闭式系统,而且这两个系统对功率的需求是同向相关性,即其中一个系统功率增加时,另一个也增加,而且这两个动作必须符合作业,此时该如何分配发动机的功率,其实我说到这里,很多大侠可能马上就猜到了,大吨位钻机系统,对,没错。
猪脚登场了,大吨位钻机,其动力头回转和推进符合作业,而且推进力越大,所需的回转切削功率越大,机械是死的,他不知道何时发动机过载,此时就需要一个控制策略,保证发动机不过载,其实问题很简单很多人猜到了:牺牲辅助动作的功率,不影响使用要求。其实这个和开始系统恒功率一样,保证压力不变,牺牲速度。这里也一样,保证回转功能,牺牲推进功率,即减小推进速度,问题就解决了,此时推进变慢,但是回转照常,机械不过在,作业照常。
说得简单,怎么来让液压系统自动控制呢:思路如下,在回转回路安装一顺序阀,采集回转压力,如果发动机过载,该顺序阀打开,将顺序阀出油引入推进的伺服腔的反方向,使得推进泵归排,那么推进速度下降,相应的推进功率下将,保证回转输出,确保钻机正常工作。类似的原理可以应用到很多设备上,例如全液压牵引驱动的设备,其实装载机的寸进功能其实也是其中一个变形,不过他是人为控制,而且他也不是两个闭式系统。
说这么多,把一个很简单的问题感觉有点复杂化,其实只是想和各位大侠分享一个思路,即对于闭式系统如何在有限的发动机功率下保证复合动作时的大功率需求。
以后这种应用会很多,比如全液压驱动的农业机械,联合收割机,其牵引速度越快,牵引功率需求增大的同时,也导致工作装置功率需求增大。等等,今天就说到这里,欢迎各位大侠指点
 楼主| 发表于 2014-3-9 20:21:12 | 显示全部楼层
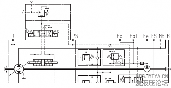
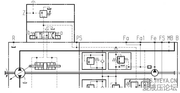
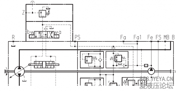
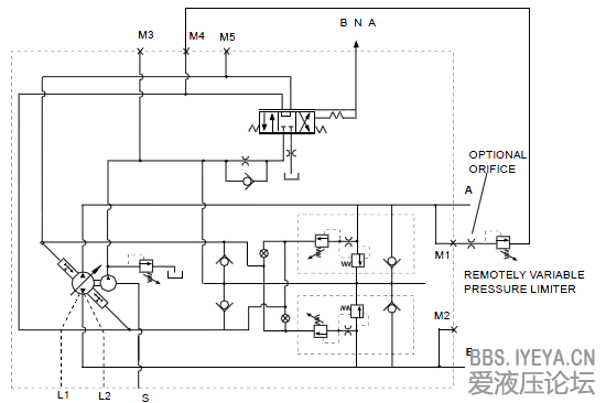
说的有点乱,贴个图,一目了然,不过该图只是个示意,将顺序阀出口液压油引入到另一个泵的相反的伺服腔就是上面说到的策略
1.png
回复

使用道具 举报

发表于 2014-3-9 20:33:58 | 显示全部楼层
精辟的总结。系统节能是关键!!
回复

使用道具 举报

 楼主| 发表于 2014-3-9 20:36:25 | 显示全部楼层
sixue98 发表于 2014-3-9 20:33
精辟的总结。系统节能是关键!!

您是通过软件自动设置新帖提醒的吗,怎么每次都是秒回,膜拜
回复

使用道具 举报

发表于 2014-3-9 20:54:15 | 显示全部楼层
顺序阀压力出口直接作用于B油泵变量油缸,不太合适,是否可以用A油泵的高压信号油,推动B油泵控制油路上旁路泄荷阀,使控制B的控制压力减小,从而逐渐减小B油泵排量

回复

使用道具 举报

 楼主| 发表于 2014-3-9 21:13:01 | 显示全部楼层
摆渡人 发表于 2014-3-9 20:54
顺序阀压力出口直接作用于B油泵变量油缸,不太合适,是否可以用A油泵的高压信号油,推动B油泵控制油路上旁路 ...

顺序阀压力出口直接作用于B油泵变量油缸,不太合适……………为何不适合?
推动B油泵控制油路上旁路泄荷阀…………您指的卸荷阀是哪个?
回复

使用道具 举报

  • 打卡等级:无名新人
  • 打卡总天数:3
  • 打卡总奖励:10
发表于 2014-3-9 22:54:33 | 显示全部楼层
能说说那个手动换向阀是干什么用的吗?
回复

使用道具 举报

发表于 2014-3-10 07:14:09 | 显示全部楼层
我的朋友全是搞主机设计的,我们探讨最多的问题就节能!!
回复

使用道具 举报

发表于 2014-3-10 21:42:48 | 显示全部楼层
xiaoshxin 发表于 2014-3-9 21:13
顺序阀压力出口直接作用于B油泵变量油缸,不太合适……………为何不适合?
推动B油泵控制油路上旁路泄荷 ...

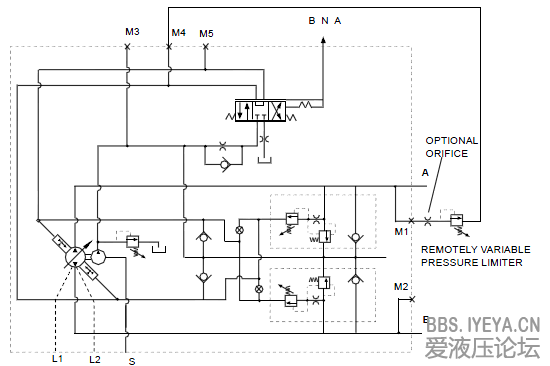
A、B变量泵的控制油均来自压力较低的补油泵,若直接采用A泵工作油,作为信号油作用于B油泵变量缸,首先,B泵变量油缸的结构强度、密封条件等要能承受得起,即使结构上没问题,B油泵的油缸弹簧也将不能与之匹配,若成负排量,形成倒车,不是要形成更大的冲击;
至于旁路泄荷阀,你的图上没有,补一个给你 A4VG原理图.PNG

回复

使用道具 举报

 楼主| 发表于 2014-3-11 10:15:25 | 显示全部楼层
摆渡人 发表于 2014-3-10 21:42
A、B变量泵的控制油均来自压力较低的补油泵,若直接采用A泵工作油,作为信号油作用于B油泵变量缸,首先, ...

你说的很对,不过这只是个思路,顺序阀出口有安全阀限定反馈压力的,象力士乐伺服强承压可达4MPa,第二,斜盘反摆可能会短时出现,时间很短,泵根本来不及反应,也就是说泵不会形成反排量的,因为一旦出口压力降低,顺序阀关闭,也就没有所谓的反馈了,此时泵按照正常方式驱动。
回复

使用道具 举报

您需要登录后才可以回帖 登录 | 立即注册

本版积分规则