- 积分
- 190
- 注册时间
- 2012-12-9
- 最后登录
- 1970-1-1
|

楼主 |
发表于 2014-3-31 10:40:09
|
显示全部楼层
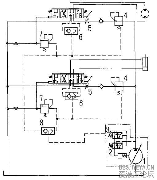
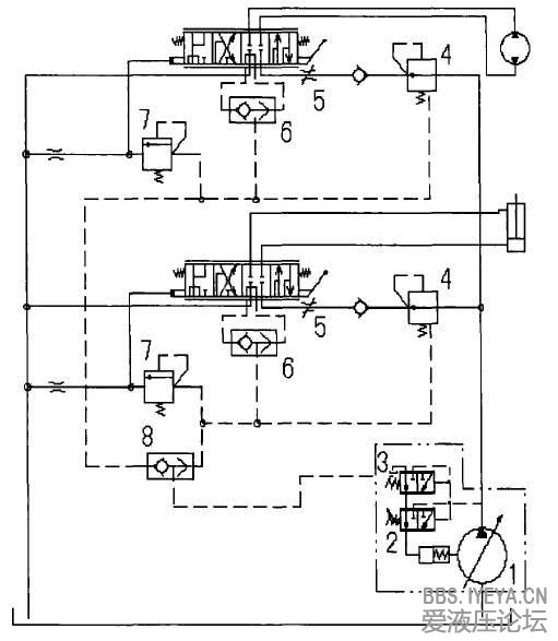
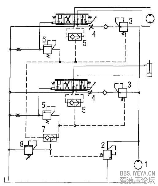
闭中心系统:
系统包括变量泵1、各联的进口压力补偿器4(定差减压型压力补偿器)、可变节流器5和梭阀网络。此系统的功能与开中心系统相同,只是用一台压差调节泵代替定量泵和三通压力补偿器。在零位,没有阀动作,泵的倾角几乎为零,仅补偿系统泄漏损失。任一联离开中位时,泵的出口压力始终比最高负载压力高出控制所需要的压差。即泵总是仅以所需要的负载压力输出所需要的流量。因此,这类系统能量利用率比开中心负载敏感系统要高。
闭中心负载敏感系统的控制原理:
(l)利用梭阀网络,将系统最高负载压力引导至泵的压力-流量敏感阀的敏感腔,通过自动调节泵的排量,使泵的出口压力与系统的最高负载压力保持一定的差值Pd,其大小由压差弹簧决定。
(2)换向阀位于中位时,供油油路被切断,油液发生堵塞,压力迅速升高,而此时系统的最高负载压力为零。当泵的出口压力达到并超过压差弹簧调定压力Pd时,敏感阀阀芯向左运动,压力油流向斜盘控制油缸,推动活塞向右运动,使泵的排量减小,直到泵的出口压力稳定在Pd值。此时,泵的输出流量很小,仅满足系统内部泄漏的需要,而敏感阀阀芯处于中位位置,此称为低压等待状态。
(3)当执行机构的换向阀开启时,压力-流量敏感阀的敏感腔与供油油路相通,由于此时管路的流量仍为零,敏感腔压力与泵的出口压力相等,敏感阀阀芯在压差弹簧作用下偏离中位位置向右运动,使得斜盘控制油缸的左腔与油箱连通,控制活塞在回复弹簧力作用下向左运动,泵的排量逐渐增大,油泵开始向执行机构供油。
(4)当执行机构开始运动时,随着流量的增大,节流阀阀口两端产生较大的压力降,于是在压力—流量敏感阀的敏感腔与泵的出口之间形成一定的压力差。当压力差偏小时,补偿阀阀芯位于中位偏右位置,斜盘控制油缸在弹簧力作用下向左运动,泵的排量不断增大,出口压力逐渐提高;当压力差偏大时,敏感阀阀芯位于中位偏左位置,斜盘控制油缸在压力油压力作用下向右运动,泵的排量不断减小,出口压力逐渐降低;只有当压力差等于压差弹簧设定值Pd时,阀芯位于中位位置,泵的排量保持不变。
(5)由于节流阀两端压差稳定,因此流经节流阀的流量与其阀口开度成正比,而且不受负载变化的影响。即泵的输出压力和流量与负载相适应。
(6)在多个执行机构同时动作时,为避免各执行机构之间的压力扰动,闭中心系统也需要在各联上配置定差减压阀,以保持每一联上的节流阀进出口压差恒定。
(7)当执行机构运动到极限位置时,管路流量降为零,此时敏感腔压力与泵的出口压力相等,敏感阀阀芯在压差弹簧推动下向右运动,致使泵的排量增大,压力进一步升高。当泵的出口压力达到泵内系统限压阀设定值Pmax时,系统限压阀开启,压力油进入控制油缸左腔并推动活塞向右运动。此时,泵的排量迅速下降,其出口压力等于泵内限压阀设定的最高压力。因此,泵处于高压等待状态,虽然压力高,但流量很小,因而能量损失较小。
|
-
|