搜索
金币充值液压资料下载官方微信群
查看: 14175|回复: 30

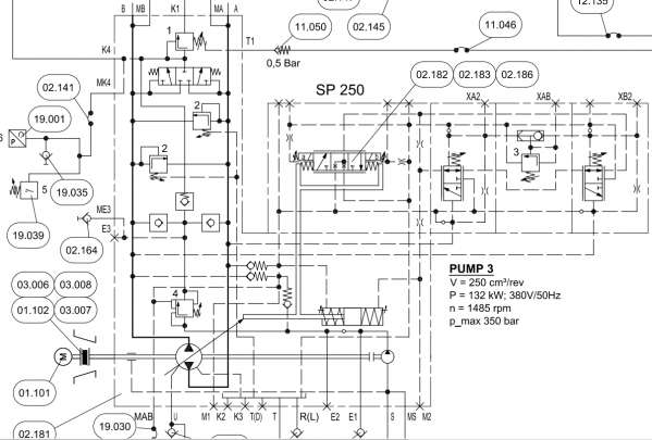
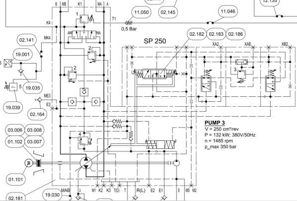
类似于力士乐A4CSG的泵的工作原理

[复制链接]
发表于 2014-5-19 09:48:34 | 显示全部楼层 |阅读模式
~Z~12HOSJY(FU~Y0X5M_@XH.jpg
这台的工作原理。控制原理 谁给详细讲一下~~
发表于 2014-5-19 10:31:02 | 显示全部楼层
这个你拿Automation Studio 画一遍,运行仿真一下就OK了
回复

使用道具 举报

发表于 2014-5-19 10:31:47 | 显示全部楼层
单独拿个图讲解的话很难做到的,不知道使用的环境和工况
回复

使用道具 举报

 楼主| 发表于 2014-5-19 14:42:14 | 显示全部楼层
liugde 发表于 2014-5-19 10:31
单独拿个图讲解的话很难做到的,不知道使用的环境和工况

您说的这个软件网上找不到不要钱的啊。而且我也没用过这个软件啊。
回复

使用道具 举报

发表于 2014-5-19 15:44:32 | 显示全部楼层
那你把完整文件发过来吧
回复

使用道具 举报

发表于 2014-5-19 15:45:19 | 显示全部楼层
我亲自给你画一下看看,另外你用在哪里也要说清
回复

使用道具 举报

发表于 2014-5-19 18:39:05 | 显示全部楼层
那个公司的原理图?
回复

使用道具 举报

发表于 2014-5-19 20:31:15 | 显示全部楼层
可以把整张图纸发给我一下吗,我是Parker的Sam,这是一典型的闭式系统回路,跟Parker的Gold Cup原理很接近,我可以把原理告诉你
回复

使用道具 举报

 楼主| 发表于 2014-5-20 16:26:28 | 显示全部楼层
saberjiang 发表于 2014-5-19 20:31
可以把整张图纸发给我一下吗,我是Parker的Sam,这是一典型的闭式系统回路,跟Parker的Gold Cup原理很接近 ...

可以啊,你要不告诉我一下你的QQ?
回复

使用道具 举报

 楼主| 发表于 2014-5-20 16:29:40 | 显示全部楼层
liugde 发表于 2014-5-19 15:45
我亲自给你画一下看看,另外你用在哪里也要说清

您给我下邮箱或者QQ行吗 我发给您
回复

使用道具 举报

您需要登录后才可以回帖 登录 | 立即注册

本版积分规则