搜索
汉力达液压金币充值官方微信群液压资料下载
查看: 23629|回复: 11

比例阀放大板电路图

  [复制链接]
发表于 2014-6-18 19:48:50 | 显示全部楼层 |阅读模式
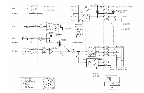
比例阀放大板电路图,一点不懂,请教大侠讲解,万分感谢。
放大板原理1.png

点评

这个样本风格挺像是bosch的阀  发表于 2014-6-19 19:11
 楼主| 发表于 2014-6-18 19:49:48 | 显示全部楼层
就认识电阻和二极管,其他一概不认识,求大神
回复

使用道具 举报

发表于 2014-6-18 22:47:16 | 显示全部楼层
找本书,许益民XX等的比例控制,有介绍,这能三言两语在这里说清楚吗{:9_228:}
回复

使用道具 举报

  • 打卡等级:偶尔看看
  • 打卡总天数:122
  • 打卡总奖励:828
发表于 2014-6-19 10:02:25 | 显示全部楼层
需要专业系统的学习下放大器
回复

使用道具 举报

发表于 2014-6-19 15:10:51 | 显示全部楼层
  以我一个没实际使用过比例阀的外行来看:比例阀是整个控制回路的结点,因此可以从它开始反推出去看,也就是它(阀)的输入输出部分同放大板相接部分所代表的基本功能交互,交互输入(对放大板而言是输出)主要是接驱动线圈的,就是个简单的图腾柱功率输出电路,它(阀)的输出(对放大板而言是输入)分主次级阀芯位移模拟量,以及正负对称基准电压供电,还有零位电压控制,应该是用来检测位移传感器故障用的,当然图上看没接主级,按上面标示的口径分类,估计大口径的是二级阀故而有分主次级位移信号输出。
回复

使用道具 举报

 楼主| 发表于 2014-6-19 20:21:43 | 显示全部楼层
吸铁石 发表于 2014-6-19 15:10
  以我一个没实际使用过比例阀的外行来看:比例阀是整个控制回路的结点,因此可以从它开始反推出去看,也 ...

谢谢版主关注,小弟这方面知识还十分欠缺,正在努力充电中
回复

使用道具 举报

  • 打卡等级:即来则安
  • 打卡总天数:287
  • 打卡总奖励:1945
发表于 2014-6-20 06:35:55 | 显示全部楼层
这并不是电路图,而是电路框图,对应用而言,你只需搞懂电源、控制输入信号、放大器输出信号、放大器回采反馈信号是什么形式和接法以及放大器是否与阀匹配就行了,没有必要深究放大器的具体电路实现,那又是一个完全崭新的领域。

来自:Android客户端
湖北省武汉市东西湖区马池路
回复

使用道具 举报

 楼主| 发表于 2014-6-21 10:04:39 | 显示全部楼层
bgfly 发表于 2014-6-20 06:35
这并不是电路图,而是电路框图,对应用而言,你只需搞懂电源、控制输入信号、放大器输出信号、放大器回采反 ...

谢谢回复,您说的这些有没有资料,可以分享一下,谢谢
回复

使用道具 举报

发表于 2014-7-1 22:09:41 | 显示全部楼层
是励贝的放大器吗
回复

使用道具 举报

发表于 2014-7-3 09:05:28 | 显示全部楼层
要下载,就是不知道钱够不够。
回复

使用道具 举报

您需要登录后才可以回帖 登录 | 立即注册

本版积分规则