搜索
汉力达液压金币充值官方微信群液压资料下载
查看: 26223|回复: 25

谈谈负载敏感系统LS管路中的细节问题

    [复制链接]
发表于 2014-8-3 10:47:44 | 显示全部楼层 |阅读模式
ls系统大家都很熟悉,也基本都接触过,不过想用好ls其实不容易,比如:如何合理的调节系统的响应特性、如何减小系统压力脉动、如何实现快速升压、快速卸荷等等问题。根据本人一丁点应用经验,与大家分享。由于本人经验尚浅,难免理解有不到位的地方,甚至错误,希望各位大侠指正,谢谢!
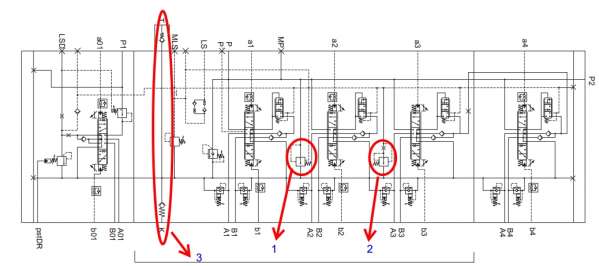
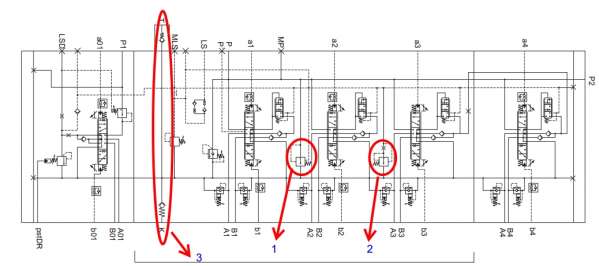
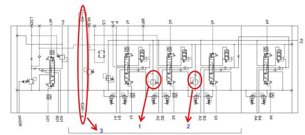
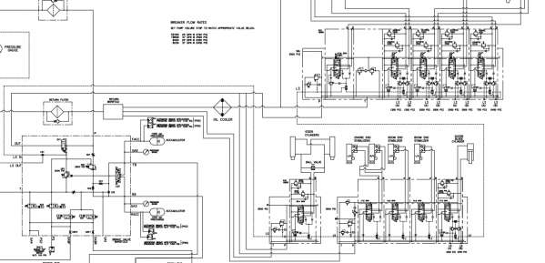
说起LS系统,先上个rexroth的M7阀,我个人觉得这个阀做的确实很好,很多细节问题都考虑到了,不过可惜的是我至今尚不能理解其阀在很多细节处理上的作用,实在汗颜。
先上个M7的原理图,很多大侠比我更加了解这个阀,所以下次不过多献丑,就简单说说

谈谈负载敏感系统LS管路中的细节问题

谈谈负载敏感系统LS管路中的细节问题


这个阀有很多阻尼,这个我还不能够理解什么情况下选择多大的阻尼,所以在此不发表看法,静待大神指教。
诸如主溢流阀、二次溢流阀、ls溢流阀什么的大家也很熟悉不多说。
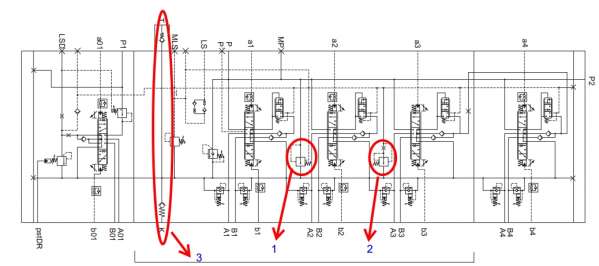
我其实比较欣赏他们在三个细节上的处理
1,主卸荷阀,即阀1,保证不工作的时候主回路卸荷,主回路卸荷的前提是ls要卸荷,至于ls卸荷大家都很了解A10的DFR1与DFR的区别,就是ls卸荷的,下面说说ls卸荷在阀上的实现
2、ls卸荷可以通过阀2实现,这个阀是个流量阀,始终有很小的流量流通可以实现不工作时ls卸。
3、其将回油分成两路,大流量时回油压力高,热油通过游散,一部分有直接回油箱,分担游散流量
这里补充一下,其实A10泵的DFR带阻尼孔还有一点好处:保证ls管路油液始终缓缓流动,这样的话在冬天可以防止油液长时间不流动而温度下降,黏度增加,影响ls响应特性。


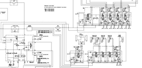
看完M7,相比大家也很佩服这个阀,但是光阀好是不够的,好的系统还需要系统匹配。所以需要合理的ls管路配置,至于ls管路说白了就是ls管路容积。
大家都明白ls容积越大,那么压力传递就会越平稳,但是响应就慢,如果太小,压力压力传递必将带来冲击,导致主油路压力不稳定,出现脉动,
所以有时候需要在ls管路处理上添加阻尼孔来减小压力脉动,也就是说合理的选择管路容积和阻尼孔,以得到你想要的频响值和可接受的压力脉动。
说到这里看看danfoss怎么处理的,先上几个表,是danfoss关于ls管路容积、阻尼孔与频响、压力脉动的经验值

谈谈负载敏感系统LS管路中的细节问题

谈谈负载敏感系统LS管路中的细节问题

谈谈负载敏感系统LS管路中的细节问题

谈谈负载敏感系统LS管路中的细节问题

谈谈负载敏感系统LS管路中的细节问题

谈谈负载敏感系统LS管路中的细节问题



有时候系统有多个ls元件公用一个泵,那么多个ls元件之间ls管路需要连接,有时候多个ls元件管路之间不需要单向阀,有时候需要单向阀
问题来了什么时候需要,什么时候不需要。
问题分为以下几种情况:
1、阀前与阀前补偿组合
2、阀后与阀后补偿组合
3、阀前与阀后补偿组合
4、和阀前阀后没关系,和使用压力有关,如果两个阀使用压力相差较大,那么采用单向阀阻断压力
5、和阀本身有关,如阀是否有ls卸荷,ls溢流、主溢流阀还是公用一个等等
这个问题当然也没有一定的答案,欢迎各位大侠拍砖。

谈谈负载敏感系统LS管路中的细节问题

谈谈负载敏感系统LS管路中的细节问题

评分

参与人数 1金钱 +4 收起 理由
xiangdingli + 4

查看全部评分

  • 打卡等级:以坛为家
  • 打卡总天数:806
  • 打卡总奖励:1695
发表于 2014-8-3 11:21:11 | 显示全部楼层
ls卸荷阀是如何工作的?它与主卸荷阀有什么关系?
回复

使用道具 举报

发表于 2014-8-3 11:31:47 | 显示全部楼层
同问,请大侠赐教!
回复

使用道具 举报

  • 打卡等级:以坛为家
  • 打卡总天数:772
  • 打卡总奖励:2750
发表于 2014-8-3 13:48:36 | 显示全部楼层
学习了,
回复

使用道具 举报

 楼主| 发表于 2014-8-3 17:19:53 | 显示全部楼层
nmbtl 发表于 2014-8-3 11:21
ls卸荷阀是如何工作的?它与主卸荷阀有什么关系?

就是主阀不工作的的时候,卸掉ls管路压力
主卸荷阀的弹簧腔引入了ls压力,ls压力卸掉后,主卸荷阀卸掉主管路压力,从而使主泵泄压
回复

使用道具 举报

发表于 2014-8-4 08:04:16 | 显示全部楼层
关于最后面提到的多个Ls元件共用一个泵时的Ls管路设置问题能不能详细的论述一下
回复

使用道具 举报

  • 打卡等级:以坛为家
  • 打卡总天数:806
  • 打卡总奖励:1695
发表于 2014-8-4 11:32:19 | 显示全部楼层
有点明白了,谢谢楼主。
回复

使用道具 举报

  • 打卡等级:无名新人
  • 打卡总天数:3
  • 打卡总奖励:4
发表于 2014-8-4 15:30:21 | 显示全部楼层
xiaoshxin很用心,很好
回复

使用道具 举报

  • 打卡等级:初来乍到
  • 打卡总天数:30
  • 打卡总奖励:196
发表于 2014-8-4 16:33:48 | 显示全部楼层
楼主图片哪里来的~
回复

使用道具 举报

 楼主| 发表于 2014-8-5 17:26:48 | 显示全部楼层
静静等待 发表于 2014-8-4 08:04
关于最后面提到的多个Ls元件共用一个泵时的Ls管路设置问题能不能详细的论述一下

这块我也还没总结出来,有些杂乱无章,
回复

使用道具 举报

您需要登录后才可以回帖 登录 | 立即注册

本版积分规则