设为首页
收藏本站
所有帖子
关于我们
联系我们
微信群
开启辅助访问
搜索
搜索
本版
用户
门户
Portal
资讯
液压资讯
观点
观点
产品
液压产品
技术
液压技术
合集
导读
Guide
下载
签到
金币
论坛
BBS
登录
立即注册
腾讯QQ
账号
自动登录
找回密码
密码
登录
立即注册
只需一步,快速开始
我的
日志
记录
收藏
勋章
任务
道具
动态
设置
退出
液压圈
»
论坛
›
液压系统
›
液压技术
›
液压原理图求指教
负载敏感资料下载
|
液压培训资料下载
|
液压样本下载
|
AMESim资料下载
|
力士乐资料下载
|
挖掘机资料下载
|
标准资料下载
|
多路阀资料下载
1
2
/ 2 页
下一页
返回列表
查看:
9083
|
回复:
15
液压原理图求指教
[复制链接]
薄冰
薄冰
当前离线
积分
222
注册时间
2012-2-10
最后登录
1970-1-1
IP卡
狗仔卡
打卡等级:无名新人
打卡总天数:1
打卡总奖励:10
发表于 2014-8-16 21:27:55
|
显示全部楼层
|
阅读模式
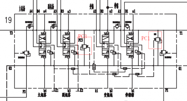
请帮忙解释一下图中,PC1,PC3的作用
请帮忙解释一下图中PC1,PC3的作用谢谢
回复
使用道具
举报
提升卡
置顶卡
变色卡
学而习知
学而习知
当前离线
积分
35
注册时间
2014-8-15
最后登录
1970-1-1
IP卡
狗仔卡
打卡等级:无名新人
打卡总天数:1
打卡总奖励:8
发表于 2014-8-16 21:50:25
|
显示全部楼层
我来学习 请大神回复详细点 谢谢
回复
使用道具
举报
凡夫范
凡夫范
当前离线
积分
207
注册时间
2014-7-21
最后登录
1970-1-1
IP卡
狗仔卡
发表于 2014-8-16 22:37:41
来自手机
|
显示全部楼层
与多路阀共同组成溢流节流阀。
回复
使用道具
举报
兔子哥
兔子哥
当前离线
积分
149
注册时间
2011-11-29
最后登录
1970-1-1
IP卡
狗仔卡
打卡等级:无名新人
打卡总天数:1
打卡总奖励:1
发表于 2014-8-16 22:58:48
|
显示全部楼层
两个都是同一个东西呀,三通流量阀。。起重机阀前补偿系统。
回复
使用道具
举报
zhangjianfu81
zhangjianfu81
当前离线
积分
48
注册时间
2011-3-11
最后登录
1970-1-1
IP卡
狗仔卡
发表于 2014-8-17 07:42:43
|
显示全部楼层
来张完整图看看
回复
使用道具
举报
雨夜孤心
雨夜孤心
当前离线
积分
51
注册时间
2010-6-23
最后登录
1970-1-1
IP卡
狗仔卡
打卡等级:初来乍到
打卡总天数:52
打卡总奖励:202
发表于 2014-8-17 07:57:04
|
显示全部楼层
这是一个负载压力的限压阀
回复
使用道具
举报
bgfly
bgfly
当前离线
积分
94
注册时间
2014-3-26
最后登录
1970-1-1
IP卡
狗仔卡
打卡等级:即来则安
打卡总天数:287
打卡总奖励:1945
发表于 2014-8-17 08:00:41
|
显示全部楼层
多路阀中的溢流阀
回复
使用道具
举报
ccxxcc
ccxxcc
当前离线
积分
50
注册时间
2012-7-21
最后登录
1970-1-1
IP卡
狗仔卡
打卡等级:常驻居民
打卡总天数:312
打卡总奖励:932
发表于 2014-8-17 09:12:04
|
显示全部楼层
溢流阀,没有动作时泄流
回复
使用道具
举报
nmbtl
nmbtl
当前离线
积分
340
注册时间
2012-4-21
最后登录
1970-1-1
IP卡
狗仔卡
打卡等级:以坛为家
打卡总天数:806
打卡总奖励:1695
发表于 2014-8-17 09:56:04
|
显示全部楼层
溢流阀
回复
使用道具
举报
csu液压
csu液压
当前离线
积分
62
注册时间
2009-10-27
最后登录
1970-1-1
IP卡
狗仔卡
打卡等级:无名新人
打卡总天数:18
打卡总奖励:93
发表于 2014-8-17 10:31:20
|
显示全部楼层
起重机多路阀,无动作卸荷用的!
回复
使用道具
举报
下一页 »
1
2
/ 2 页
下一页
返回列表
高级模式
B
Color
Image
Link
Quote
Code
Smilies
您需要登录后才可以回帖
登录
|
立即注册
本版积分规则
发表回复
回帖后跳转到最后一页
浏览过的版块
AMESim
快速回复
返回顶部
返回列表