搜索
汉力达液压金币充值官方微信群液压资料下载
查看: 8996|回复: 10

同一油路安装2个溢流阀

[复制链接]
  • 打卡等级:初来乍到
  • 打卡总天数:30
  • 打卡总奖励:196
发表于 2014-9-4 14:06:21 | 显示全部楼层 |阅读模式
本帖最后由 whx-002 于 2014-9-4 15:03 编辑

在一些论文上有提到,同一油路安装2个(同种规格,设定压力相同)溢流阀会引起共振~请问理论基础是什么?控制不是太懂~还请大家多多帮忙~
  • 打卡等级:以坛为家
  • 打卡总天数:695
  • 打卡总奖励:1110
发表于 2014-9-4 14:43:14 | 显示全部楼层
本帖最后由 海中游 于 2014-9-4 15:42 编辑

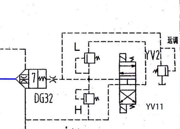
在油路安装2个溢流阀是常见的,主要是一个高压,一个低压,适用不同工况和要求。
共振的问题没遇到。也不关心什么专业理论。

4242.jpg
回复

使用道具 举报

  • 打卡等级:初来乍到
  • 打卡总天数:30
  • 打卡总奖励:196
 楼主| 发表于 2014-9-4 15:04:05 | 显示全部楼层
海中游 发表于 2014-9-4 14:43
在油路安装2个溢流阀是常见的,主要是一个高压,一个低压,使用不同工况和要求。
共振的问题没遇到。也不 ...

我改了下~是同种规格~设定压力相同的2个溢流阀~
回复

使用道具 举报

  • 打卡等级:无名新人
  • 打卡总天数:8
  • 打卡总奖励:62
发表于 2014-9-4 17:19:40 | 显示全部楼层
一个油路中两个相同的溢流阀?一般在上回路液压系统中,两路溢流阀设定压力相同,同时打开时容易出现共振现象。
回复

使用道具 举报

  • 打卡等级:初来乍到
  • 打卡总天数:37
  • 打卡总奖励:290
发表于 2014-9-4 17:52:22 | 显示全部楼层
我在一资料上看到过,我先找找看
回复

使用道具 举报

发表于 2014-9-4 20:00:10 | 显示全部楼层
如果。差流量分流可以,一般没有这样用的。没有必要两个人同时干一件事。对吗?
回复

使用道具 举报

发表于 2014-9-4 20:33:10 | 显示全部楼层
因为这两个发的固有频率相同,所以两者之间会共振
回复

使用道具 举报

  • 打卡等级:无名新人
  • 打卡总天数:3
  • 打卡总奖励:12
发表于 2014-9-5 08:26:28 | 显示全部楼层
频率相同 会引起共振
回复

使用道具 举报

  • 打卡等级:无名新人
  • 打卡总天数:24
  • 打卡总奖励:174
发表于 2014-9-5 23:28:05 | 显示全部楼层
闭式系统都需要两个溢流阀
回复

使用道具 举报

发表于 2014-9-5 23:40:01 | 显示全部楼层
采用两个,应该是马达马达(执行机构)进出有口各一个,压力调定一致,可以限制启动压力及制动压力吧,
回复

使用道具 举报

您需要登录后才可以回帖 登录 | 立即注册

本版积分规则