搜索
金币充值液压资料下载官方微信群
查看: 7931|回复: 11

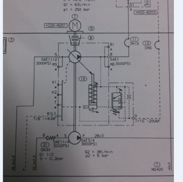
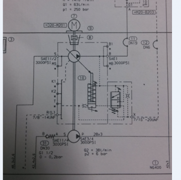
这是什么泵

[复制链接]
  • 打卡等级:无名新人
  • 打卡总天数:3
  • 打卡总奖励:12
发表于 2014-10-31 08:39:00 | 显示全部楼层 |阅读模式
这个是什么原理 怎么控制的啊

这是什么泵

这是什么泵
  • 打卡等级:无名新人
  • 打卡总天数:4
  • 打卡总奖励:23
发表于 2014-10-31 09:36:16 | 显示全部楼层
这就是普通的柱塞泵啊,两个串在一起
回复

使用道具 举报

  • 打卡等级:伴坛终老
  • 打卡总天数:2166
  • 打卡总奖励:7684
发表于 2014-10-31 10:43:50 | 显示全部楼层
应该是双联的,一个定量泵、一个负载敏感泵
回复

使用道具 举报

发表于 2014-10-31 11:13:40 | 显示全部楼层
这是双联泵,,一个是普通的定量泵,一个是负载敏感泵。

来自:Android客户端
回复

使用道具 举报

  • 打卡等级:无名新人
  • 打卡总天数:1
  • 打卡总奖励:7
发表于 2014-10-31 11:41:16 | 显示全部楼层
双联泵,一个定量的,一个通过反馈调节斜盘角度改变流量的柱塞泵
回复

使用道具 举报

  • 打卡等级:无名新人
  • 打卡总天数:3
  • 打卡总奖励:12
 楼主| 发表于 2014-10-31 15:59:54 | 显示全部楼层
司马睿 发表于 2014-10-31 11:41
双联泵,一个定量的,一个通过反馈调节斜盘角度改变流量的柱塞泵

感谢回复
回复

使用道具 举报

  • 打卡等级:无名新人
  • 打卡总天数:3
  • 打卡总奖励:12
 楼主| 发表于 2014-10-31 16:00:04 | 显示全部楼层
chenyueyun 发表于 2014-10-31 11:13
这是双联泵,,一个是普通的定量泵,一个是负载敏感泵。

来自:Android客户端

回复

使用道具 举报

  • 打卡等级:偶尔看看
  • 打卡总天数:144
  • 打卡总奖励:704
发表于 2014-10-31 20:48:06 | 显示全部楼层
大排量的是恒压控制的变量泵
回复

使用道具 举报

  • 打卡等级:偶尔看看
  • 打卡总天数:144
  • 打卡总奖励:1063
发表于 2014-11-1 15:30:04 | 显示全部楼层
应该是双联的,一个定量泵、一个负载敏感泵
回复

使用道具 举报

  • 打卡等级:无名新人
  • 打卡总天数:5
  • 打卡总奖励:32
发表于 2014-11-13 16:08:58 | 显示全部楼层
wangshangfei 发表于 2014-10-31 10:43
应该是双联的,一个定量泵、一个负载敏感泵

同意这个看法
回复

使用道具 举报

您需要登录后才可以回帖 登录 | 立即注册

本版积分规则