搜索
汉力达液压金币充值官方微信群液压资料下载
查看: 8375|回复: 19

求教此回路系统

  [复制链接]
  • 打卡等级:无名新人
  • 打卡总天数:1
  • 打卡总奖励:7
发表于 2015-2-22 19:18:28 | 显示全部楼层 |阅读模式
本帖最后由 水果事件 于 2015-2-22 21:13 编辑

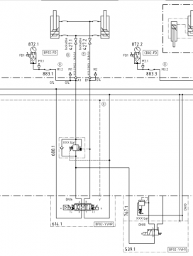
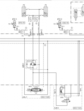
此回路为钢厂运卷小车的升降系统,请教师傅们当油缸下降时,回油管路上的顺序阀是不是已被进油路的先导压力油打开,如此这样,回油路上既无节流也无背压,是否会存在下降速度过快的缺陷。望大师指点!谢谢!哪位大师能给详细讲解一下这种内外控的平衡阀的工作原理。

求教此回路系统

求教此回路系统
  • 打卡等级:常驻居民
  • 打卡总天数:437
  • 打卡总奖励:2200
发表于 2015-2-22 19:43:48 | 显示全部楼层
那个不是顺序阀而是平衡阀,平衡阀具有背压节流功能
回复

使用道具 举报

  • 打卡等级:无名新人
  • 打卡总天数:1
  • 打卡总奖励:7
 楼主| 发表于 2015-2-22 19:47:30 | 显示全部楼层
海盗旗 发表于 2015-2-22 19:43
那个不是顺序阀而是平衡阀,平衡阀具有背压节流功能

恩,我知道是平衡阀,但是它不是外控了吗?下降时时有杆腔进油是不是就把它打开了
回复

使用道具 举报

  • 打卡等级:初来乍到
  • 打卡总天数:44
  • 打卡总奖励:323
发表于 2015-2-22 19:59:55 | 显示全部楼层
1、下降速度过快→上腔失压→液控油压力下降→阀开口减小→油缸下降速度减小。
2、阀为速度可调。
回复

使用道具 举报

  • 打卡等级:常驻居民
  • 打卡总天数:437
  • 打卡总奖励:2200
发表于 2015-2-22 20:09:36 | 显示全部楼层
当有杆腔进油,将平衡阀打开,油缸下降当下降速超过油泵供油时,有杆腔压力降低,平衡阀芯移动,阀芯开口度减小,产生背压节流,油缸下降速度减小,平衡阀防止油缸或马达产生失速和平衡负裁等功能
回复

使用道具 举报

  • 打卡等级:无名新人
  • 打卡总天数:1
  • 打卡总奖励:7
 楼主| 发表于 2015-2-22 20:10:33 | 显示全部楼层
cqzyouxiang 发表于 2015-2-22 19:59
1、下降速度过快→上腔失压→液控油压力下降→阀开口减小→油缸下降速度减小。
2、阀为速度可调。

那阀在这个自我调节的过程中会不会导致运动速度的不稳,为什么不直接用内控的顺序阀?望师傅指点
回复

使用道具 举报

  • 打卡等级:常驻居民
  • 打卡总天数:437
  • 打卡总奖励:2200
发表于 2015-2-22 20:13:14 | 显示全部楼层
这是基本液压回路中的“平衡回路”
回复

使用道具 举报

  • 打卡等级:常驻居民
  • 打卡总天数:437
  • 打卡总奖励:2200
发表于 2015-2-22 20:20:38 | 显示全部楼层
内控顺序阀产生能量损失,系统压力必须克服内控顺序阀所设定压力,必然产生损失,同时内控顺序阀无法自动调节阀芯,不能产生背压节流,无法防止油缸失速
回复

使用道具 举报

  • 打卡等级:常驻居民
  • 打卡总天数:437
  • 打卡总奖励:2200
发表于 2015-2-22 20:23:58 | 显示全部楼层
这种阀也会产生运动不稳,解决方法在控制油路上一个单向节流阀或加一个阻尼,就可以解决
回复

使用道具 举报

  • 打卡等级:无名新人
  • 打卡总天数:1
  • 打卡总奖励:7
 楼主| 发表于 2015-2-22 21:08:47 | 显示全部楼层
海盗旗 发表于 2015-2-22 20:23
这种阀也会产生运动不稳,解决方法在控制油路上一个单向节流阀或加一个阻尼,就可以解决

在控制油路?是在下降时的回油路上加吗?
回复

使用道具 举报

您需要登录后才可以回帖 登录 | 立即注册

本版积分规则