搜索
汉力达液压金币充值官方微信群液压资料下载
查看: 10424|回复: 11

回转缓冲和平衡阀

[复制链接]
  • 打卡等级:无名新人
  • 打卡总天数:1
  • 打卡总奖励:10
发表于 2015-5-6 09:41:53 | 显示全部楼层 |阅读模式
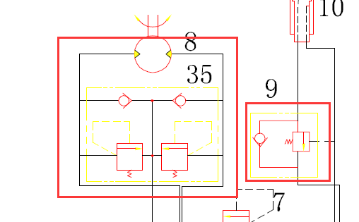
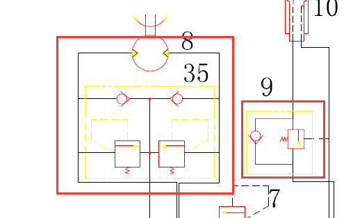
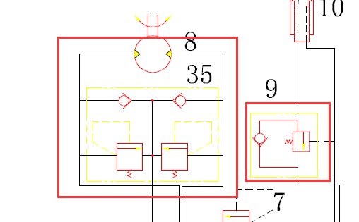
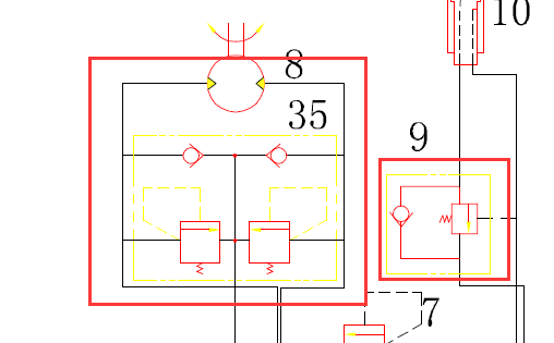
请问大神可不可以指导一下缓冲补油回路和平衡阀回路如何仿真,,我建的模型正确么,怎么都卡着不动,

回转缓冲和平衡阀

回转缓冲和平衡阀

回转缓冲和平衡阀

回转缓冲和平衡阀
  • 打卡等级:常驻居民
  • 打卡总天数:365
  • 打卡总奖励:2062
发表于 2015-5-6 10:18:21 | 显示全部楼层
这个问题无法回答,正不正确没有结构和原理图神也难判断,这是其一;其二,卡着不动,就凭这个截图也是无法判断!望楼主多看看如何发帖请教,我发过教大家如何发帖请教!你发的帖子得有哪些内容、你要问什么、你已经做了哪些内容等等!
回复

使用道具 举报

  • 打卡等级:无名新人
  • 打卡总天数:1
  • 打卡总奖励:10
 楼主| 发表于 2015-5-6 11:18:43 | 显示全部楼层
醉乐清风 发表于 2015-5-6 10:18
这个问题无法回答,正不正确没有结构和原理图神也难判断,这是其一;其二,卡着不动,就凭这个截图也是无法 ...

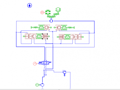
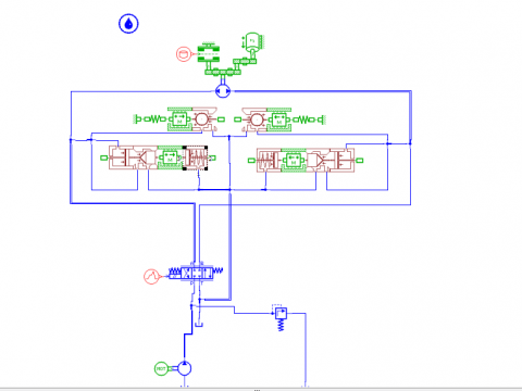
hcd模型是按着论文搭建的,是参照论文里参数搭建,把参数都确定了,但是仿真不能进行,主要是怎么调整参数来实现仿真结果。对于这些元件的参数选取我不懂。

原理图

原理图

点评

呵呵,这个啊,挖掘机回转马达的安全阀,力士乐的那个  详情 回复 发表于 2015-5-6 13:47
回复

使用道具 举报

  • 打卡等级:常驻居民
  • 打卡总天数:365
  • 打卡总奖励:2062
发表于 2015-5-6 13:47:42 | 显示全部楼层
qwe1300671 发表于 2015-5-6 11:18
hcd模型是按着论文搭建的,是参照论文里参数搭建,把参数都确定了,但是仿真不能进行,主要是怎么调整参 ...

呵呵,这个啊,挖掘机回转马达的安全阀,力士乐的那个
回复

使用道具 举报

  • 打卡等级:常驻居民
  • 打卡总天数:365
  • 打卡总奖励:2062
发表于 2015-5-6 14:17:18 | 显示全部楼层
而且,这个阀我是看着论文来做的,结合实际结构和原理图,当然结构图是有的!而且样本也有,结构图在论坛上有,我上传了!看看这两个帖子:
二级缓冲溢流阀MHDBN-64602样本
https://www.iyeya.cn/thread-25329-1-1.html
问题:二级缓冲溢流阀动作原理过程详细请教
https://www.iyeya.cn/thread-23333-1-1.html

关于液压的应用知识,我建议你加这个群:Hydraulic&Technology 221285308


回复

使用道具 举报

  • 打卡等级:无名新人
  • 打卡总天数:1
  • 打卡总奖励:1
发表于 2015-5-6 19:19:55 | 显示全部楼层
可以把信息给我 我可以帮你弄
回复

使用道具 举报

  • 打卡等级:无名新人
  • 打卡总天数:1
  • 打卡总奖励:10
 楼主| 发表于 2015-5-6 21:32:55 | 显示全部楼层
醉乐清风 发表于 2015-5-6 14:17
而且,这个阀我是看着论文来做的,结合实际结构和原理图,当然结构图是有的!而且样本也有,结构图在论坛上 ...

恩恩,谢谢,这个二级缓冲溢流阀动作与我所传的图上的缓冲补油装置貌似不一样,我的是由两个过载溢流阀和两个单向阀组成的。。
群已加,多谢!

点评

给你看的结构,其实是过载溢流阀!补油阀的话用单向阀代替即可!  详情 回复 发表于 2015-5-6 22:10
单向阀是补油作用防止吸空,过载溢流阀和补油阀是分开的,当然建模时也要分开来建!你的系统原理图是很常见的了,这一般是小挖上的回转马达,这种马达上没有防回转阀,所以简单了许多!  详情 回复 发表于 2015-5-6 22:09
回复

使用道具 举报

  • 打卡等级:无名新人
  • 打卡总天数:1
  • 打卡总奖励:10
 楼主| 发表于 2015-5-6 21:33:29 | 显示全部楼层
sww189 发表于 2015-5-6 19:19
可以把信息给我 我可以帮你弄

多谢指点,求留qq
回复

使用道具 举报

  • 打卡等级:常驻居民
  • 打卡总天数:365
  • 打卡总奖励:2062
发表于 2015-5-6 22:09:05 | 显示全部楼层
qwe1300671 发表于 2015-5-6 21:32
恩恩,谢谢,这个二级缓冲溢流阀动作与我所传的图上的缓冲补油装置貌似不一样,我的是由两个过载溢流阀和 ...

单向阀是补油作用防止吸空,过载溢流阀和补油阀是分开的,当然建模时也要分开来建!你的系统原理图是很常见的了,这一般是小挖上的回转马达,这种马达上没有防回转阀,所以简单了许多!
回复

使用道具 举报

  • 打卡等级:常驻居民
  • 打卡总天数:365
  • 打卡总奖励:2062
发表于 2015-5-6 22:10:17 | 显示全部楼层
qwe1300671 发表于 2015-5-6 21:32
恩恩,谢谢,这个二级缓冲溢流阀动作与我所传的图上的缓冲补油装置貌似不一样,我的是由两个过载溢流阀和 ...

给你看的结构,其实是过载溢流阀!补油阀的话用单向阀代替即可!
回复

使用道具 举报

您需要登录后才可以回帖 登录 | 立即注册

本版积分规则