搜索
金币充值液压资料下载官方微信群
查看: 7306|回复: 10

求教液压系统故障问题

[复制链接]
  • 打卡等级:无名新人
  • 打卡总天数:3
  • 打卡总奖励:18
发表于 2015-7-11 19:01:35 | 显示全部楼层 |阅读模式
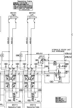
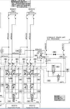
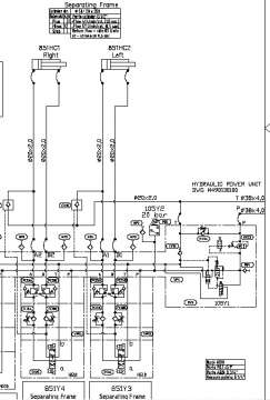
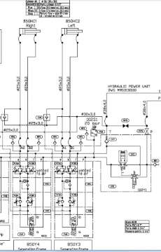
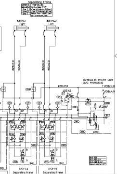
如图1是原有的液压系统原理图,图2是参照其他系统更改过后的液压系统原理图。主要改变的地方就是相对于图1,在平衡阀和换向阀之间增加了一个VM4或VM6的液压阀,但是增加该阀后出现了以下情况:
1. 增加了该阀后, 油缸无法动作,无论是前进后退均不能动作
2. 调换了油缸的进出口油管后,油缸可以伸出,但是无法后退

我的问题如下:
1. 增加的这个阀单元VM4 or VM6是什么阀,起到什么作用?有什么品牌有这种阀
2. 出现上述情况的原因是什么?怎样才能解决这个问题

望各位大神能不吝赐教!
膜拜,谢谢!

求教液压系统故障问题

求教液压系统故障问题

图2 改后的液压系统

图2 改后的液压系统
  • 打卡等级:初来乍到
  • 打卡总天数:31
  • 打卡总奖励:75
发表于 2015-7-13 00:08:15 | 显示全部楼层
那是先导关闭止回阀,可产生差动效果,增加伸出速度,但要提高压力及加大油管。楼主可试试去除平衡阀,若去除平衡阀及增大压力可增加速度,则代表要更换流量更大的平衡阀。
回复

使用道具 举报

  • 打卡等级:无名新人
  • 打卡总天数:5
  • 打卡总奖励:38
发表于 2015-7-13 07:03:16 | 显示全部楼层
游大侠说的在理,应该是需要更换流量更大的平衡阀。两腔的都得换
回复

使用道具 举报

  • 打卡等级:无名新人
  • 打卡总天数:3
  • 打卡总奖励:18
 楼主| 发表于 2015-7-13 08:10:00 | 显示全部楼层
多谢指教!{:7_274:}
回复

使用道具 举报

  • 打卡等级:初来乍到
  • 打卡总天数:32
  • 打卡总奖励:234
发表于 2015-7-13 09:13:20 | 显示全部楼层
我有不同意见,我觉得主要是楼主系统的压力不够用差动来推动这个负载(由于有效作用面积变小,推动相同负载,差动所需的压力约是原压力的两倍多),所以差动的时候推不动,而把油缸油管对调之后,伸出来的方向不是差动了,所以可以动作了。而这时换向再缩回去的时候,是差动,其受力方向是伸出来,当然不能缩回去了。至于调油管之前,两个方向都动不了,有两个可能。一是油缸在最里面的位置,差动压力不够,伸不出来,而缩回去的方向又因它在最里面,已经顶到缸底了,当然没动作。二是加装的液控单向阀的开启压力比无杆腔平衡阀的开启压力低,导致该阀先开启回油到油箱了都还打不开平衡阀。
回复

使用道具 举报

  • 打卡等级:初来乍到
  • 打卡总天数:32
  • 打卡总奖励:234
发表于 2015-7-13 09:30:58 | 显示全部楼层
至于说平衡阀流量不够,个人觉得还不至于完全动不了。差动时,有杆腔回油量是原来的两三倍,如果平衡阀流量不够大,是会导致有杆腔回油的压力被平衡阀节流升压,升高到有杆腔反推力与负载之和能抵消无杆腔推力时,负载动不了,而一旦负载不动了,因两个腔是连通的,其压力又马上相等,又会能推动负载。所以,个人觉得平衡阀通径太小,只会出现爬行,走走停停,但不会完全动不了。应该还是系统压力不够。
回复

使用道具 举报

  • 打卡等级:初来乍到
  • 打卡总天数:32
  • 打卡总奖励:234
发表于 2015-7-13 09:32:09 | 显示全部楼层
游勇 发表于 2015-7-13 00:08
那是先导关闭止回阀,可产生差动效果,增加伸出速度,但要提高压力及加大油管。楼主可试试去除平衡阀,若去 ...

我有不同意见,我觉得主要是楼主系统的压力不够用差动来推动这个负载(由于有效作用面积变小,推动相同负载,差动所需的压力约是原压力的两倍多),所以差动的时候推不动,而把油缸油管对调之后,伸出来的方向不是差动了,所以可以动作了。而这时换向再缩回去的时候,是差动,其受力方向是伸出来,当然不能缩回去了。至于调油管之前,两个方向都动不了,有两个可能。一是油缸在最里面的位置,差动压力不够,伸不出来,而缩回去的方向又因它在最里面,已经顶到缸底了,当然没动作。二是加装的液控单向阀的开启压力比无杆腔平衡阀的开启压力低,导致该阀先开启回油到油箱了都还打不开平衡阀。
至于说平衡阀流量不够,个人觉得还不至于完全动不了。差动时,有杆腔回油量是原来的两三倍,如果平衡阀流量不够大,是会导致有杆腔回油的压力被平衡阀节流升压,升高到有杆腔反推力与负载之和能抵消无杆腔推力时,负载动不了,而一旦负载不动了,因两个腔是连通的,其压力又马上相等,又会能推动负载。所以,个人觉得平衡阀通径太小,只会出现爬行,走走停停,但不会完全动不了。应该还是系统压力不够。

点评

也有可能是叠加平衡阀要重新调整。  详情 回复 发表于 2015-7-13 21:53
回复

使用道具 举报

  • 打卡等级:无名新人
  • 打卡总天数:3
  • 打卡总奖励:18
 楼主| 发表于 2015-7-13 09:34:44 | 显示全部楼层
游勇 发表于 2015-7-13 00:08
那是先导关闭止回阀,可产生差动效果,增加伸出速度,但要提高压力及加大油管。楼主可试试去除平衡阀,若去 ...

游大侠,是不是说之前出现油缸动作不了或伸出无法收回就是因为压力不足或平衡阀流量不足导致? 那将系统中的调速阀调大是否可行? 这种先导关闭止回阀有哪些品牌

点评

值得一试。  详情 回复 发表于 2015-7-13 21:48
回复

使用道具 举报

  • 打卡等级:无名新人
  • 打卡总天数:3
  • 打卡总奖励:18
 楼主| 发表于 2015-7-13 10:02:22 | 显示全部楼层
junfanhydraulic 发表于 2015-7-13 09:30
至于说平衡阀流量不够,个人觉得还不至于完全动不了。差动时,有杆腔回油量是原来的两三倍,如果平衡阀流量 ...

那请问jun神,如何才能解决这个问题呢,提升系统压力么?
回复

使用道具 举报

  • 打卡等级:初来乍到
  • 打卡总天数:31
  • 打卡总奖励:75
发表于 2015-7-13 21:48:07 | 显示全部楼层
tyarist 发表于 2015-7-13 09:34
游大侠,是不是说之前出现油缸动作不了或伸出无法收回就是因为压力不足或平衡阀流量不足导致? 那将系统 ...

值得一试。
回复

使用道具 举报

您需要登录后才可以回帖 登录 | 立即注册

本版积分规则