搜索
汉力达液压金币充值官方微信群液压资料下载
查看: 14146|回复: 39

求助

  [复制链接]
  • 打卡等级:偶尔看看
  • 打卡总天数:146
  • 打卡总奖励:450
发表于 2016-9-21 13:39:53 | 显示全部楼层 |阅读模式
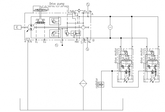
求大神指点大体的工作原理

求助

求助
  • 打卡等级:无名新人
  • 打卡总天数:5
  • 打卡总奖励:6
发表于 2016-9-21 15:24:26 | 显示全部楼层
一个力士乐的液控变量闭式泵驱动两个并联的变量马达,变量马达分别带平衡阀(平衡阀里的单向阀方向画反了)和刹车解除功能
回复

使用道具 举报

  • 打卡等级:无名新人
  • 打卡总天数:5
  • 打卡总奖励:6
发表于 2016-9-21 15:25:10 | 显示全部楼层
另外,哥们你是搞石油机械的???这个是注入头的????
回复

使用道具 举报

  • 打卡等级:偶尔看看
  • 打卡总天数:146
  • 打卡总奖励:450
 楼主| 发表于 2016-9-21 15:47:19 | 显示全部楼层
zhanghaibowin 发表于 2016-9-21 15:25
另外,哥们你是搞石油机械的???这个是注入头的????

加个好友qq756053872
回复

使用道具 举报

  • 打卡等级:偶尔看看
  • 打卡总天数:146
  • 打卡总奖励:450
 楼主| 发表于 2016-9-21 15:52:01 | 显示全部楼层
可以留个联系方式吗
回复

使用道具 举报

  • 打卡等级:常驻居民
  • 打卡总天数:349
  • 打卡总奖励:1339
发表于 2016-9-21 16:16:04 | 显示全部楼层
典型的闭式系统,用在哪里的?
回复

使用道具 举报

  • 打卡等级:无名新人
  • 打卡总天数:5
  • 打卡总奖励:6
发表于 2016-9-21 16:30:06 | 显示全部楼层
zkm 发表于 2016-9-21 15:52
可以留个联系方式吗

zhb20665887我的微信号....
回复

使用道具 举报

  • 打卡等级:偶尔看看
  • 打卡总天数:146
  • 打卡总奖励:450
 楼主| 发表于 2016-9-21 16:49:49 | 显示全部楼层
lygbeyondgod 发表于 2016-9-21 16:16
典型的闭式系统,用在哪里的?

闭式系统?!                                          
回复

使用道具 举报

  • 打卡等级:偶尔看看
  • 打卡总天数:99
  • 打卡总奖励:105
发表于 2016-9-22 10:35:39 | 显示全部楼层
可以用在车辆行走
回复

使用道具 举报

  • 打卡等级:偶尔看看
  • 打卡总天数:99
  • 打卡总奖励:105
发表于 2016-9-22 10:36:31 | 显示全部楼层
不仅仅是适用行业吧 这是个很简单的力士乐闭式系统
回复

使用道具 举报

您需要登录后才可以回帖 登录 | 立即注册

本版积分规则