搜索
汉力达液压金币充值官方微信群液压资料下载
查看: 21394|回复: 11

[培训] 哈威负载敏感阀原理动画

  [复制链接]
  • 打卡等级:无名新人
  • 打卡总天数:3
  • 打卡总奖励:11
发表于 2017-9-15 20:03:45 | 显示全部楼层 |阅读模式
本帖最后由 LO静水流深VE 于 2017-9-15 23:22 编辑


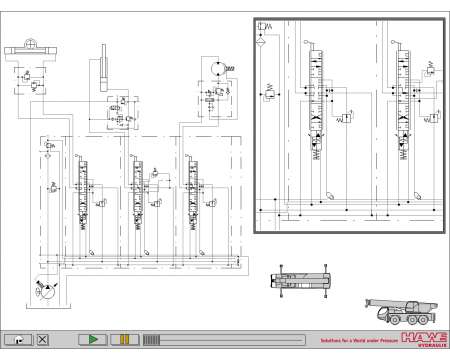
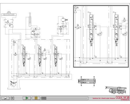
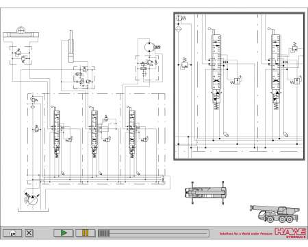
哈威的负载敏感阀原理介绍,浅显易懂,有兴趣的下载看看。

哈威负载敏感阀原理介绍

哈威负载敏感阀原理介绍

哈威负载敏感阀动画.rar

1.27 MB, 下载次数: 1581

售价: 5 金钱  [记录]

哈威负载敏感阀原理介绍

  • 打卡等级:常驻居民
  • 打卡总天数:575
  • 打卡总奖励:1682
发表于 2017-9-16 20:56:15 | 显示全部楼层
file:///C:/Users/Administrator/Desktop/QQ%E5%9B%BE%E7%89%8720170916205523.png
油缸平衡阀上面还有个阀不明白什么用途,有明白的介绍一下。
QQ图片20170916205523.png
回复

使用道具 举报

  • 打卡等级:无名新人
  • 打卡总天数:29
  • 打卡总奖励:82
发表于 2017-9-16 22:51:04 | 显示全部楼层
实在的不行,Mark一下
回复

使用道具 举报

发表于 2017-11-8 23:14:58 | 显示全部楼层
没讲解啊看不太明白
回复

使用道具 举报

  • 打卡等级:无名新人
  • 打卡总天数:3
  • 打卡总奖励:17
发表于 2017-11-12 21:07:45 | 显示全部楼层
资料确实是很好,便于理解
回复

使用道具 举报

发表于 2017-11-21 09:46:29 | 显示全部楼层
资料很好,值得学习!
回复

使用道具 举报

发表于 2018-8-21 09:36:45 | 显示全部楼层
实在是太感谢,因为工作需要,时隔十年后要重拾液压传动
回复

使用道具 举报

  • 打卡等级:初来乍到
  • 打卡总天数:36
  • 打卡总奖励:94
发表于 2019-2-26 12:59:51 | 显示全部楼层
资料确实是很好,便于理解
回复

使用道具 举报

发表于 2019-11-29 12:58:48 | 显示全部楼层
最近再学哈威阀,,,,
回复

使用道具 举报

  • 打卡等级:即来则安
  • 打卡总天数:243
  • 打卡总奖励:673
发表于 2021-5-9 13:53:39 | 显示全部楼层
下载 学习下
回复

使用道具 举报

您需要登录后才可以回帖 登录 | 立即注册

本版积分规则