搜索
汉力达液压金币充值官方微信群液压资料下载
查看: 7706|回复: 11

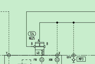
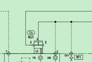
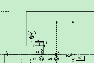
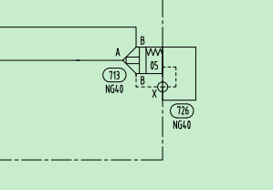
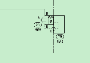
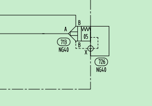
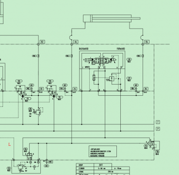
各位老师看看这图原理是什么 这两个是什么阀 是只能A到B吗

[复制链接]
  • 打卡等级:无名新人
  • 打卡总天数:2
  • 打卡总奖励:4
发表于 2017-12-2 21:11:29 | 显示全部楼层 |阅读模式
各位老师看看这图原理是什么
下面这两个阀是类似单向阀吗 油只能A到B吗 什么情况才能B到A呢

各位老师看看这图原理是什么 这两个是什么阀 是只能A到B吗

各位老师看看这图原理是什么 这两个是什么阀 是只能A到B吗

各位老师看看这图原理是什么 这两个是什么阀 是只能A到B吗

各位老师看看这图原理是什么 这两个是什么阀 是只能A到B吗

各位老师看看这图原理是什么 这两个是什么阀 是只能A到B吗

各位老师看看这图原理是什么 这两个是什么阀 是只能A到B吗
  • 打卡等级:论坛老炮
  • 打卡总天数:1461
  • 打卡总奖励:2845
发表于 2017-12-2 21:53:40 | 显示全部楼层
一个是单向阀,一个是减压阀
回复

使用道具 举报

  • 打卡等级:无名新人
  • 打卡总天数:2
  • 打卡总奖励:4
 楼主| 发表于 2017-12-3 14:08:23 | 显示全部楼层
ameng 发表于 2017-12-2 21:53
一个是单向阀,一个是减压阀

724是减压阀吗
回复

使用道具 举报

  • 打卡等级:无名新人
  • 打卡总天数:14
  • 打卡总奖励:14
发表于 2017-12-3 15:16:38 | 显示全部楼层

724是插装式减压阀
回复

使用道具 举报

  • 打卡等级:无名新人
  • 打卡总天数:14
  • 打卡总奖励:14
发表于 2017-12-3 15:46:05 | 显示全部楼层
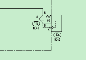
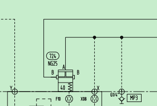
271是压力补偿器,请问下红圈内该压力补偿器的型号为?
210627clyyhm3ymzp15u3p.png
回复

使用道具 举报

  • 打卡等级:无名新人
  • 打卡总天数:2
  • 打卡总奖励:4
 楼主| 发表于 2017-12-3 16:36:03 | 显示全部楼层
行者hydraulic 发表于 2017-12-3 15:46
271是压力补偿器,请问下红圈内该压力补偿器的型号为?

zdc 25 p-21/m
老师 可以说一下这张图的原理吗 一直看不懂
回复

使用道具 举报

发表于 2017-12-3 19:55:45 | 显示全部楼层
713是液控单向阀
回复

使用道具 举报

  • 打卡等级:以坛为家
  • 打卡总天数:764
  • 打卡总奖励:2260
发表于 2017-12-4 10:12:40 | 显示全部楼层
1、比例方向阀加装压力补偿器,使方向阀阀的流量免受负载变化影响,只与阀开口大小有关
2、A口串接单向减压阀
回复

使用道具 举报

  • 打卡等级:无名新人
  • 打卡总天数:14
  • 打卡总奖励:14
发表于 2017-12-4 11:10:10 | 显示全部楼层
请问比例方向阀270的型号是?

回复

使用道具 举报

  • 打卡等级:无名新人
  • 打卡总天数:2
  • 打卡总奖励:4
 楼主| 发表于 2017-12-8 16:47:11 | 显示全部楼层
行者hydraulic 发表于 2017-12-4 11:10
请问比例方向阀270的型号是?


164710p7x555if5wnr5t7f.jpg
回复

使用道具 举报

您需要登录后才可以回帖 登录 | 立即注册

本版积分规则