搜索
汉力达液压金币充值官方微信群液压资料下载
查看: 1714|回复: 12

逻辑阀

[复制链接]
  • 打卡等级:无名新人
  • 打卡总天数:1
  • 打卡总奖励:2
发表于 2024-2-26 17:23:33 | 显示全部楼层 |阅读模式
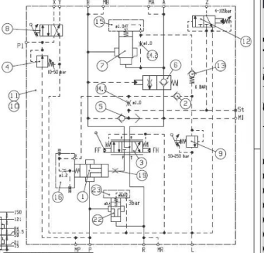
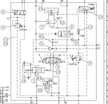
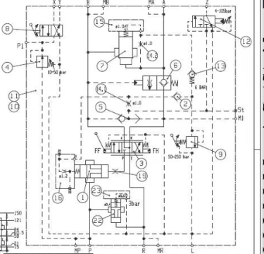
请问,22和23项的阀起什么作用。
1708939282760.png
  • 打卡等级:即来则安
  • 打卡总天数:292
  • 打卡总奖励:301
发表于 2024-2-27 17:04:42 来自手机 | 显示全部楼层
大流量二通插装阀,带盖板,推测是泄荷功能
回复

使用道具 举报

  • 打卡等级:无名新人
  • 打卡总天数:1
  • 打卡总奖励:2
 楼主| 发表于 2024-2-28 13:59:43 | 显示全部楼层
erni 发表于 2024-2-27 17:04
大流量二通插装阀,带盖板,推测是泄荷功能

那系统压力不是建立不起来吗?
回复

使用道具 举报

  • 打卡等级:以坛为家
  • 打卡总天数:786
  • 打卡总奖励:1325
发表于 2024-2-28 16:35:59 | 显示全部楼层
单向阀,补油用的
回复

使用道具 举报

  • 打卡等级:论坛老炮
  • 打卡总天数:980
  • 打卡总奖励:1694
发表于 2024-3-14 15:58:39 来自手机 | 显示全部楼层
22减压阀用法很怪,得把全图发出来才知道为什么这样画
回复

使用道具 举报

  • 打卡等级:偶尔看看
  • 打卡总天数:66
  • 打卡总奖励:158
发表于 2024-3-14 17:07:10 | 显示全部楼层
22和1都是减压阀插件,减压阀插件是二通插装阀中唯一的滑阀结构插件。
回复

使用道具 举报

  • 打卡等级:论坛老炮
  • 打卡总天数:962
  • 打卡总奖励:3214
发表于 2024-3-15 08:59:44 | 显示全部楼层
分析原理是保持R口有个3bar的背压,防止排空。

点评

看起来是这样  发表于 2024-3-20 16:15
回复

使用道具 举报

  • 打卡等级:无名新人
  • 打卡总天数:1
  • 打卡总奖励:2
 楼主| 发表于 2024-3-20 11:08:24 | 显示全部楼层
zzfjct 发表于 2024-3-14 17:07
22和1都是减压阀插件,减压阀插件是二通插装阀中唯一的滑阀结构插件。

那P口不是直接回油了?

点评

22这是减压阀,R口应该还有一个背压阀(定值)或者溢流阀,维持压力  发表于 2024-3-20 15:48
回复

使用道具 举报

  • 打卡等级:无名新人
  • 打卡总天数:1
  • 打卡总奖励:2
 楼主| 发表于 2024-3-20 11:10:14 | 显示全部楼层
1648183658 发表于 2024-3-14 15:58
22减压阀用法很怪,得把全图发出来才知道为什么这样画

这就是全图
回复

使用道具 举报

  • 打卡等级:以坛为家
  • 打卡总天数:695
  • 打卡总奖励:1110
发表于 2024-3-20 16:03:22 | 显示全部楼层
这个油路复杂
1是减压阀(插装式),9在调压。
22是减压阀(插装式),定值3bar。
7控制B口压力,是溢流阀(插装式),也是9(?)在调压。超压后往A口泄压。
12 不确定,感觉是A B口的溢流阀
4、8处简单。
回复

使用道具 举报

您需要登录后才可以回帖 登录 | 立即注册

本版积分规则