搜索
汉力达液压金币充值官方微信群液压资料下载
查看: 1747|回复: 11

电液换向阀,如何加减压阀?

[复制链接]
发表于 2024-5-4 10:04:45 | 显示全部楼层 |阅读模式
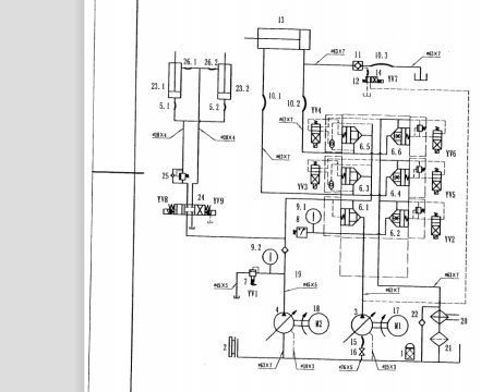
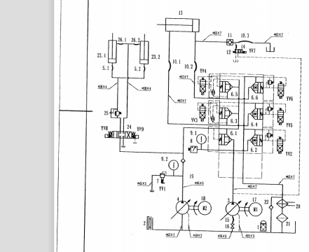
液压缸控制为电液换向阀,由于头压力太大,流量大。废纸打包机开门关门时冲击严重。无法调压和调速,想在现有的基础上加装减压阀和节流阀,减小油液压力冲击。实际没有25这个阀块
f75148feaab6c88cb65dee0870d0fee.png
  • 打卡等级:以坛为家
  • 打卡总天数:672
  • 打卡总奖励:1078
发表于 2024-5-4 14:05:35 | 显示全部楼层
加装叠加式节流阀和减压阀。
回复

使用道具 举报

  • 打卡等级:论坛老炮
  • 打卡总天数:972
  • 打卡总奖励:1686
发表于 2024-5-4 15:34:17 来自手机 | 显示全部楼层
    加上先导换向节流阀,顺便把图里25的叠加平衡阀装上试试
回复

使用道具 举报

  • 打卡等级:常驻居民
  • 打卡总天数:385
  • 打卡总奖励:872
发表于 2024-5-7 09:26:00 | 显示全部楼层
叠加式节流阀和减压阀
回复

使用道具 举报

  • 打卡等级:无名新人
  • 打卡总天数:6
  • 打卡总奖励:6
发表于 2024-5-8 09:35:40 | 显示全部楼层
也可以选带减压功能的换向阀
回复

使用道具 举报

  • 打卡等级:无名新人
  • 打卡总天数:24
  • 打卡总奖励:24
发表于 2024-5-10 15:07:21 | 显示全部楼层
看图显示它用的变量泵,不能改变泵的输出以减小冲击吗?YV3和YV4起什么作用,旁边那个菱形是梭阀吗?
回复

使用道具 举报

  • 打卡等级:无名新人
  • 打卡总天数:24
  • 打卡总奖励:24
发表于 2024-5-10 15:08:49 | 显示全部楼层
YV3和YV4起什么作用,它旁边菱形的是梭阀吗?请明白人讲讲工作原理
回复

使用道具 举报

  • 打卡等级:偶尔看看
  • 打卡总天数:66
  • 打卡总奖励:158
发表于 2024-5-11 20:09:49 | 显示全部楼层
废纸压缩属于有储能作用的压缩释放,不能用瞬时释放来解决,必须用慢释放形式。
曾多年制造纺织品压缩打包机,工况条件与废纸压缩打包基本相同。
1,将二通插装阀系统配套的带电磁溢流阀功能的拟泄压腔回油阀换成比例溢流阀,换向时先供给比例溢流阀按一定斜率下降的控制信号实现泄压(下降斜率可调),这是最快最完善的泄压方案。
2,采用主阀通径面积1/10左右的电磁换向阀,并联于上述泄压腔回油阀,换向时电磁换向阀先于主阀数秒开启(开启时间可调),然后主阀开启实现换向,这是一种经济有效的储能压力释放方式。
回复

使用道具 举报

  • 打卡等级:常驻居民
  • 打卡总天数:445
  • 打卡总奖励:585
发表于 2024-5-20 11:28:03 | 显示全部楼层
1648183658 发表于 2024-5-4 15:34
加上先导换向节流阀,顺便把图里25的叠加平衡阀装上试试

25看符号控制形式是内控顺序阀,在这里应该是油缸下腔背压阀吧
回复

使用道具 举报

  • 打卡等级:初来乍到
  • 打卡总天数:42
  • 打卡总奖励:48
发表于 2024-5-28 11:08:17 | 显示全部楼层
在油缸进油口和回油按照管式节流阀呢
回复

使用道具 举报

您需要登录后才可以回帖 登录 | 立即注册

本版积分规则