搜索
汉力达液压金币充值官方微信群液压资料下载
查看: 1603|回复: 11

力士乐A10VSO的DRG控制,泵的压力到底有X口决定还是DR决定

[复制链接]
发表于 2025-4-22 17:52:38 | 显示全部楼层 |阅读模式
本帖最后由 江湖浪子 于 2025-4-22 17:55 编辑

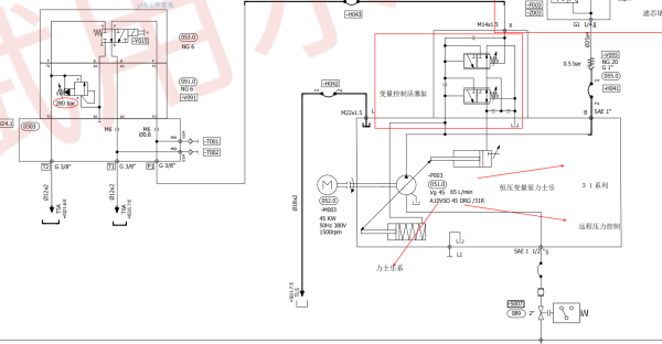
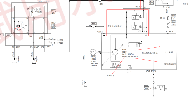
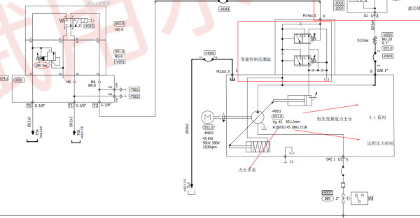
屏幕截图 2025-04-22 174958.png 请教下各位大佬,现在的表显示压力是280bar,这个泵的压力到底由谁决定,由压力切断阀还是X口溢流阀决定,没有搞懂DRG控制方式
回复

使用道具 举报

  • 打卡等级:无名新人
  • 打卡总天数:14
  • 打卡总奖励:14
发表于 2025-4-24 21:23:45 | 显示全部楼层
泵的压力到底有X口相连接的溢流阀决定,泵头上的DR比溢流阀的设定压力约高个10%并作安全阀使用
回复

使用道具 举报

  • 打卡等级:常驻居民
  • 打卡总天数:327
  • 打卡总奖励:416
发表于 2025-4-25 08:38:00 | 显示全部楼层
X口属于远程调压口,X口压力应低于泵自身压力切断的压力;
回复

使用道具 举报

  • 打卡等级:常驻居民
  • 打卡总天数:327
  • 打卡总奖励:416
发表于 2025-4-25 08:39:44 | 显示全部楼层
A10V泵最大工作压力280bar,X口设定压力也是280bar ,个人感觉不太合理  应该低于280bar
回复

使用道具 举报

 楼主| 发表于 2025-4-28 18:50:38 | 显示全部楼层
泛舟 发表于 2025-4-24 21:23
泵的压力到底有X口相连接的溢流阀决定,泵头上的DR比溢流阀的设定压力约高个10%并作安全阀使用 ...

G阀是由压差控制的吗?溢流阀溢流时候G阀是不是切断了
回复

使用道具 举报

 楼主| 发表于 2025-4-28 18:51:10 | 显示全部楼层
a343740703 发表于 2025-4-25 08:38
X口属于远程调压口,X口压力应低于泵自身压力切断的压力;

感谢大佬回复
回复

使用道具 举报

 楼主| 发表于 2025-5-2 21:30:39 | 显示全部楼层
泛舟 发表于 2025-4-24 21:23
泵的压力到底有X口相连接的溢流阀决定,泵头上的DR比溢流阀的设定压力约高个10%并作安全阀使用 ...

如果溢流阀不进行溢流此时泵的压力是不是由DR阀或者负载决定最高压力
回复

使用道具 举报

 楼主| 发表于 2025-5-2 21:34:28 | 显示全部楼层
有没有大佬能详细讲下DRG控制方式
回复

使用道具 举报

  • 打卡等级:无名新人
  • 打卡总天数:18
  • 打卡总奖励:44
发表于 2025-5-3 18:04:51 | 显示全部楼层
DR是泵自身切断的压力
回复

使用道具 举报

  • 打卡等级:无名新人
  • 打卡总天数:1
  • 打卡总奖励:1
发表于 2025-5-5 11:53:42 | 显示全部楼层
泵的最高输出压力由压力切断DR阀或压差FR阀+外部溢流阀(280bar)的和值的最低者确定。
回复

使用道具 举报

您需要登录后才可以回帖 登录 | 立即注册

本版积分规则