设为首页
收藏本站
所有帖子
关于我们
联系我们
微信群
开启辅助访问
搜索
搜索
本版
用户
门户
Portal
资讯
液压资讯
观点
观点
产品
液压产品
技术
液压技术
合集
导读
Guide
下载
签到
金币
论坛
BBS
登录
立即注册
腾讯QQ
账号
自动登录
找回密码
密码
登录
立即注册
只需一步,快速开始
好友
动态
收藏
分享
帖子
日志
记录
相册
留言板
勋章
任务
道具
设置
退出
液压圈
»
论坛
›
液压元件
›
插装阀
›
寻求认识的这个阀的厂家
负载敏感资料下载
|
液压培训资料下载
|
液压样本下载
|
AMESim资料下载
|
力士乐资料下载
|
挖掘机资料下载
|
标准资料下载
|
多路阀资料下载
1
2
/ 2 页
下一页
返回列表
查看:
1480
|
回复:
13
寻求认识的这个阀的厂家
[复制链接]
pingfanzhifu
pingfanzhifu
当前离线
积分
144
注册时间
2012-5-8
最后登录
1970-1-1
IP卡
狗仔卡
打卡等级:偶尔看看
打卡总天数:171
打卡总奖励:494
发表于 2025-10-17 13:34:47
|
显示全部楼层
|
阅读模式
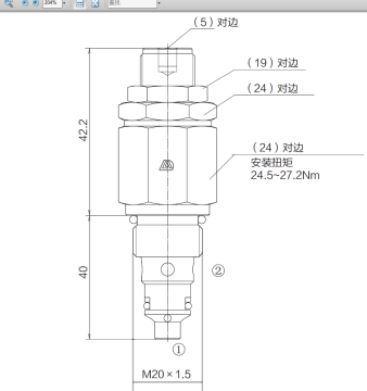
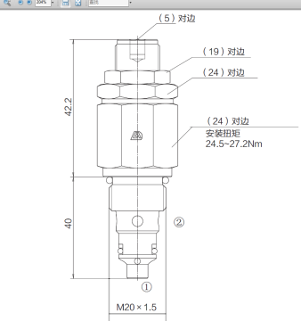
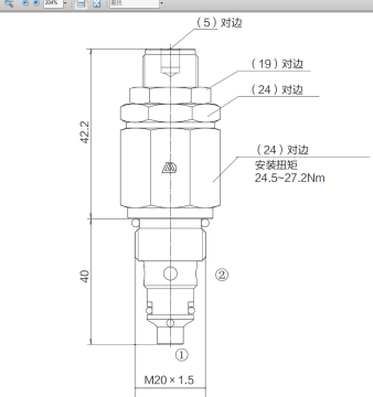
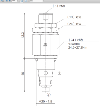
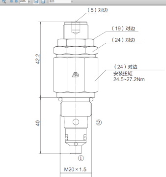
哪位大佬认识这过载阀是哪家生产的,螺纹是M20*1.5的,希望提供线索
回复
使用道具
举报
提升卡
置顶卡
变色卡
lylnamea
lylnamea
当前离线
积分
239
注册时间
2014-10-2
最后登录
1970-1-1
IP卡
狗仔卡
打卡等级:即来则安
打卡总天数:258
打卡总奖励:315
发表于 2025-10-18 08:49:34
|
显示全部楼层
阀上标识或文字展示一下
回复
使用道具
举报
enjoyhuang110
enjoyhuang110
当前离线
积分
1143
注册时间
2021-5-29
最后登录
1970-1-1
IP卡
狗仔卡
打卡等级:论坛老炮
打卡总天数:1174
打卡总奖励:1533
发表于 2025-10-18 16:16:42
|
显示全部楼层
这个应该能用,插孔对了就没有问题
这个应该能用的 插孔对了就可以替换
回复
使用道具
举报
清风盼月
清风盼月
当前离线
积分
602
注册时间
2018-3-22
最后登录
1970-1-1
IP卡
狗仔卡
打卡等级:常驻居民
打卡总天数:331
打卡总奖励:378
发表于 2025-10-20 08:07:40
|
显示全部楼层
目测应该是一款溢流阀
回复
使用道具
举报
enjoyhuang110
enjoyhuang110
当前离线
积分
1143
注册时间
2021-5-29
最后登录
1970-1-1
IP卡
狗仔卡
打卡等级:论坛老炮
打卡总天数:1174
打卡总奖励:1533
发表于 2025-10-20 11:20:57
|
显示全部楼层
看这个能否替换
回复
使用道具
举报
dirina
dirina
当前离线
积分
232
注册时间
2011-5-7
最后登录
1970-1-1
IP卡
狗仔卡
打卡等级:初来乍到
打卡总天数:36
打卡总奖励:36
发表于 2025-10-21 09:21:27
|
显示全部楼层
没有型号你等于白说,国产的仿制太多,外形都一样
回复
使用道具
举报
TH小高
TH小高
当前离线
积分
353
注册时间
2017-3-9
最后登录
1970-1-1
IP卡
狗仔卡
打卡等级:常驻居民
打卡总天数:521
打卡总奖励:1380
发表于 2025-10-23 09:36:30
|
显示全部楼层
应该是DBD型?直动式溢流阀,都是这个型号,国内很多生产这个的品牌。对照样本吧,无他
回复
使用道具
举报
匿名
218.71.240.x
匿名
发表于 2025-10-23 16:20:37
我在丹佛斯有看过类似的螺纹插装阀,溢流阀,阀芯是锥阀,螺栓调节,密封挡圈应该有俩个
回复
使用道具
悔悟卡
匿名卡
ztc1026
ztc1026
当前离线
积分
602
注册时间
2023-4-3
最后登录
1970-1-1
IP卡
狗仔卡
打卡等级:常驻居民
打卡总天数:576
打卡总奖励:731
发表于 2025-10-24 21:57:51
|
显示全部楼层
像是DBD直动溢流阀
回复
使用道具
举报
一人一世界
一人一世界
当前离线
积分
96
注册时间
2012-4-21
最后登录
1970-1-1
IP卡
狗仔卡
打卡等级:无名新人
打卡总天数:1
打卡总奖励:1
发表于 2025-10-28 15:14:17
|
显示全部楼层
我们有这款
回复
使用道具
举报
下一页 »
1
2
/ 2 页
下一页
返回列表
高级模式
B
Color
Image
Link
Quote
Code
Smilies
您需要登录后才可以回帖
登录
|
立即注册
本版积分规则
发表回复
回帖后跳转到最后一页
浏览过的版块
液压技术
资料下载
快速回复
返回顶部
返回列表