搜索
汉力达液压金币充值官方微信群液压资料下载
楼主: 游勇

A10VSO..DFR控制原理的中文版

    [复制链接]
  • 打卡等级:初来乍到
  • 打卡总天数:30
  • 打卡总奖励:74
 楼主| 发表于 2015-6-12 19:14:12 | 显示全部楼层
一般变量泵系统还会加个保护溢流阀,这是用来消除尖峯压力的外部溢流阀。若这溢流阀调得太低,变量泵达不到变量压力,油泵便成了定量泵。
回复

使用道具 举报

  • 打卡等级:偶尔看看
  • 打卡总天数:106
  • 打卡总奖励:379
发表于 2015-6-15 08:53:12 | 显示全部楼层
跟各位高手专家学习了,谢谢大家的分享和交流
回复

使用道具 举报

  • 打卡等级:初来乍到
  • 打卡总天数:32
  • 打卡总奖励:234
发表于 2015-6-22 15:51:44 | 显示全部楼层
游勇 发表于 2012-4-24 10:05
罢了同志:
DFR 原来是为了配节流阀用,後来才加上遥距压力控制。

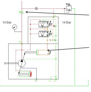
你好,这个图上有两个细节我搞得不是很清楚。DR阀右下角两个节流阀的作用?FR阀和DR阀之间开个支路到两个节流阀之间的作用?请帮忙解惑,谢谢!
回复

使用道具 举报

发表于 2015-7-13 13:12:43 | 显示全部楼层
资料很好,描述的很详细
回复

使用道具 举报

  • 打卡等级:无名新人
  • 打卡总天数:4
  • 打卡总奖励:31
发表于 2015-7-21 14:38:27 | 显示全部楼层
不错的DFRL资料,顶一下。
回复

使用道具 举报

  • 打卡等级:无名新人
  • 打卡总天数:19
  • 打卡总奖励:78
发表于 2015-8-15 11:57:45 | 显示全部楼层
不错
回复

使用道具 举报

  • 打卡等级:偶尔看看
  • 打卡总天数:122
  • 打卡总奖励:208
发表于 2015-8-15 18:40:51 | 显示全部楼层
游勇 发表于 2015-6-12 19:14
一般变量泵系统还会加个保护溢流阀,这是用来消除尖峯压力的外部溢流阀。若这溢流阀调得太低,变量泵达不到 ...

游老师请教一个问题,FR阀右侧液压油油液从哪里回?是通过保护溢流阀回油吗?力士乐样本上为不提供保护溢流阀,是否意味着系统可以不需要该溢流阀,如果无该溢流阀,FR右侧压力油如何回油?谢谢!
l
2015-08-15_184459.png

点评

这是DRG泵,不是DFR。  详情 回复 发表于 2015-8-16 00:34
回复

使用道具 举报

  • 打卡等级:初来乍到
  • 打卡总天数:30
  • 打卡总奖励:74
 楼主| 发表于 2015-8-16 00:34:37 | 显示全部楼层
yehuai2012 发表于 2015-8-15 18:40
游老师请教一个问题,FR阀右侧液压油油液从哪里回?是通过保护溢流阀回油吗?力士乐样本上为不提供保护溢 ...

这是DRG泵,不是DFR。
回复

使用道具 举报

  • 打卡等级:偶尔看看
  • 打卡总天数:122
  • 打卡总奖励:208
发表于 2015-8-16 08:24:21 | 显示全部楼层
游勇 发表于 2015-8-16 00:34
这是DRG泵,不是DFR。

不好意思,图搞错了,那就拿您发的原理图看吧,FR右侧回油是通过溢流阀吗?还有能麻烦您指点下DR,谢谢!
2015-08-16_082757.png

点评

若负载压力低于先导谥流阀设定,溢流阀不会打开,所以液压油不会通过先导溢流阀,而是通过节流子到负载去。  详情 回复 发表于 2015-8-16 20:39
回复

使用道具 举报

  • 打卡等级:偶尔看看
  • 打卡总天数:122
  • 打卡总奖励:208
发表于 2015-8-16 08:27:14 | 显示全部楼层
yehuai2012 发表于 2015-8-16 08:24
不好意思,图搞错了,那就拿您发的原理图看吧,FR右侧回油是通过溢流阀吗?还有能麻烦您指点下DR,谢谢!

还是说右侧×实际是节流孔?
回复

使用道具 举报

您需要登录后才可以回帖 登录 | 立即注册

本版积分规则