- 积分
- 295
- 注册时间
- 2012-2-3
- 最后登录
- 1970-1-1
- 打卡等级:偶尔看看
- 打卡总天数:118
- 打卡总奖励:605
|
发表于 2013-12-31 10:35:10
|
显示全部楼层
游勇 发表于 2013-10-15 16:12 
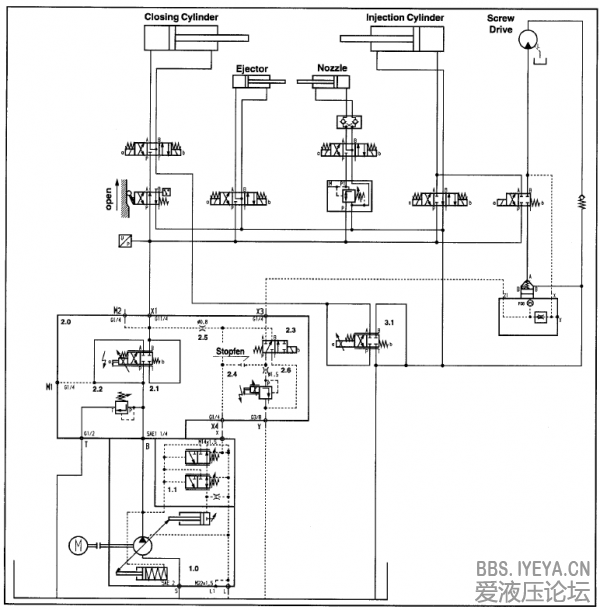
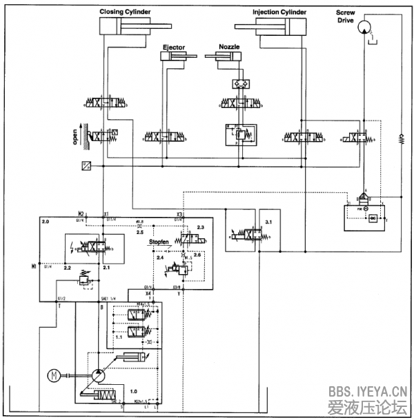
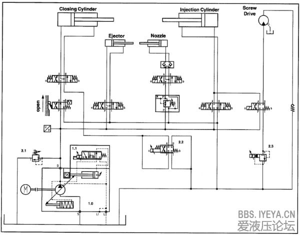
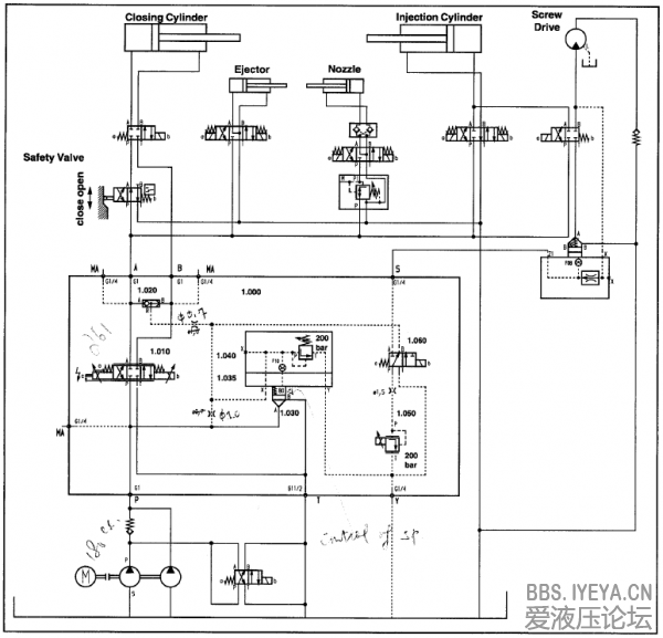
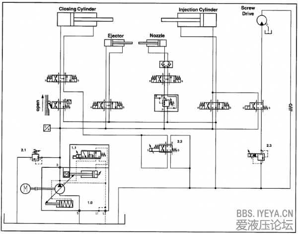
用于120吨锁模力以下的三类不同的压力/流量控制的注塑机:
定量泵
学习了 谢谢分享
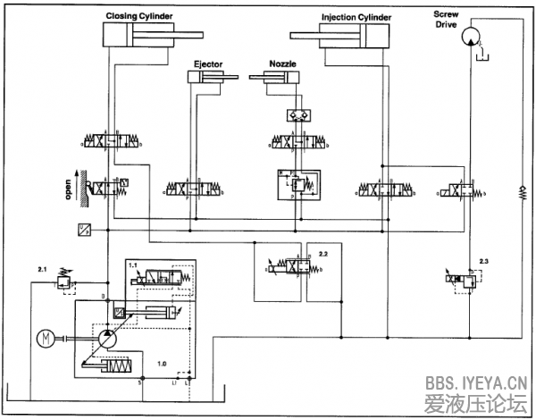
顺便请问一下 我看到原理图中的变量泵应该是力士乐的A4V系列吧 请问别家公司 如派克、vickers等公司的变量泵在注塑机行业的应用情况如何? 有没有什么资料可以参考?
烦请赐教,不胜感谢! |
|