搜索
金币充值液压资料下载官方微信群
楼主: 我爱液压1

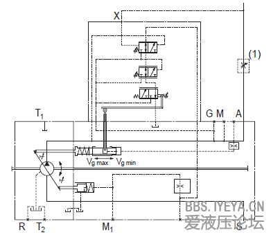
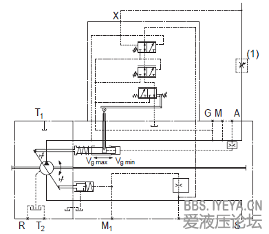
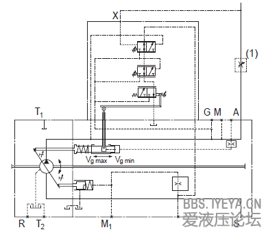
用什么方法可以测A11V0接近零排量,斜盘摆角最小

  [复制链接]
  • 打卡等级:无名新人
  • 打卡总天数:1
  • 打卡总奖励:1
发表于 2013-5-31 19:27:34 | 显示全部楼层
我液压圈1 发表于 2013-5-31 19:12
测待命压力吗?

泵的具体型号是什么啊?负载敏感阀 恒功率什么的···可以根据具体情况分析一下先导阀泄露较严重时的一些表现,然后再测相关参数确定其是否泄露
回复

使用道具 举报

  • 打卡等级:无名新人
  • 打卡总天数:1
  • 打卡总奖励:3
 楼主| 发表于 2013-5-31 20:19:27 | 显示全部楼层
烤肉拌饭1988 发表于 2013-5-31 19:27
泵的具体型号是什么啊?负载敏感阀 恒功率什么的···可以根据具体情况分析一下先导阀泄露较严重时的一些 ...

A11VOLRDS
回复

使用道具 举报

  • 打卡等级:无名新人
  • 打卡总天数:1
  • 打卡总奖励:1
发表于 2013-5-31 20:48:44 | 显示全部楼层
我试着分析一下:如果泄露的话 进入变量缸的油不足 那泵的实际排量应该相对于理论排量较大,测待机压力的话它应该比负载敏感阀设定的压力大一些,这个“一些”相对于设定的LS阀压差应该会比较可观,还是容易观察的
回复

使用道具 举报

  • 打卡等级:无名新人
  • 打卡总天数:1
  • 打卡总奖励:1
发表于 2013-5-31 20:51:02 | 显示全部楼层
A11VLO-LRDS试着根据原理图分析一下

LRDS

LRDS
回复

使用道具 举报

  • 打卡等级:无名新人
  • 打卡总天数:3
  • 打卡总奖励:11
发表于 2013-6-15 16:10:21 | 显示全部楼层
当压力切断的时候不就0排量了
回复

使用道具 举报

  • 打卡等级:无名新人
  • 打卡总天数:1
  • 打卡总奖励:3
 楼主| 发表于 2013-6-15 18:23:50 | 显示全部楼层
feifei_0522 发表于 2013-6-15 16:10
当压力切断的时候不就0排量了

我是说待命的时候,测泵0排量,不是压力切断的时候
回复

使用道具 举报

  • 打卡等级:无名新人
  • 打卡总天数:1
  • 打卡总奖励:1
发表于 2013-6-15 19:35:14 | 显示全部楼层
feifei_0522 发表于 2013-6-15 16:10
当压力切断的时候不就0排量了

A11的泵达到压力切断时,它的排量不为零,降低到一定的值,起保护和恒压作用。在这里压力切断和恒压控制的界定是相对模糊的
回复

使用道具 举报

发表于 2013-6-16 18:06:43 | 显示全部楼层
从泵的出口引油到泵的变量缸大腔去
回复

使用道具 举报

发表于 2013-6-17 11:43:24 | 显示全部楼层
长时间无负载工况和压力切断应该是最小排量
回复

使用道具 举报

  • 打卡等级:无名新人
  • 打卡总天数:2
  • 打卡总奖励:5
发表于 2013-6-17 12:40:39 | 显示全部楼层
测最大排量可以测泵的变量缸压力,测最小排量测压力就没办法了,实测泵的流量吧,上流量计吧。
回复

使用道具 举报

您需要登录后才可以回帖 登录 | 立即注册

本版积分规则