搜索
汉力达液压金币充值官方微信群液压资料下载
楼主: fengmang

行走机械的转向系统

  [复制链接]
  • 打卡等级:无名新人
  • 打卡总天数:3
  • 打卡总奖励:15
发表于 2014-4-12 16:27:02 | 显示全部楼层
木木727 发表于 2014-4-12 11:17
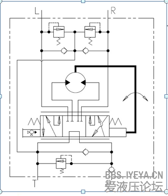
请问P/T旁边管路凸起的圆形容积腔有什么作用?这个补油单向阀状态是始终补油的吗?谢谢

不用谢,我只能回答第二个问题。只有在转向泵不转动,或者其他原因导致流量不足的时候,会打开补油阀吸油。我也不知道这个容积腔有什么用。
回复

使用道具 举报

  • 打卡等级:无名新人
  • 打卡总天数:20
  • 打卡总奖励:46
发表于 2014-4-13 09:58:18 | 显示全部楼层
理论上手动油泵可以提供液压能,但现实是工程机械都比较笨重、且工况条件较差,所以只能在应急情况下,起点作用!
回复

使用道具 举报

  • 打卡等级:无名新人
  • 打卡总天数:1
  • 打卡总奖励:9
 楼主| 发表于 2014-4-14 14:17:45 | 显示全部楼层
本帖最后由 fengmang 于 2014-4-14 14:24 编辑
sixue98 发表于 2014-4-11 16:09
有原理图传一下!


感觉有点不对啊,
QQ截图20140414142649.png
回复

使用道具 举报

  • 打卡等级:无名新人
  • 打卡总天数:1
  • 打卡总奖励:9
 楼主| 发表于 2014-4-14 14:31:09 | 显示全部楼层
sixue98 发表于 2014-4-11 16:09
有原理图传一下!

照这原理图回油直接回邮箱了,那计量马达转动的时候油是直接从邮箱经过转向泵这只油路上来的?
回复

使用道具 举报

  • 打卡等级:无名新人
  • 打卡总天数:1
  • 打卡总奖励:9
 楼主| 发表于 2014-4-14 14:35:13 | 显示全部楼层
初学者 发表于 2014-4-12 11:10
同行啊。交流交流

大神,求资料啊,小白跪谢了,能不能说的清楚一点,汽车叉车装载机是一样的吧,挖机好像是靠两边履带的差速转向的吧
回复

使用道具 举报

  • 打卡等级:无名新人
  • 打卡总天数:1
  • 打卡总奖励:1
发表于 2014-4-14 15:47:10 | 显示全部楼层
在发动机停机的时候,里边的扭力杆直接传递扭矩,无液压放大作用,转向费力
差一齿的转向器指的是摆线马达类的转向器,直接输出转动
现在这个图是转向油缸直线输出加伞齿转变为转角输出的
回复

使用道具 举报

发表于 2014-4-14 19:36:46 | 显示全部楼层
行走多数带有双过双补阀,只要是解决负载做工的能量释放!!
回复

使用道具 举报

  • 打卡等级:无名新人
  • 打卡总天数:3
  • 打卡总奖励:15
发表于 2014-5-6 13:37:31 | 显示全部楼层
贝贝 发表于 2014-4-14 15:47
在发动机停机的时候,里边的扭力杆直接传递扭矩,无液压放大作用,转向费力
差一齿的转向器指的是摆线马达 ...

请问是什么设备上使用的伞齿?
回复

使用道具 举报

  • 打卡等级:无名新人
  • 打卡总天数:3
  • 打卡总奖励:15
发表于 2014-5-6 13:38:53 | 显示全部楼层
fengmang 发表于 2014-4-14 14:31
照这原理图回油直接回邮箱了,那计量马达转动的时候油是直接从邮箱经过转向泵这只油路上来的?

额,没明白你的问题
回复

使用道具 举报

  • 打卡等级:无名新人
  • 打卡总天数:3
  • 打卡总奖励:15
发表于 2014-5-6 13:40:02 | 显示全部楼层
sdh1818 发表于 2014-4-13 09:58
理论上手动油泵可以提供液压能,但现实是工程机械都比较笨重、且工况条件较差,所以只能在应急情况下,起点 ...

而且现在好像有的大排量转向器不带补油单向阀了?因为反正人也转不动
回复

使用道具 举报

您需要登录后才可以回帖 登录 | 立即注册

本版积分规则