搜索
汉力达液压金币充值官方微信群液压资料下载
楼主: 流向世界

315T的4轴压机怎么修

  [复制链接]
  • 打卡等级:伴坛终老
  • 打卡总天数:2540
  • 打卡总奖励:6372
发表于 2014-8-19 08:45:44 | 显示全部楼层
都是标准化的东西了 基本上大同小异
回复

使用道具 举报

  • 打卡等级:无名新人
  • 打卡总天数:8
  • 打卡总奖励:62
发表于 2014-8-19 10:35:36 | 显示全部楼层
看一下具体是哪个型号的压机,找一下说明书看看
回复

使用道具 举报

  • 打卡等级:以坛为家
  • 打卡总天数:702
  • 打卡总奖励:1123
发表于 2014-8-19 16:09:44 | 显示全部楼层
设备5S较差。
想方设法找图纸,找厂家要图纸。
还不行,就根据电磁阀、油管位置分析工作原理,将可能的阀件的电磁铁检查一下电压、电阻,排除电气故障。再拆下阀件,检查,用煤油或柴油清洗。这就需要有较多液压维修技术的人来做。
回复

使用道具 举报

  • 打卡等级:偶尔看看
  • 打卡总天数:66
  • 打卡总奖励:158
发表于 2014-8-19 22:01:17 | 显示全部楼层
你要修什么故障?
回复

使用道具 举报

 楼主| 发表于 2014-8-31 21:36:37 | 显示全部楼层
zzfjct 发表于 2014-8-19 22:01
你要修什么故障?

快转慢之后加压太慢
回复

使用道具 举报

 楼主| 发表于 2014-8-31 21:38:33 | 显示全部楼层
qqqqqqwwww 发表于 2014-8-18 18:35
你要的和这个差不多吧。

不一样哦
回复

使用道具 举报

 楼主| 发表于 2014-8-31 21:46:46 | 显示全部楼层
qqqqqqwwww 发表于 2014-8-18 18:35
你要的和这个差不多吧。

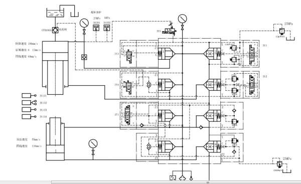
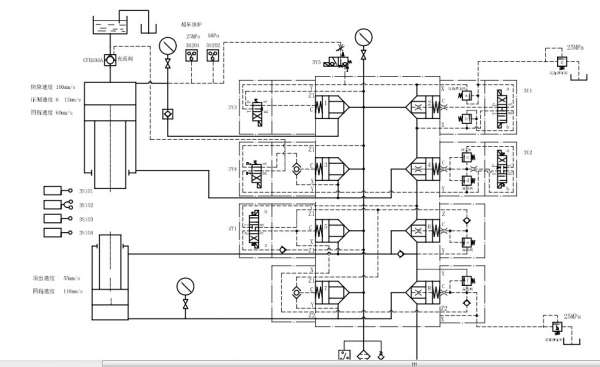
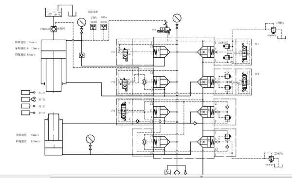
和这个差不多、、快转慢加压太慢
QQ图片20140831215150.jpg
回复

使用道具 举报

  • 打卡等级:偶尔看看
  • 打卡总天数:66
  • 打卡总奖励:158
发表于 2014-8-31 22:10:50 | 显示全部楼层
流向世界 发表于 2014-8-31 21:36
快转慢之后加压太慢

1,恒功率变量泵功率调得是否太小?变量转折点压力是否太低?
2,从负载保压时间或是否自行下落判断主缸密封件是否失效?
3,主缸无杆腔进、回油阀插件是否泄漏、密封线点蚀(麻点)?
回复

使用道具 举报

 楼主| 发表于 2014-9-1 20:36:46 | 显示全部楼层
zzfjct 发表于 2014-8-31 22:10
1,恒功率变量泵功率调得是否太小?变量转折点压力是否太低?
2,从负载保压时间或是否自行下落判断主缸 ...

二通阀的原理图都看啥不懂怎么搞
回复

使用道具 举报

  • 打卡等级:论坛老炮
  • 打卡总天数:1176
  • 打卡总奖励:1829
发表于 2014-9-1 21:23:48 | 显示全部楼层
流向世界 发表于 2014-9-1 20:36
二通阀的原理图都看啥不懂怎么搞

两通插装阀其实并不难,找找资料看看。
回复

使用道具 举报

您需要登录后才可以回帖 登录 | 立即注册

本版积分规则