搜索
汉力达液压金币充值官方微信群液压资料下载
12
返回列表 发新帖
楼主: muyu555

为什么我这个差动回路动不了呢?

[复制链接]
  • 打卡等级:论坛老炮
  • 打卡总天数:970
  • 打卡总奖励:2845
发表于 2016-4-21 08:41:44 | 显示全部楼层
是不能动,有动作的条件是P*A1-P*A2>F   算下  P*3.14*3600/4>100*1000   算下来P得大于35MPa也就是350bar时才能动
回复

使用道具 举报

  • 打卡等级:无名新人
  • 打卡总天数:5
  • 打卡总奖励:21
发表于 2016-4-21 09:37:30 | 显示全部楼层
十年误国 发表于 2016-4-20 19:39
和单向阀并联的是什么阀?没见过。常开,那是减压阀了,但减压阀是出口控制,出口压力一大,常开变常闭,切 ...

你这不仅是误国那么简单,你还误导了人呀。{:9_228:}

点评

误不误国地我说出了具体东西,而象你这种言论有什么价值? 他那个回路你看懂了嘛?明显就是通过调差动背压,调推力的,那里应装溢流阀或顺序阀,你看懂了?玩差动我是祖宗。  发表于 2016-4-21 10:35
回复

使用道具 举报

 楼主| 发表于 2016-4-21 12:22:58 | 显示全部楼层
十年误国 发表于 2016-4-21 01:18
这可能是改错题,要是你画的,这叫什么玩意?两位阀,一头电磁铁,一头簧,怎么又画个O型中位机能?两位阀 ...

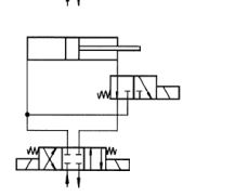
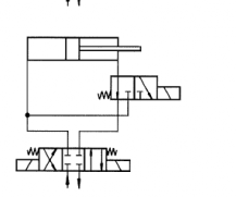
这个是AMESim里面的三位四通阀。
回复

使用道具 举报

 楼主| 发表于 2016-4-21 12:23:46 | 显示全部楼层
hwb976818 发表于 2016-4-21 09:37
你这不仅是误国那么简单,你还误导了人呀。

不要吵吗,针对问题嘛。。
回复

使用道具 举报

  • 打卡等级:无名新人
  • 打卡总天数:5
  • 打卡总奖励:21
发表于 2016-4-21 15:05:24 | 显示全部楼层
muyu555 发表于 2016-4-21 12:23
不要吵吗,针对问题嘛。。

2#说的对,油缸无杆腔的推力小于有杆腔的力(负载推力+液压力),无法实现差动回路。要么油缸无杆腔面积加大。
回复

使用道具 举报

  • 打卡等级:初来乍到
  • 打卡总天数:30
  • 打卡总奖励:74
发表于 2016-4-24 12:28:11 | 显示全部楼层
如坛友zzfjct所言,差动时出力小推不动;不用差动时,又有杆腔不能回油,也推不动。
附图是不同的差动方式,希望对楼主有帮助。

回复

使用道具 举报

发表于 2016-4-24 12:58:26 | 显示全部楼层
请问楼主你负载加了多少?差动时,负载太大了就会推不动 因为作用面积变小了 再者你这油缸是垂直的还是平动的?
回复

使用道具 举报

发表于 2016-4-24 22:28:36 | 显示全部楼层
这个差动,动几下就动不了了,两位阀T孔不通油箱,阀芯两端渗油排不掉,气也排不掉。

你也懂液压,教都教不会。

回复

使用道具 举报

发表于 2025-5-22 19:35:20
十年误国 发表于 2016-4-24 22:28
这个差动,动几下就动不了了,两位阀T孔不通油箱,阀芯两端渗油排不掉,气也排不掉。

你也懂液压,教都教 ...

沙雕!!!!!!!

您需要登录后才可以回帖 登录 | 立即注册

本版积分规则