设为首页
收藏本站
所有帖子
关于我们
联系我们
微信群
开启辅助访问
搜索
搜索
本版
用户
门户
Portal
资讯
液压资讯
观点
观点
产品
液压产品
技术
液压技术
合集
导读
Guide
下载
签到
金币
论坛
BBS
登录
立即注册
腾讯QQ
账号
自动登录
找回密码
密码
登录
立即注册
只需一步,快速开始
好友
动态
收藏
分享
帖子
日志
记录
相册
留言板
勋章
任务
道具
设置
退出
液压圈
»
论坛
›
液压系统
›
AMESim
›
AMESim仿真
负载敏感资料下载
|
液压培训资料下载
|
液压样本下载
|
AMESim资料下载
|
力士乐资料下载
|
挖掘机资料下载
|
标准资料下载
|
多路阀资料下载
1
2
/ 2 页
返回列表
楼主:
040210118
AMESim仿真
[复制链接]
kauuka
kauuka
当前离线
积分
61
注册时间
2012-3-25
最后登录
1970-1-1
IP卡
狗仔卡
打卡等级:无名新人
打卡总天数:1
打卡总奖励:4
发表于 2012-7-23 16:03:24
|
显示全部楼层
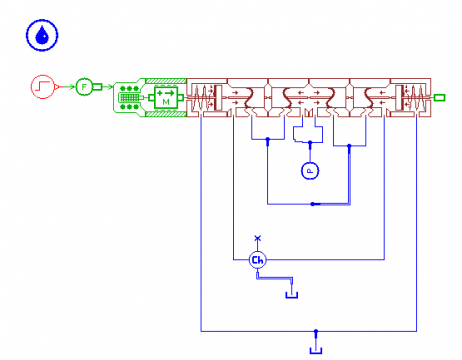
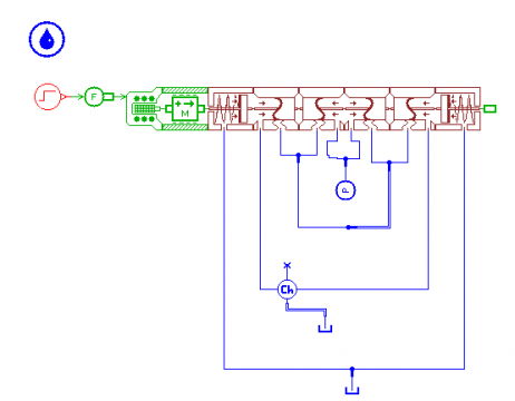
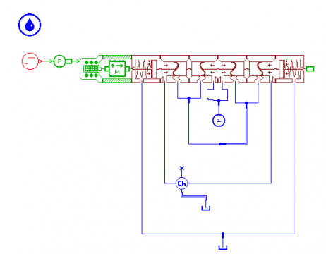
首先一点,你这个油缸明显走到头了,检查下参数设置,先检查一下伺服阀有没有随输入信号换向,你这个信号值给的好像也小吧,伺服阀默认电流是40mA,先不要搞那不复杂的吧,先跟着例子做吧。多看看帮助文档。
回复
使用道具
举报
caobaoyu
caobaoyu
当前离线
积分
206
注册时间
2011-4-11
最后登录
1970-1-1
IP卡
狗仔卡
发表于 2012-8-27 10:09:06
|
显示全部楼层
直接在信号端输入正弦信号,信号库里面就有现成的
回复
使用道具
举报
磊磊爱液压
磊磊爱液压
当前离线
积分
7
注册时间
2015-5-15
最后登录
1970-1-1
IP卡
狗仔卡
发表于 2015-5-17 14:47:35
|
显示全部楼层
我在做电液比例方向阀主阀模拟流量 不知道参数怎么设置 麻烦会amesim的朋友不吝赐教 我是第一次用这个软件 不胜感激!!!
回复
使用道具
举报
1
2
/ 2 页
返回列表
高级模式
B
Color
Image
Link
Quote
Code
Smilies
您需要登录后才可以回帖
登录
|
立即注册
本版积分规则
发表回复
回帖后跳转到最后一页
浏览过的版块
液压技术
快速回复
返回顶部
返回列表