设为首页
收藏本站
所有帖子
关于我们
联系我们
微信群
开启辅助访问
搜索
搜索
本版
用户
门户
Portal
资讯
液压资讯
观点
观点
产品
液压产品
技术
液压技术
合集
导读
Guide
下载
签到
金币
论坛
BBS
登录
立即注册
腾讯QQ
账号
自动登录
找回密码
密码
登录
立即注册
只需一步,快速开始
我的
日志
记录
收藏
勋章
任务
道具
动态
设置
退出
液压圈
»
论坛
›
液压系统
›
液压技术
›
這是什麼泵浦,有什麼功用,節流迴路T
负载敏感资料下载
|
液压培训资料下载
|
液压样本下载
|
AMESim资料下载
|
力士乐资料下载
|
挖掘机资料下载
|
标准资料下载
|
多路阀资料下载
返回列表
查看:
1278
|
回复:
5
這是什麼泵浦,有什麼功用,節流迴路T
[复制链接]
twinsayas
twinsayas
当前离线
积分
53
注册时间
2016-4-23
最后登录
1970-1-1
IP卡
狗仔卡
打卡等级:偶尔看看
打卡总天数:146
打卡总奖励:392
发表于 2023-4-28 09:57:50
来自手机
|
显示全部楼层
|
阅读模式
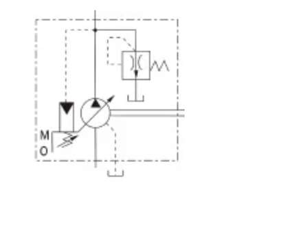
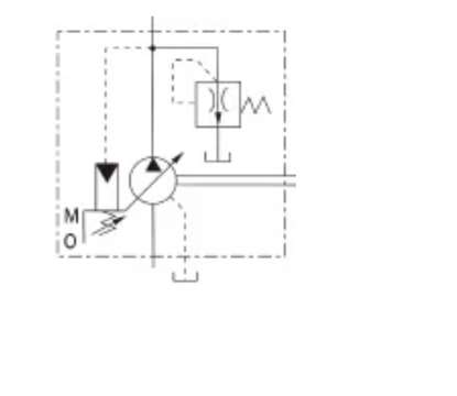
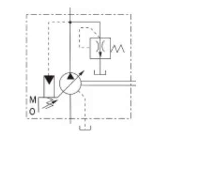
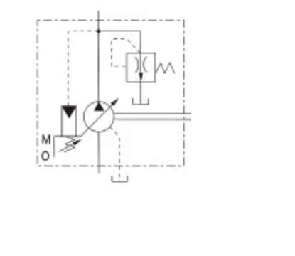
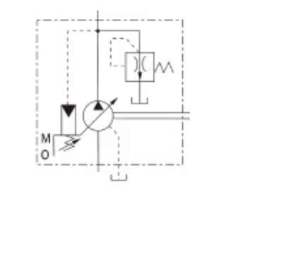
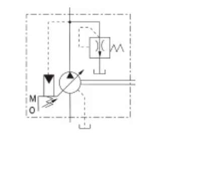
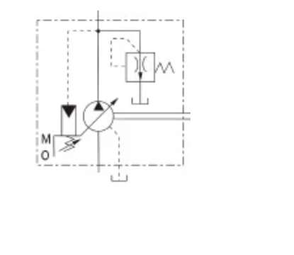
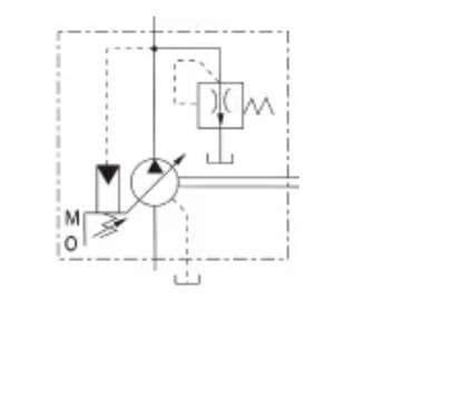
如圖........
回复
使用道具
举报
提升卡
置顶卡
变色卡
tuping1234
tuping1234
当前离线
积分
30
注册时间
2016-12-8
最后登录
1970-1-1
IP卡
狗仔卡
打卡等级:无名新人
打卡总天数:15
打卡总奖励:39
发表于 2023-4-28 15:21:38
|
显示全部楼层
有样册吗 出处在什么地方
回复
使用道具
举报
twinsayas
twinsayas
当前离线
积分
53
注册时间
2016-4-23
最后登录
1970-1-1
IP卡
狗仔卡
打卡等级:偶尔看看
打卡总天数:146
打卡总奖励:392
楼主
|
发表于 2023-4-28 17:10:05
来自手机
|
显示全部楼层
tuping1234 发表于 2023-4-28 15:21
有样册吗 出处在什么地方
如圖………………….
回复
使用道具
举报
enjoyhuang110
enjoyhuang110
当前离线
积分
1021
注册时间
2021-5-29
最后登录
1970-1-1
IP卡
狗仔卡
打卡等级:论坛老炮
打卡总天数:1025
打卡总奖励:1336
发表于 2023-4-28 17:10:33
|
显示全部楼层
不就是一个变量泵吗
回复
使用道具
举报
qqqqqqwwww
qqqqqqwwww
当前离线
积分
1806
注册时间
2013-3-31
最后登录
1970-1-1
IP卡
狗仔卡
打卡等级:论坛老炮
打卡总天数:1158
打卡总奖励:1802
发表于 2023-5-1 20:46:04
来自手机
|
显示全部楼层
就是一个恒压变量泵,自带安全阀。
回复
使用道具
举报
游勇
游勇
当前离线
积分
2577
注册时间
2011-7-5
最后登录
1970-1-1
IP卡
狗仔卡
打卡等级:初来乍到
打卡总天数:30
打卡总奖励:74
发表于 2023-5-11 16:44:59
来自手机
|
显示全部楼层
可能配伺服电机用。泵出口加上一个恒流阀可作压力控制。伺服电机转慢, 液压油从恒流阀跑掉, 压力便低。当转速上升, 油泵排量比恒流阀大的时候, 压力上升。
回复
使用道具
举报
返回列表
高级模式
B
Color
Image
Link
Quote
Code
Smilies
您需要登录后才可以回帖
登录
|
立即注册
本版积分规则
发表回复
回帖后跳转到最后一页
浏览过的版块
资料下载
液压泵马达
液压电磁阀
快速回复
返回顶部
返回列表