搜索
汉力达液压金币充值官方微信群液压资料下载
查看: 14405|回复: 21

此油路为什么反弹得这么厉害,究竟是哪里引起不保压

[复制链接]
  • 打卡等级:初来乍到
  • 打卡总天数:58
  • 打卡总奖励:229
发表于 2014-8-25 20:21:01 | 显示全部楼层 |阅读模式
本帖最后由 huanghaihua 于 2014-8-25 21:40 编辑

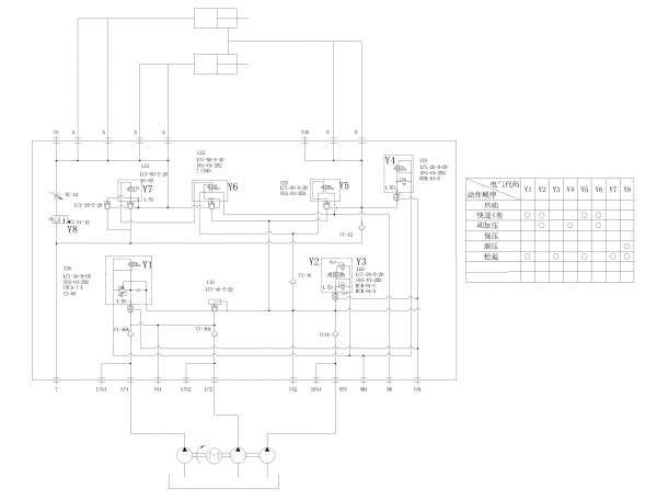
    小弟请教各位大侠。此图是压缩废纸的油路图,在油缸往前压废纸时,当达到系统设定的18Mpa压力时,全部阀就复位,实现保压,但现在却油缸就快速反弹纸12cm左右停下,回弹时油路板上有比较大的回油尖叫声,暂时还没有听清楚哪里响。还有个情况就是油缸空载时,不论在哪个位置停下(无论前进还是后退),油缸都位突然慢速前进10cm左右才停下来。     两油缸缸径250mm,活塞直径200mm。


此油路为什么反弹得这么厉害,究竟是哪里引起不保压

此油路为什么反弹得这么厉害,究竟是哪里引起不保压
  • 打卡等级:无名新人
  • 打卡总天数:23
  • 打卡总奖励:122
发表于 2014-8-25 21:54:55 | 显示全部楼层
图纸看不清
回复

使用道具 举报

发表于 2014-8-25 22:38:01 | 显示全部楼层
保压时,油缸后退至12cm处。也就是保不住压,估计无杠腔控制阀组有泄漏。空载停的位置油缸都会前进,你拆开阀组Y6,检查下插装阀芯和电磁阀是不是卡住。
回复

使用道具 举报

发表于 2014-8-25 22:53:40 | 显示全部楼层
    先说第一种情况:保压的时候Y2没电,这就导致泵卸荷,于是Y6处插装阀上腔没有压力,而该插装阀下腔是与液压缸无杆腔相连,压力18MPa,压力油轻松打开插装阀跑掉了。再加上被压缩的废纸的弹性变形,所以液压缸弹回了一定距离。
    第二种空载运行的情况类似,这次是由于惯性力。

   话说,你的这个系统可真是复杂, 泵是三联泵么?左侧的两个泵是干嘛用的?
回复

使用道具 举报

  • 打卡等级:论坛老炮
  • 打卡总天数:1157
  • 打卡总奖励:1801
发表于 2014-8-26 03:01:19 | 显示全部楼层
你将Y8上方的节流阀完全关闭看看有没有效果
回复

使用道具 举报

  • 打卡等级:初来乍到
  • 打卡总天数:58
  • 打卡总奖励:229
 楼主| 发表于 2014-8-26 07:42:50 | 显示全部楼层
qqqqqqwwww 发表于 2014-8-26 03:01
你将Y8上方的节流阀完全关闭看看有没有效果

做这个节流阀没有做在油路板上啊
回复

使用道具 举报

发表于 2014-8-26 08:49:42 | 显示全部楼层
发一张清晰一点的原理图!
回复

使用道具 举报

  • 打卡等级:无名新人
  • 打卡总天数:1
  • 打卡总奖励:8
发表于 2014-8-26 14:50:54 | 显示全部楼层
tangrui1220 发表于 2014-8-25 22:53
先说第一种情况:保压的时候Y2没电,这就导致泵卸荷,于是Y6处插装阀上腔没有压力,而该插装阀下腔是与 ...

不会出现你说的情况,注意Y6控制盖板里有梭阀。
回复

使用道具 举报

  • 打卡等级:论坛老炮
  • 打卡总天数:1157
  • 打卡总奖励:1801
发表于 2014-8-26 15:05:38 来自手机 | 显示全部楼层
那只有从Y7和旁边的单向阀泄漏了 ,Y6不可能。Y7电磁阀泄漏导致插件上腔失压,主阀打开泄漏
回复

使用道具 举报

  • 打卡等级:初来乍到
  • 打卡总天数:58
  • 打卡总奖励:229
 楼主| 发表于 2014-8-26 18:28:01 | 显示全部楼层
tangrui1220 发表于 2014-8-25 22:53
先说第一种情况:保压的时候Y2没电,这就导致泵卸荷,于是Y6处插装阀上腔没有压力,而该插装阀下腔是与 ...

泵是双联泵加一个单泵。用双轴电机。问题解决了,是Y6哪里的梭阀O形坏了
回复

使用道具 举报

您需要登录后才可以回帖 登录 | 立即注册

本版积分规则