设为首页
收藏本站
所有帖子
关于我们
联系我们
微信群
开启辅助访问
搜索
搜索
本版
用户
门户
Portal
资讯
液压资讯
观点
观点
产品
液压产品
技术
液压技术
合集
导读
Guide
下载
签到
金币
论坛
BBS
登录
立即注册
腾讯QQ
账号
自动登录
找回密码
密码
登录
立即注册
只需一步,快速开始
好友
动态
收藏
分享
帖子
日志
记录
相册
留言板
勋章
任务
道具
设置
退出
液压圈
»
论坛
›
液压元件
›
插装阀
›
液压机系统原理图(逻辑插装阀式)其中的一些小细节 ...
负载敏感资料下载
|
液压培训资料下载
|
液压样本下载
|
AMESim资料下载
|
力士乐资料下载
|
挖掘机资料下载
|
标准资料下载
|
多路阀资料下载
返回列表
查看:
12002
|
回复:
14
液压机系统原理图(逻辑插装阀式)其中的一些小细节
[复制链接]
anyview93
anyview93
当前离线
积分
8
注册时间
2015-4-16
最后登录
1970-1-1
IP卡
狗仔卡
发表于 2015-5-19 09:23:30
|
显示全部楼层
|
阅读模式
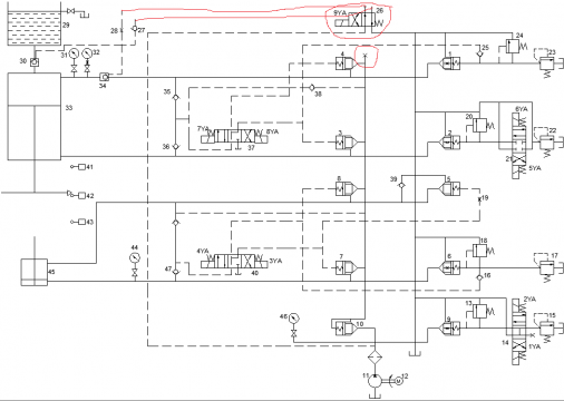
用红线圈起来的X号是什么意思?是不用接通吗?还有那个两位两位两通阀26,右位有一个T口,也是不接通的意思?感觉我用红线接起来的地方应该连起来吧,是不是这样的呢?求助啊。。。
液压机
,
插装阀
液压机系统原理图(逻辑插装阀式)其中的一些小细节
相关帖子
.
SAE标准各品牌插孔替换表
.
求插装阀实验原理图
.
海德福斯全套中文样本
.
液压多路阀试验发现不同材质和形状的铁屑(来源不明)_讨论分析
.
插装阀先导控制口添加阻尼的作用和作用的原理?
.
WINNER武汉机械插装阀电子样本
.
【上海汇封】上海汇封液压技术有限公——液压系统解决方案提供者
.
插装阀
.
供应SUN插装阀 集成阀组 逻辑阀 非标油路块
.
非标阀块设计加工、阀组与选型
回复
使用道具
举报
提升卡
置顶卡
变色卡
返回列表
高级模式
B
Color
Image
Link
Quote
Code
Smilies
您需要登录后才可以回帖
登录
|
立即注册
本版积分规则
发表回复
回帖后跳转到最后一页
快速回复
返回顶部
返回列表