搜索
汉力达液压金币充值官方微信群液压资料下载
查看: 11693|回复: 14

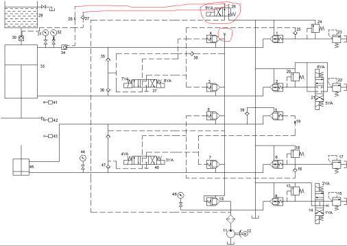
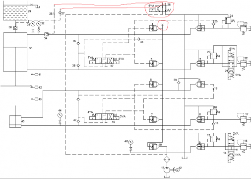
液压机系统原理图(逻辑插装阀式)其中的一些小细节

    [复制链接]
发表于 2015-5-19 09:23:30 | 显示全部楼层 |阅读模式
用红线圈起来的X号是什么意思?是不用接通吗?还有那个两位两位两通阀26,右位有一个T口,也是不接通的意思?感觉我用红线接起来的地方应该连起来吧,是不是这样的呢?求助啊。。。

液压机系统原理图(逻辑插装阀式)其中的一些小细节

液压机系统原理图(逻辑插装阀式)其中的一些小细节
  • 打卡等级:偶尔看看
  • 打卡总天数:99
  • 打卡总奖励:105
发表于 2015-5-20 09:14:41 | 显示全部楼层
这是什么上用的
回复

使用道具 举报

  • 打卡等级:初来乍到
  • 打卡总天数:30
  • 打卡总奖励:74
发表于 2015-6-6 12:08:24 | 显示全部楼层
26应该只用来开34号先导止回阀。由于有27号止回阀在,30号阀应该开不了。
这个回路很混乱,由于液压缸没尺寸,有些还看不明白:
1. 一般只有用充液阀的压机才会把油箱放上面,但看来缺少了自重下降糸统必备的直压式溢流阀;
2. 一般只有大排量糸统,才会使用罗辑阀,但又缺少了主液压缸回升前的泄压功能。
3. 用定量泵的压机怎樣调速?
4. 27号止回阀内应有节流子,否則有什么用?
压机必备四个功能:静止、快下、压制、泄压、回升。楼主的系統欠了:
1. 压制时的速度控制;
2. 泄压。
楼主的糸统看起来只是用罗辑阀代替方向阀功能,不是准备真正使用吧?
回复

使用道具 举报

  • 打卡等级:初来乍到
  • 打卡总天数:30
  • 打卡总奖励:74
发表于 2015-6-6 12:10:36 | 显示全部楼层
楼主说的x口,应该是备用P口,以便客户安裝顶针功能。
回复

使用道具 举报

  • 打卡等级:无名新人
  • 打卡总天数:4
  • 打卡总奖励:28
发表于 2015-7-10 00:08:08 | 显示全部楼层
×接电磁阀p口,供油准备回程时打充液阀和液控,27   28接电磁阀的b口
回复

使用道具 举报

发表于 2015-9-25 00:08:45 | 显示全部楼层
你的图纸上有的线没有画完也就是没有链接起来
回复

使用道具 举报

发表于 2015-10-22 14:54:33 | 显示全部楼层
好像是台油压拉升机的油压系统
回复

使用道具 举报

  • 打卡等级:初来乍到
  • 打卡总天数:32
  • 打卡总奖励:102
发表于 2015-12-2 10:22:11 | 显示全部楼层
没看太明白,等着跟大家一起学习吧~
回复

使用道具 举报

发表于 2016-1-12 15:43:43 | 显示全部楼层
{:9_232:}{:9_234:}{:9_235:}{:9_235:}
回复

使用道具 举报

发表于 2016-4-14 22:26:17 | 显示全部楼层
最烦原理图中过多的交叉线
回复

使用道具 举报

您需要登录后才可以回帖 登录 | 立即注册

本版积分规则