设为首页
收藏本站
所有帖子
关于我们
联系我们
微信群
开启辅助访问
搜索
搜索
本版
用户
门户
Portal
资讯
液压资讯
观点
观点
产品
液压产品
技术
液压技术
合集
导读
Guide
下载
签到
金币
论坛
BBS
登录
立即注册
腾讯QQ
账号
自动登录
找回密码
密码
登录
立即注册
只需一步,快速开始
好友
动态
收藏
分享
帖子
日志
记录
相册
留言板
勋章
任务
道具
设置
退出
液压圈
»
论坛
›
液压系统
›
液压技术
›
液压系统原理图求解答
负载敏感资料下载
|
液压培训资料下载
|
液压样本下载
|
AMESim资料下载
|
力士乐资料下载
|
挖掘机资料下载
|
标准资料下载
|
多路阀资料下载
1
2
/ 2 页
下一页
返回列表
查看:
7716
|
回复:
11
液压系统原理图求解答
[复制链接]
薄冰
薄冰
当前离线
积分
222
注册时间
2012-2-10
最后登录
1970-1-1
IP卡
狗仔卡
打卡等级:无名新人
打卡总天数:1
打卡总奖励:10
发表于 2013-5-27 16:15:00
|
显示全部楼层
|
阅读模式
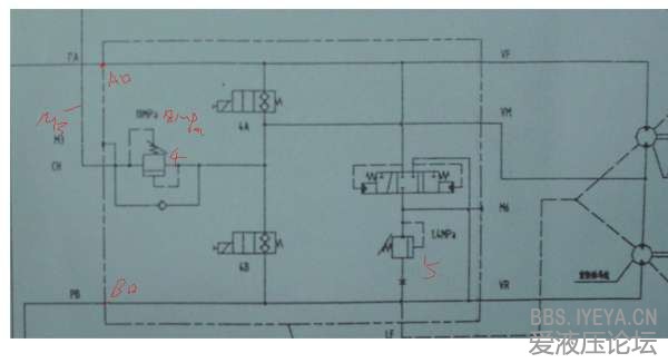
请各位高手将图片1与图片2联合起来看,帮忙解释一下油路是怎么工作的,溢流阀1和2,起到缓冲作用还是限制系统压力作用谢谢
液压
图片1,请帮忙解释一下图中溢流阀1和2的作用溢流阀3有什么作用
图片2请问油口M3起什么作用
相关帖子
.
上海PTC传动展流体动力定稿图有需自取内含免费官方门票注册
.
上海PTC传动展官方免费门票注册领取
.
掘进机参数表(带液压)
.
液压传动基础知识
.
液压站消防要求
.
想给两个液压泵匹配电机
.
供应,定制液压快速接头,承接OEM代工
.
求小松或者山推的液压标准
.
谁有电动车辆的液压原理图,电动叉车?牵引车?
回复
使用道具
举报
提升卡
置顶卡
变色卡
薄冰
薄冰
当前离线
积分
222
注册时间
2012-2-10
最后登录
1970-1-1
IP卡
狗仔卡
打卡等级:无名新人
打卡总天数:1
打卡总奖励:10
楼主
|
发表于 2013-5-27 16:16:06
|
显示全部楼层
请问油口M3作用是补油的吗
回复
使用道具
举报
xcmg-ihang
xcmg-ihang
当前离线
积分
57
注册时间
2012-11-12
最后登录
1970-1-1
IP卡
狗仔卡
发表于 2013-5-27 18:43:20
|
显示全部楼层
看得不是很清楚,闭式系统一般都会另外加个补油泵补油的啊,觉得只是一个溢流口吧
回复
使用道具
举报
我爱液压1
我爱液压1
当前离线
积分
271
注册时间
2011-7-17
最后登录
1970-1-1
IP卡
狗仔卡
打卡等级:无名新人
打卡总天数:1
打卡总奖励:3
发表于 2013-5-27 18:49:22
|
显示全部楼层
M3是补油口,你这个是内置补油泵.
回复
使用道具
举报
我爱液压1
我爱液压1
当前离线
积分
271
注册时间
2011-7-17
最后登录
1970-1-1
IP卡
狗仔卡
打卡等级:无名新人
打卡总天数:1
打卡总奖励:3
发表于 2013-5-27 18:51:22
|
显示全部楼层
2号溢流阀是限制系统最高压力的,1号阀我就不知道了,请高人讲解
回复
使用道具
举报
白水湾湾
白水湾湾
当前离线
积分
140
注册时间
2013-4-5
最后登录
1970-1-1
IP卡
狗仔卡
发表于 2013-5-27 20:43:09
|
显示全部楼层
1#限制泵最大输出压力;
2#限制系统最大压力;
3#不清楚,输出口应该有通道才是;
M3作为卸荷通道和马达补油通道
回复
使用道具
举报
白水湾湾
白水湾湾
当前离线
积分
140
注册时间
2013-4-5
最后登录
1970-1-1
IP卡
狗仔卡
发表于 2013-5-27 20:43:51
|
显示全部楼层
1#限制泵最大输出压力;
2#限制系统最大压力;
3#不清楚,输出口应该有通道才是;
M3作为卸荷通道和马达补油通道
回复
使用道具
举报
isunbun
isunbun
当前离线
积分
9
注册时间
2013-5-26
最后登录
1970-1-1
IP卡
狗仔卡
发表于 2013-5-27 22:08:04
|
显示全部楼层
2号溢流阀和单向阀组合,起到平衡阀的作用,例如:起重机卷扬下落的时候可以防止重物下落超速。
回复
使用道具
举报
fft307
fft307
当前离线
积分
7
注册时间
2013-3-3
最后登录
1970-1-1
IP卡
狗仔卡
打卡等级:无名新人
打卡总天数:2
打卡总奖励:16
发表于 2013-5-27 23:22:05
|
显示全部楼层
1的作用是,当系统压力达到35MPa时使泵排量减小;2的作用是高压溢流,限制系统最高压力,系统压力超过38MPa时向低压管路溢流;3是补油溢流阀,限制补油压力。
回复
使用道具
举报
a343740703
a343740703
当前离线
积分
398
注册时间
2013-5-24
最后登录
1970-1-1
IP卡
狗仔卡
打卡等级:常驻居民
打卡总天数:336
打卡总奖励:425
发表于 2013-5-28 18:14:07
|
显示全部楼层
在我的印象里,闭式系统不需要添加溢流阀(对系统起安全保护作用),而是自身带溢流阀(2#)。
3#是给补油泵的溢流阀。
2#旁边的单向阀是专门补油用的,而不是形成平衡阀……
回复
使用道具
举报
下一页 »
1
2
/ 2 页
下一页
返回列表
高级模式
B
Color
Image
Link
Quote
Code
Smilies
您需要登录后才可以回帖
登录
|
立即注册
本版积分规则
发表回复
回帖后跳转到最后一页
快速回复
返回顶部
返回列表