设为首页
收藏本站
所有帖子
关于我们
联系我们
微信群
开启辅助访问
搜索
搜索
本版
用户
门户
Portal
资讯
液压资讯
观点
观点
产品
液压产品
技术
液压技术
合集
导读
Guide
下载
签到
金币
论坛
BBS
登录
立即注册
腾讯QQ
账号
自动登录
找回密码
密码
登录
立即注册
只需一步,快速开始
好友
动态
收藏
分享
帖子
日志
记录
相册
留言板
勋章
任务
道具
设置
退出
液压圈
»
论坛
›
液压工程师
›
资料下载
›
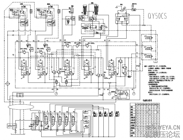
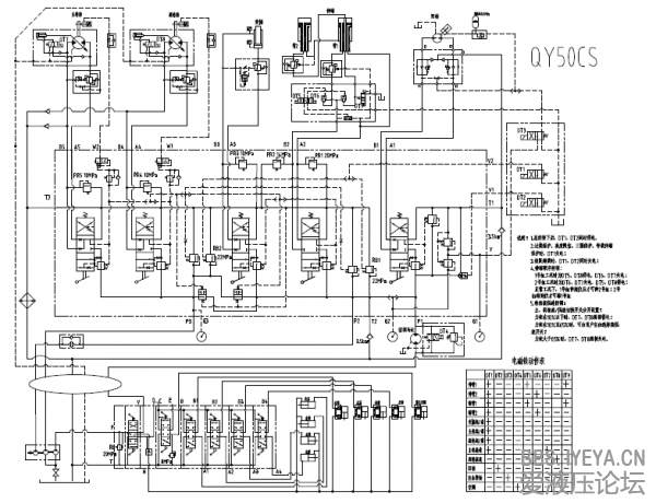
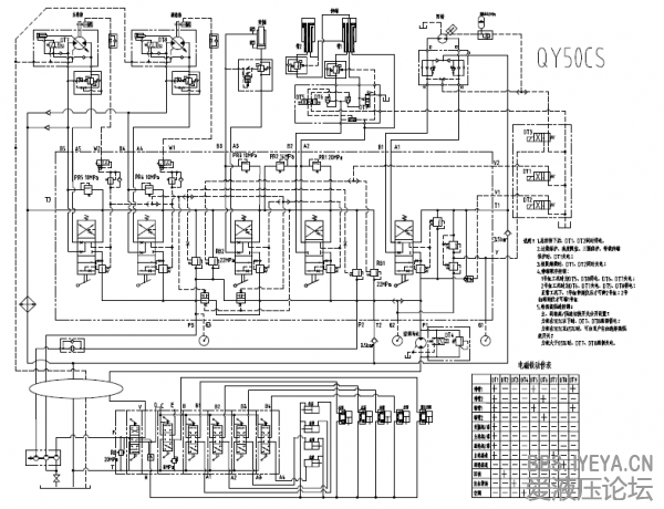
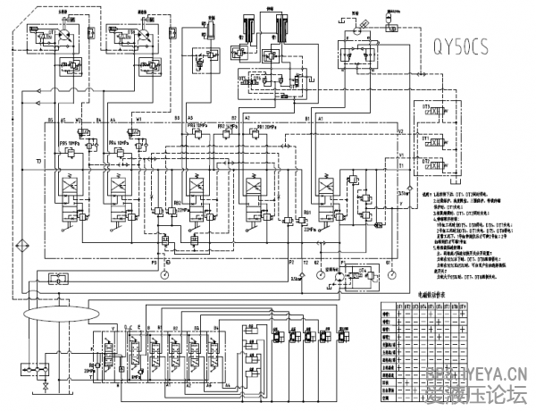
发个汽车起重机液压原理图供大家学习
负载敏感资料下载
|
液压培训资料下载
|
液压样本下载
|
AMESim资料下载
|
力士乐资料下载
|
挖掘机资料下载
|
标准资料下载
|
多路阀资料下载
1
2
/ 2 页
下一页
返回列表
查看:
11413
|
回复:
10
[图纸]
发个汽车起重机液压原理图供大家学习
[复制链接]
xiaoshxin
xiaoshxin
当前离线
积分
1997
注册时间
2010-12-4
最后登录
1970-1-1
IP卡
狗仔卡
发表于 2013-7-28 13:12:21
|
显示全部楼层
|
阅读模式
QY50CS汽车起重机.pdf
(111.51 KB, 下载次数: 456, 售价: 5 金钱)
2013-7-28 13:11 上传
点击文件名下载附件
起重机
,
汽车
相关帖子
.
萌新关于在AMESim建模过程中遇到的问题,求大佬帮忙
.
我想知道三一STC250s起重机回转液压参数
.
汽车空调换热器的仿真模拟
.
汽车起重机支腿的多路阀中位机能
.
关于起重机调平系统的两个问题
.
求师傅分析份汽车起重机配装提升液压原理图。
.
汽车尾板液压图纸
.
弄了好几天了,汽车油气弹簧悬架仿真,选用热力学模型(thermal hydraulic),为什...
回复
使用道具
举报
提升卡
置顶卡
变色卡
yiliya
yiliya
当前离线
积分
330
注册时间
2010-8-20
最后登录
1970-1-1
IP卡
狗仔卡
发表于 2013-7-28 18:28:57
|
显示全部楼层
25T 汽车起重机?
回复
使用道具
举报
wangxiang5008
wangxiang5008
当前离线
积分
29
注册时间
2012-12-28
最后登录
1970-1-1
IP卡
狗仔卡
打卡等级:无名新人
打卡总天数:4
打卡总奖励:13
发表于 2013-8-19 10:40:55
|
显示全部楼层
楼主有徐工25T起重机图纸没?
回复
使用道具
举报
zb311
zb311
当前离线
积分
6
注册时间
2012-12-28
最后登录
1970-1-1
IP卡
狗仔卡
打卡等级:无名新人
打卡总天数:1
打卡总奖励:5
发表于 2013-8-20 09:58:46
|
显示全部楼层
学习了,谢谢龙珠给力的资料
回复
使用道具
举报
binbinyou
binbinyou
当前离线
积分
33
注册时间
2014-3-20
最后登录
1970-1-1
IP卡
狗仔卡
打卡等级:以坛为家
打卡总天数:745
打卡总奖励:3362
发表于 2015-5-16 15:13:10
|
显示全部楼层
学习了
回复
使用道具
举报
张军
张军
当前离线
积分
81
注册时间
2011-10-28
最后登录
1970-1-1
IP卡
狗仔卡
发表于 2015-5-16 20:07:26
|
显示全部楼层
谢谢你的维修资料。
回复
使用道具
举报
依维柯的奔波
依维柯的奔波
当前离线
积分
1
注册时间
2015-5-16
最后登录
1970-1-1
IP卡
狗仔卡
发表于 2015-5-16 21:29:20
|
显示全部楼层
学习!不断学习!谢谢提供!
回复
使用道具
举报
静静等待
静静等待
当前离线
积分
513
注册时间
2012-3-13
最后登录
1970-1-1
IP卡
狗仔卡
发表于 2015-5-18 15:33:33
|
显示全部楼层
还是开心负载敏感系统的啊。我想问下这个多路阀是谁家的啊?看样子是专门为汽车吊开发的
回复
使用道具
举报
盛哲学
盛哲学
当前离线
积分
25
注册时间
2015-3-1
最后登录
1970-1-1
IP卡
狗仔卡
发表于 2015-5-19 10:59:04
|
显示全部楼层
有没有清晰一点的
回复
使用道具
举报
﹏3、哖后°
﹏3、哖后°
当前离线
积分
712
注册时间
2011-7-19
最后登录
1970-1-1
IP卡
狗仔卡
打卡等级:偶尔看看
打卡总天数:99
打卡总奖励:105
发表于 2015-5-20 09:46:54
|
显示全部楼层
我也想要
回复
使用道具
举报
下一页 »
1
2
/ 2 页
下一页
返回列表
高级模式
B
Color
Image
Link
Quote
Code
Smilies
您需要登录后才可以回帖
登录
|
立即注册
本版积分规则
发表回复
回帖后跳转到最后一页
浏览过的版块
AMESim
快速回复
返回顶部
返回列表