搜索
汉力达液压金币充值官方微信群液压资料下载
查看: 13814|回复: 28

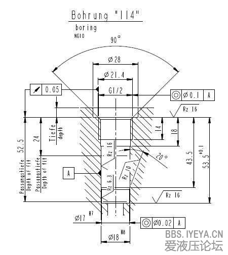
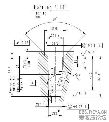
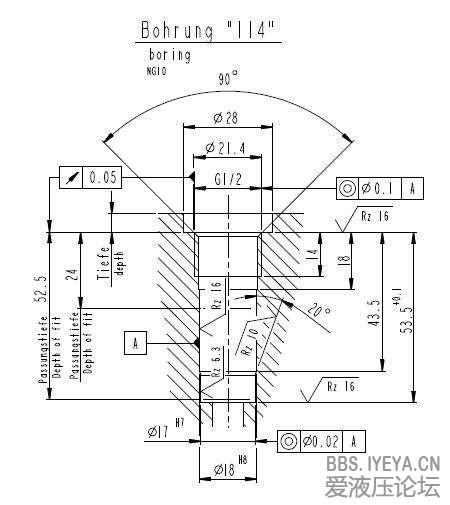
插装阀安装孔检测工具

  [复制链接]
发表于 2013-11-28 08:32:20 | 显示全部楼层 |阅读模式
液压集成块上的插装阀安装孔有很多尺寸,量很大的时候一个一个尺寸检根本来不及,现在想做一个类似塞规的东西,提高检测效率,请问谁有做过类似的东西?
1.JPG
发表于 2013-11-28 08:38:51 | 显示全部楼层
请指教---想学下这方面东西--
回复

使用道具 举报

  • 打卡等级:常驻居民
  • 打卡总天数:458
  • 打卡总奖励:1443
发表于 2013-11-28 08:43:02 | 显示全部楼层
真心不知道怎么检查,听朋友说只要成型刀具和加工方法没问题,不用检的。我们当时有个插孔出了问题就是用内径千分尺量的
回复

使用道具 举报

 楼主| 发表于 2013-11-28 08:53:33 | 显示全部楼层
xiangdingli 发表于 2013-11-28 08:43
真心不知道怎么检查,听朋友说只要成型刀具和加工方法没问题,不用检的。我们当时有个插孔出了问题就是用内 ...

就是因为出现过问题所以需要检测的。有时候里面密封件安装倒角都会忘记加工的。
回复

使用道具 举报

  • 打卡等级:无名新人
  • 打卡总天数:1
  • 打卡总奖励:1
发表于 2013-11-28 11:19:24 | 显示全部楼层
我们从来不检查。。这种螺纹阀的加工精度很大程度上和加工的刀具有关系,刀具尺寸没问题的话,插孔一般错不了,刀具通常有3把,一个螺纹刀,一个成型钻,一个成型铰,精度是靠铰刀保证的!
回复

使用道具 举报

  • 打卡等级:偶尔看看
  • 打卡总天数:73
  • 打卡总奖励:255
发表于 2013-11-28 14:35:49 | 显示全部楼层
不管加工精度如何高,加工刀具如何先进,作为质量控制,出厂前肯定是要有检验这步骤的
而且客户那边在进厂之后也要先进行进场检验才能入库,难道说免检产品你就真的不检了???
回复

使用道具 举报

 楼主| 发表于 2013-11-28 16:12:44 | 显示全部楼层
鸿鹄重工 发表于 2013-11-28 14:35
不管加工精度如何高,加工刀具如何先进,作为质量控制,出厂前肯定是要有检验这步骤的
而且客户那边在进厂 ...

对的,我们就是作为客户从外面加工的阀板,按说他们出厂也检过了,但是到我们公司还是有问题,一块阀板上那么多孔,然后阀板量又大,尺寸又多,质检员偷懒都是抽检的,现在就是想让他们每件都检,做一个工具提高他们的工作效率。
回复

使用道具 举报

发表于 2013-11-28 16:41:52 | 显示全部楼层
可以委托量具厂制造通规
回复

使用道具 举报

  • 打卡等级:论坛老炮
  • 打卡总天数:1325
  • 打卡总奖励:2536
发表于 2013-11-28 18:02:26 | 显示全部楼层
插装控基本上都是O型圈密封,通止规完全可以自己加工嘛
回复

使用道具 举报

  • 打卡等级:以坛为家
  • 打卡总天数:868
  • 打卡总奖励:2948
发表于 2013-11-28 18:29:43 | 显示全部楼层
要专门设计的
回复

使用道具 举报

您需要登录后才可以回帖 登录 | 立即注册

本版积分规则