- 积分
- 222
- 注册时间
- 2011-7-17
- 最后登录
- 1970-1-1
|

楼主 |
发表于 2013-11-28 16:12:44
|
显示全部楼层
鸿鹄重工 发表于 2013-11-28 14:35 
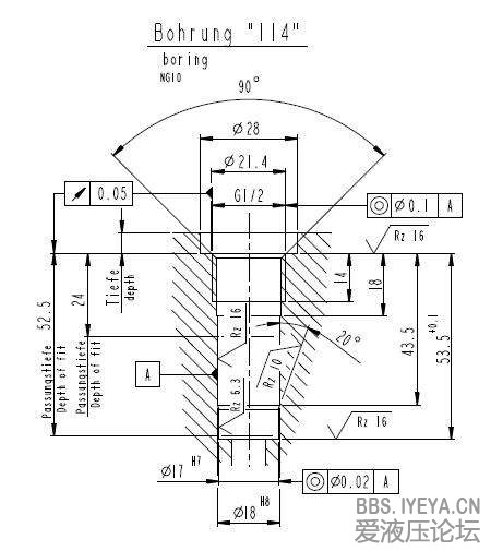
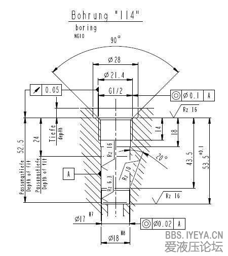
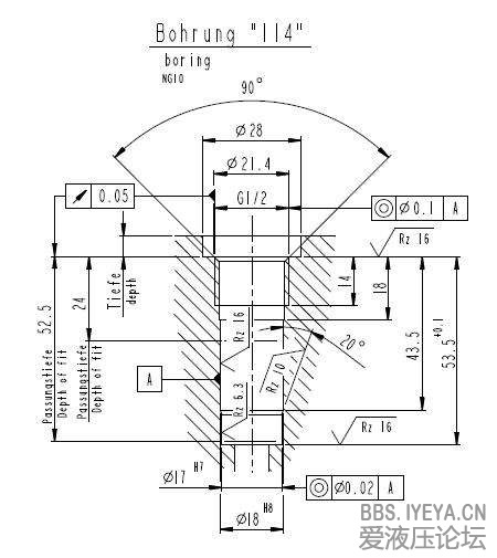
不管加工精度如何高,加工刀具如何先进,作为质量控制,出厂前肯定是要有检验这步骤的
而且客户那边在进厂 ...
对的,我们就是作为客户从外面加工的阀板,按说他们出厂也检过了,但是到我们公司还是有问题,一块阀板上那么多孔,然后阀板量又大,尺寸又多,质检员偷懒都是抽检的,现在就是想让他们每件都检,做一个工具提高他们的工作效率。 |
|