搜索
汉力达液压金币充值官方微信群液压资料下载
查看: 8637|回复: 13

下面这种液压机械的插装阀是如何打开的

[复制链接]
发表于 2014-7-30 18:45:11 | 显示全部楼层 |阅读模式
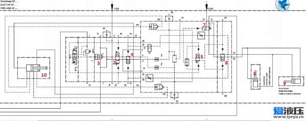
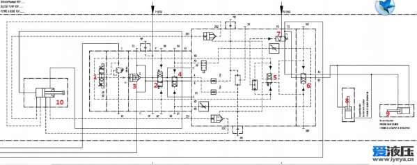
图示中的   zk2和zs2 旁边的插装阀是如何打开关闭的。当左边油缸到什么位置时候哪个插装阀打开,为什么能够打开,此问题我思考了好久都没想明白

下面这种液压机械的插装阀是如何打开的

下面这种液压机械的插装阀是如何打开的
  • 打卡等级:无名新人
  • 打卡总天数:23
  • 打卡总奖励:122
发表于 2014-7-30 22:13:01 | 显示全部楼层
先从左侧油缸全缩分析:
左先导电磁阀,上得电,液控换向阀(XR至XP口之间的)至下位,左油缸伸,当活塞越过控ZS的第3个先导口,还没盖住或越过最后一个先导口时,ZS打开,引起图右侧两个两位四通液控换向阀动作,右侧俩油缸开始动作,ZK打开也如此
回复

使用道具 举报

  • 打卡等级:无名新人
  • 打卡总天数:23
  • 打卡总奖励:122
发表于 2014-7-30 22:16:46 | 显示全部楼层
但是两个节流阀没看懂
回复

使用道具 举报

  • 打卡等级:以坛为家
  • 打卡总天数:835
  • 打卡总奖励:2513
发表于 2014-7-30 22:23:37 | 显示全部楼层
能介绍下这是什么机械的原理图吗,什么功能啊
回复

使用道具 举报

发表于 2014-7-30 22:27:39 | 显示全部楼层


试着把原理分析一下,不对的地方欢迎指正。
a.电磁换向阀1中位时,主插件3打开,主油路P卸荷;液动阀7左行,P3憋压。
b.若电磁换向阀1下电磁铁得电,主插件3关闭,先导压力油P经过→3阻尼孔→1电磁阀下→液动阀2下行,油缸10有杆腔进油,油缸缩回。且ZS2插件控制腔高压,此时ZS2关闭。ZK2插件控制腔接通油缸10无杆腔,此时无杆腔低压,ZK2插件打开,当油缸10快缩到位时,ZK2口得到高压油,液动阀5此时下行,ZK2驱动液动阀6上行。
c.P3进过液动阀7,液动阀6下,进入B2口。油缸8缩回,油缸9伸出。
d.同理,电磁阀1上得电,油缸动作顺序相反。


总结:假设油缸10伸在极限位置,阀1下得电,油缸10开始缩回,ZK2开,ZS2关,油缸8,9不动作。当10缩到一定位置,ZK2得到先导油后,8缩回,9伸出;
阀1上得电,油缸10开始伸出,ZK2关,ZS2开,油缸8,9不动作。当10伸到一定位置,ZS2得到先导油后,8伸出,9缩回。
回复

使用道具 举报

发表于 2014-7-30 22:30:17 | 显示全部楼层
ZK2,ZS2油口在油缸缸体的开口位置,决定了油缸8,9合适伸出,缩回。
回复

使用道具 举报

发表于 2014-7-30 22:31:11 | 显示全部楼层
ZK2,ZS2油口在油缸10缸体的开口位置,决定了油缸8,9合适伸出,缩回
回复

使用道具 举报

发表于 2014-7-31 08:23:21 | 显示全部楼层
此设备为混凝土输送泵,全液压联动控制,前面的分析基本正确,左边的油缸还有一支没有画出,共四支油缸两两交替动作,电磁阀只是控制正反泵。
回复

使用道具 举报

 楼主| 发表于 2014-8-5 23:45:56 | 显示全部楼层
胡子 发表于 2014-7-30 22:16
但是两个节流阀没看懂

节流阀我个人认为是保护换向阀的,多谢指点
回复

使用道具 举报

 楼主| 发表于 2014-8-5 23:46:35 | 显示全部楼层
fubq116 发表于 2014-7-30 22:23
能介绍下这是什么机械的原理图吗,什么功能啊

这是同步注浆机,工程上注浆用的
回复

使用道具 举报

您需要登录后才可以回帖 登录 | 立即注册

本版积分规则