搜索
金币充值液压资料下载官方微信群
查看: 8439|回复: 10

电磁比例换向阀阀芯位移与控制不一致,有滞后是怎么回事

[复制链接]
发表于 2014-8-17 11:05:40 | 显示全部楼层 |阅读模式
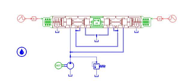
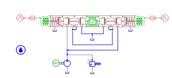
电磁比例换向阀阀芯位移与控制不一致,有滞后是怎么回事,换向越来越慢啊

电磁比例换向阀阀芯位移与控制不一致,有滞后是怎么回事

电磁比例换向阀阀芯位移与控制不一致,有滞后是怎么回事

电磁比例换向阀阀芯位移与控制不一致,有滞后是怎么回事

电磁比例换向阀阀芯位移与控制不一致,有滞后是怎么回事

电磁比例换向阀阀芯位移与控制不一致,有滞后是怎么回事

电磁比例换向阀阀芯位移与控制不一致,有滞后是怎么回事

电磁比例换向阀阀芯位移与控制不一致,有滞后是怎么回事

电磁比例换向阀阀芯位移与控制不一致,有滞后是怎么回事
  • 打卡等级:无名新人
  • 打卡总天数:4
  • 打卡总奖励:8
发表于 2014-8-17 11:18:21 | 显示全部楼层
有滞后正常现象
回复

使用道具 举报

  • 打卡等级:以坛为家
  • 打卡总天数:772
  • 打卡总奖励:2750
发表于 2014-8-17 11:26:40 | 显示全部楼层
有滞后是正常,每次重复精度未必一致,在频响范围内就是正常。
回复

使用道具 举报

发表于 2014-8-17 14:38:30 | 显示全部楼层
所谓动态特性吧
回复

使用道具 举报

 楼主| 发表于 2014-8-18 08:44:01 | 显示全部楼层
wawaadd 发表于 2014-8-17 11:18
有滞后正常现象

恩,好的
回复

使用道具 举报

 楼主| 发表于 2014-8-18 08:44:42 | 显示全部楼层
sdr 发表于 2014-8-17 11:26
有滞后是正常,每次重复精度未必一致,在频响范围内就是正常。

频响范围是指峰值吗?
回复

使用道具 举报

  • 打卡等级:偶尔看看
  • 打卡总天数:69
  • 打卡总奖励:515
发表于 2015-3-25 13:20:41 | 显示全部楼层
比例电磁铁在哪里啊?
回复

使用道具 举报

  • 打卡等级:偶尔看看
  • 打卡总天数:69
  • 打卡总奖励:515
发表于 2015-3-31 18:09:32 | 显示全部楼层
那个比例电磁铁的力是怎么设置的?
回复

使用道具 举报

发表于 2015-4-5 09:26:59 | 显示全部楼层
FPTC 发表于 2015-3-25 13:20
比例电磁铁在哪里啊?

机械库最后
回复

使用道具 举报

发表于 2015-4-5 09:27:01 | 显示全部楼层
FPTC 发表于 2015-3-25 13:20
比例电磁铁在哪里啊?

机械库最后
回复

使用道具 举报

您需要登录后才可以回帖 登录 | 立即注册

本版积分规则