搜索
汉力达液压金币充值官方微信群液压资料下载
查看: 12122|回复: 23

液压系统请教

    [复制链接]
发表于 2014-10-13 22:26:10 | 显示全部楼层 |阅读模式
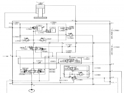
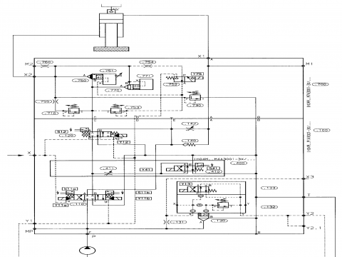
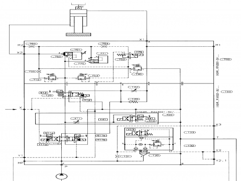
如图,想按照这个系统实现一台压机的动作过程,a得电,油缸靠自重快速下降,接触工件后变为加压过程,达到一定压力后b得电快速回程,采用80排量的,最大压力25MPa,10通径阀,缸径500mm,不知是否合适,请多指教,谢谢

液压系统请教

液压系统请教
发表于 2014-10-14 08:33:26 | 显示全部楼层
这个油路肯定不行的,实现不了你的动作,即使实现也很不好用的,我是搞液压设计的,有什么可以QQ我3037356556
回复

使用道具 举报

  • 打卡等级:无名新人
  • 打卡总天数:12
  • 打卡总奖励:98
发表于 2014-10-14 08:35:35 | 显示全部楼层
电机功率大一点,还是可以的!
回复

使用道具 举报

 楼主| 发表于 2014-10-14 09:19:03 | 显示全部楼层
haowei 发表于 2014-10-14 08:33
这个油路肯定不行的,实现不了你的动作,即使实现也很不好用的,我是搞液压设计的,有什么可以QQ我30373565 ...

能详细说一下吗?谢谢
回复

使用道具 举报

  • 打卡等级:偶尔看看
  • 打卡总天数:66
  • 打卡总奖励:158
发表于 2014-10-14 09:45:48 | 显示全部楼层
取消双向液压锁,右侧的单向节流阀换成单向阀(向上正向导通),O型换向阀。
缺点是待机时可能向下蠕动。
回复

使用道具 举报

 楼主| 发表于 2014-10-14 13:32:38 | 显示全部楼层
zzfjct 发表于 2014-10-14 09:45
取消双向液压锁,右侧的单向节流阀换成单向阀(向上正向导通),O型换向阀。
缺点是待机时可能向下蠕动。

谢谢解答,液压锁是没有必要吗?如果说吨位500t,适合用这种系统吗,还是考虑插装阀系统?谢谢
回复

使用道具 举报

  • 打卡等级:偶尔看看
  • 打卡总天数:66
  • 打卡总奖励:158
发表于 2014-10-14 21:42:36 | 显示全部楼层
127 发表于 2014-10-14 13:32
谢谢解答,液压锁是没有必要吗?如果说吨位500t,适合用这种系统吗,还是考虑插装阀系统?谢谢

500T肯定优先考虑插装阀系统,液压冲击小,结构紧凑,性能可靠。
回复

使用道具 举报

  • 打卡等级:初来乍到
  • 打卡总天数:30
  • 打卡总奖励:74
发表于 2014-10-14 22:54:10 | 显示全部楼层
设计自重下降的压力机要注意以下各点:
1. 缸杆端压力最小感应压力为30Bar,所以液压缸直径和杆只差10至20毫米;
2. 缸杆端要加独立溢流阀以免损坏
3. 若不需要长时问保压,可去掉先导止回阀,改用背压阀以保证冲头可任意停止;
3. 缸杆端要加单向节流以控制自重下降速度;
4. 加压速度比一般高低压泵系统慢;
5. 选用常开罗辑阀代替充液阀以节省成本;

回复

使用道具 举报

 楼主| 发表于 2014-10-15 09:15:44 | 显示全部楼层
游勇 发表于 2014-10-14 22:54
设计自重下降的压力机要注意以下各点:
1. 缸杆端压力最小感应压力为30Bar,所以液压缸直径和杆只差10至20 ...

多谢版主!!
回复

使用道具 举报

  • 打卡等级:偶尔看看
  • 打卡总天数:66
  • 打卡总奖励:158
发表于 2014-10-15 11:14:20 | 显示全部楼层
127 发表于 2014-10-14 13:32
谢谢解答,液压锁是没有必要吗?如果说吨位500t,适合用这种系统吗,还是考虑插装阀系统?谢谢

1,自重快速下降系统的杆腔回油阻力应尽可能低,所以不能加液控单向阀和背压阀,否则不能实现快速下落。可以加单向节流阀控制下落速度。
2,为了提高空载上升速度,活塞杆直径在结构允许的前提下尽可能大。同时直径大质量大的活塞杆有利于提高快速下落速度。
3,图示无杆腔的液控单向阀和单向节流阀均可取消,换单向阀,提高无杆腔保压能力。
回复

使用道具 举报

您需要登录后才可以回帖 登录 | 立即注册

本版积分规则