搜索
汉力达液压金币充值官方微信群液压资料下载
查看: 9220|回复: 15

求分析,解释液压系统原理

  [复制链接]
发表于 2014-10-17 16:59:53 | 显示全部楼层 |阅读模式
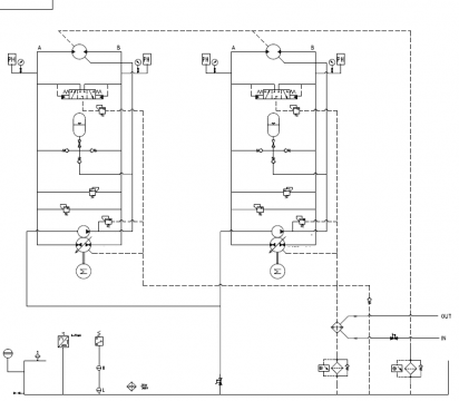
请教分析下这个系统液压原理

原理图

原理图
  • 打卡等级:无名新人
  • 打卡总天数:4
  • 打卡总奖励:8
发表于 2014-10-17 17:25:22 | 显示全部楼层
中规中矩的闭式系统,很多帖子讨论过,不知道要分析什么细节
回复

使用道具 举报

  • 打卡等级:初来乍到
  • 打卡总天数:58
  • 打卡总奖励:229
发表于 2014-10-17 19:25:49 | 显示全部楼层
wawaadd 发表于 2014-10-17 17:25
中规中矩的闭式系统,很多帖子讨论过,不知道要分析什么细节

我想知道这原理图的蓄能器在这里主要起什么作用的?谢谢!
回复

使用道具 举报

发表于 2014-10-17 20:51:40 | 显示全部楼层
典型的双向变量泵+双向变量马达的闭式静液压驱动系统回路
回复

使用道具 举报

发表于 2014-10-17 21:02:24 | 显示全部楼层
我觉得在系统正常工作时蓄能器应不起作用,是不是在发动机停转时给低压油路起什么作用,若有设备最好能测试一下
回复

使用道具 举报

  • 打卡等级:无名新人
  • 打卡总天数:9
  • 打卡总奖励:56
发表于 2014-10-17 22:09:32 | 显示全部楼层
蓄能器在这是不是起吸收冲击,降噪的作用?
回复

使用道具 举报

  • 打卡等级:偶尔看看
  • 打卡总天数:144
  • 打卡总奖励:368
发表于 2014-10-18 00:40:52 | 显示全部楼层
本帖最后由 cyxz 于 2014-10-18 00:49 编辑

蓄能器是加速补油,防止马达负负载快速转动吸空,汽蚀,对提高马达寿命有很大帮助!还有吸收冲击的作用!
回复

使用道具 举报

发表于 2014-10-18 07:44:16 | 显示全部楼层
你那个补油泵分去马达的那个支路是干嘛的啊?
回复

使用道具 举报

 楼主| 发表于 2014-10-18 10:21:27 | 显示全部楼层
请教那个换向阀起什么作用,谢谢!是溢流吗(安全作用)
回复

使用道具 举报

发表于 2014-10-18 12:32:21 | 显示全部楼层
877465378 发表于 2014-10-18 10:21
请教那个换向阀起什么作用,谢谢!是溢流吗(安全作用)

    其实应该叫冲洗阀,是将定量泵的油补入双向变量泵低压侧,将原油液挤压出来,降低工作油路温度和带走污染物的作用。
回复

使用道具 举报

您需要登录后才可以回帖 登录 | 立即注册

本版积分规则