搜索
金币充值液压资料下载官方微信群
查看: 24169|回复: 49

液压站噪音大,压力不稳

    [复制链接]
  • 打卡等级:即来则安
  • 打卡总天数:221
  • 打卡总奖励:683
发表于 2016-1-16 10:56:40 | 显示全部楼层 |阅读模式
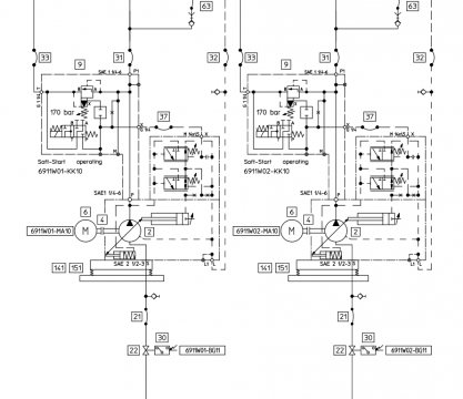
生产区域安全门打开惑关闭(电按钮开关)的时候,液压站的压力波动0.5mp左右(3台都一样)而且液压泵突然噪音很大,过一会压力恢复了噪音也就没有了。各们帮忙分的是什么原因?液压站原理图如下:




液压站原理图

液压站原理图


  • 打卡等级:偶尔看看
  • 打卡总天数:60
  • 打卡总奖励:180
发表于 2016-1-16 11:15:58 | 显示全部楼层
检查下蓄能器的氮气压力。。。是不是油温低。。。排气看下
回复

使用道具 举报

  • 打卡等级:即来则安
  • 打卡总天数:221
  • 打卡总奖励:683
 楼主| 发表于 2016-1-16 11:17:52 | 显示全部楼层
补充一下:1.在执行机构不动作的时候,只开门惑关门的时候最明显。
                2.油里空气基本不可能,用负压表测过了。

回复

使用道具 举报

  • 打卡等级:即来则安
  • 打卡总天数:221
  • 打卡总奖励:683
 楼主| 发表于 2016-1-16 11:21:12 | 显示全部楼层
这个液压站没有蓄能器的,油温正常(系统带加热和冷却)
回复

使用道具 举报

  • 打卡等级:偶尔看看
  • 打卡总天数:60
  • 打卡总奖励:180
发表于 2016-1-16 12:29:41 | 显示全部楼层
是不是电气有连锁条件啊
回复

使用道具 举报

  • 打卡等级:即来则安
  • 打卡总天数:221
  • 打卡总奖励:683
 楼主| 发表于 2016-1-16 13:12:50 | 显示全部楼层
没有的,一直在纠结不知道怎么会这样。其它生产线液压站都不会这样。
回复

使用道具 举报

  • 打卡等级:即来则安
  • 打卡总天数:224
  • 打卡总奖励:911
发表于 2016-1-16 17:15:58 | 显示全部楼层
油液清洁度怎样,油液不清洁是不是会有影响呢?
回复

使用道具 举报

  • 打卡等级:即来则安
  • 打卡总天数:198
  • 打卡总奖励:840
发表于 2016-1-16 19:06:59 | 显示全部楼层
检查吸油连接各个接口密封等部位是否连接可靠,泵很可能吸空
回复

使用道具 举报

发表于 2016-1-16 19:20:08 | 显示全部楼层
把安全阀的压力设置的比压力切断阀大2~3Mpa的样子就行了,可能是设置的过于接近
回复

使用道具 举报

  • 打卡等级:无名新人
  • 打卡总天数:1
  • 打卡总奖励:2
发表于 2016-1-16 21:43:09 | 显示全部楼层
看了你发的这个原理图感觉这个系统的设计应该是很科学的,应该是国外的图纸,国内设计人员没这个水平,它这个系统有个软启动,泵启动的同时也就是电磁阀通电时泵的压力约在30bar左右(具体要看负载敏感阀的弹簧),和那个阻尼孔。这是低压启动,保护泵和电机,启动完以后电磁阀失电泵进入压力补偿模式,当然主安全阀应该比压力补偿器设定压力高30bar以上,如果出现你说的现象,我怀疑电磁阀是不是在开泵的时候没有得电。
回复

使用道具 举报

您需要登录后才可以回帖 登录 | 立即注册

本版积分规则