|
8178| 16
|
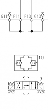
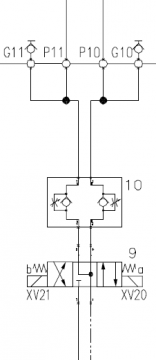
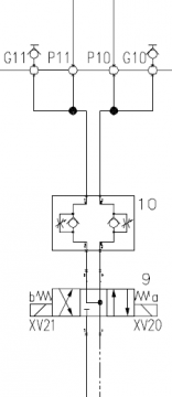
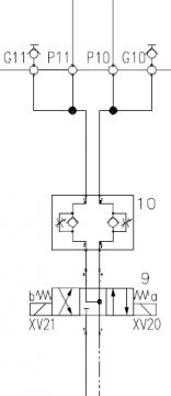
关于负压负载选用进油节流调速回路的请教 |
|
|
| |
| ||
|
|
| |
|
|
| |
|
|
| |
|
|
点评
勘误,应是会在"有"杆腔增压,杆封的要求高一些,或者使用常规的密封会使杆封的更换周期缩短,使用成本高
| |
|
|
点评
是有杆腔才对。
| |
|
|
点评
是的,有杆腔增压会对普通杆封的更换周期产生影响,因此,国内也有很多实例也是这样进油节流设计的,毕竟实际的综合使用成本低
| |
|
|
点评
那把油缸反一下
| |






IP卡
狗仔卡
发表于 2016-1-26 16:45:13
提升卡
置顶卡
变色卡
楼主
发表于 2016-1-28 00:42:45