搜索
汉力达液压金币充值官方微信群液压资料下载
查看: 1519|回复: 11

请教,活塞密封坏,油缸下坠,补的油从哪里来?

[复制链接]
  • 打卡等级:无名新人
  • 打卡总天数:17
  • 打卡总奖励:53
发表于 2023-9-7 23:18:49 | 显示全部楼层 |阅读模式
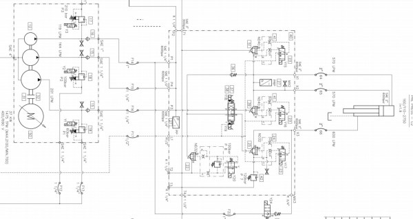
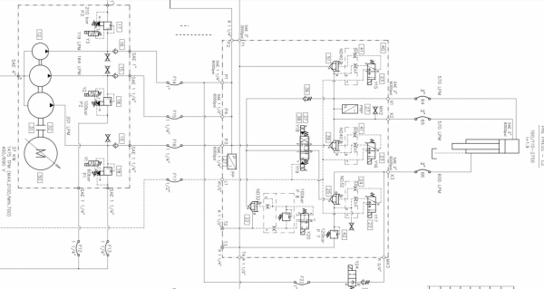
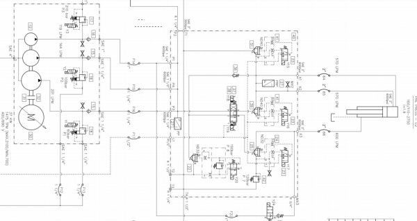
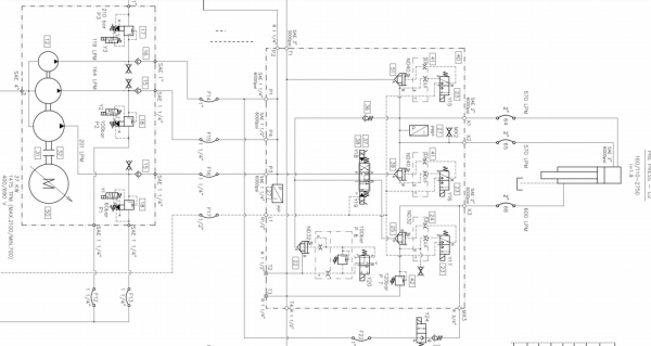
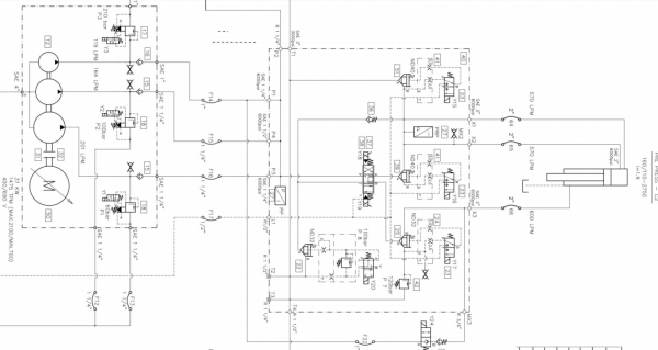
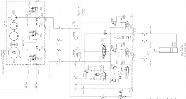
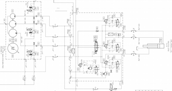
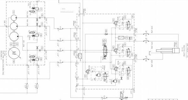
最近接触一故障,油缸停留在高位不保压,自动下坠,坠 的速度还挺快,7-8mm/s左右,
故障已经解决,就是油缸的活塞密封烂了,换上新的就一切OK。
换上新的油缸后,测试51、39、25插装阀的保压效果都很好。
那么问题来了,在旧油缸活塞密封损坏快速下坠是,无杆腔是在吸真空的状态,按照到底是只会慢慢一点点的下降(阀的少量内泄)
,不会下降那么快,难道是通过36的单向阀负压补的油,???很是费解,请各位赐教!
截图20230907231656.png
截图20230907231656.png
  • 打卡等级:以坛为家
  • 打卡总天数:762
  • 打卡总奖励:1289
发表于 2023-9-9 07:32:05 | 显示全部楼层
楼主已经找到问题了啊,油缸密封坏了,有杆腔为高压腔,油液泄露到无杆腔,同时由于面积差,油缸下降速度当然很快了。

点评

你说的我理解,问题是油缸无杆腔和有杆腔的插装阀密封关闭良好,活塞杆在快速伸出的时候必定需要大量油补充无杆腔,不然就是在拉真空,不会快速下降。   发表于 2023-9-9 11:21
回复

使用道具 举报

  • 打卡等级:以坛为家
  • 打卡总天数:762
  • 打卡总奖励:1289
发表于 2023-9-9 15:48:22 | 显示全部楼层
序号36这个单向阀就是补油用的
回复

使用道具 举报

  • 打卡等级:常驻居民
  • 打卡总天数:386
  • 打卡总奖励:555
发表于 2023-9-10 17:41:17 | 显示全部楼层
我说一下我的理解:如果只是油缸的活塞杆处密封坏掉的话,不存在外部泄露的话,油缸也只会是外漂一点点,然后就会保持不动。既然出现了你描述的这种现象,就会有三种可能,单向阀36供油,保持阀25漏油,油缸有杆腔回油箱处漏油。换了新油缸后,问题解决了。既然保持阀25没有问题,油缸有杆腔回油箱处漏油也能排除的话,就只能使单向阀36供油了。
回复

使用道具 举报

  • 打卡等级:无名新人
  • 打卡总天数:17
  • 打卡总奖励:53
 楼主| 发表于 2023-9-12 15:08:20 | 显示全部楼层
zkzcmy 发表于 2023-9-9 15:48
序号36这个单向阀就是补油用的

这个36主要作用还是为了形成下降时候形成差动连接作用的
回复

使用道具 举报

  • 打卡等级:无名新人
  • 打卡总天数:17
  • 打卡总奖励:53
 楼主| 发表于 2023-9-12 15:13:42 | 显示全部楼层
爱学习爱液压 发表于 2023-9-10 17:41
我说一下我的理解:如果只是油缸的活塞杆处密封坏掉的话,不存在外部泄露的话,油缸也只会是外漂一点点,然 ...

我很跟你的想法基本一致
回复

使用道具 举报

  • 打卡等级:无名新人
  • 打卡总天数:17
  • 打卡总奖励:53
 楼主| 发表于 2023-9-12 15:14:18 | 显示全部楼层
爱学习爱液压 发表于 2023-9-10 17:41
我说一下我的理解:如果只是油缸的活塞杆处密封坏掉的话,不存在外部泄露的话,油缸也只会是外漂一点点,然 ...

通过36从油箱吸的油
回复

使用道具 举报

  • 打卡等级:论坛老炮
  • 打卡总天数:974
  • 打卡总奖励:1416
发表于 2023-9-13 14:37:47 | 显示全部楼层
1.有杆腔的油会窜向无杆腔;
2.阀22阀芯有个阻尼孔,是连通盖板的,若Y20不得电,T路液压油可通过Y20,阀22,阀36向无杆腔补油;
3.另外无杆腔内的油液可能会发生油气分离,对无杆腔做容积补偿。
回复

使用道具 举报

  • 打卡等级:无名新人
  • 打卡总天数:17
  • 打卡总奖励:53
 楼主| 发表于 2023-9-14 08:50:24 | 显示全部楼层
天黑不怕晒ni 发表于 2023-9-13 14:37
1.有杆腔的油会窜向无杆腔;
2.阀22阀芯有个阻尼孔,是连通盖板的,若Y20不得电,T路液压油可通过Y20,阀22 ...

1 2都想过,3没有考虑过,很有道理,非常感谢!
回复

使用道具 举报

  • 打卡等级:论坛老炮
  • 打卡总天数:927
  • 打卡总奖励:2648
发表于 2023-9-15 00:04:09 来自手机 | 显示全部楼层
楼主,这是什么设备用的?
回复

使用道具 举报

您需要登录后才可以回帖 登录 | 立即注册

本版积分规则