设为首页
收藏本站
所有帖子
关于我们
联系我们
微信群
开启辅助访问
搜索
搜索
本版
用户
门户
Portal
资讯
液压资讯
观点
观点
产品
液压产品
技术
液压技术
合集
导读
Guide
下载
签到
金币
论坛
BBS
登录
立即注册
腾讯QQ
账号
自动登录
找回密码
密码
登录
立即注册
只需一步,快速开始
好友
动态
收藏
分享
帖子
日志
记录
相册
留言板
勋章
任务
道具
设置
退出
液压圈
»
论坛
›
液压系统
›
故障诊断
›
钢厂连铸中包车
负载敏感资料下载
|
液压培训资料下载
|
液压样本下载
|
AMESim资料下载
|
力士乐资料下载
|
挖掘机资料下载
|
标准资料下载
|
多路阀资料下载
1
2
/ 2 页
下一页
返回列表
查看:
2610
|
回复:
19
钢厂连铸中包车
[复制链接]
PANFEI
PANFEI
当前离线
积分
84
注册时间
2024-5-16
最后登录
1970-1-1
IP卡
狗仔卡
打卡等级:无名新人
打卡总天数:7
打卡总奖励:7
发表于 2024-6-8 21:30:26
来自手机
|
显示全部楼层
|
阅读模式
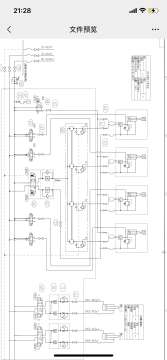
中包车四个角 有四个
油缸
同步升降 有一角始终是低的 什么都换了 还是没有解决问题 求助大师,
回复
使用道具
举报
提升卡
置顶卡
变色卡
海中游
海中游
当前离线
积分
1171
注册时间
2011-8-11
最后登录
1970-1-1
IP卡
狗仔卡
打卡等级:以坛为家
打卡总天数:819
打卡总奖励:1297
发表于 2024-6-10 10:09:41
|
显示全部楼层
看油路,有四路同时升降,也有单独上升
哪一路有问题,检查那一路的溢流阀、
管路
、
油缸密封
、电磁阀等。包括同步阀那里的溢流阀。也要检查是否有机械卡阻。
回复
使用道具
举报
天黑不怕晒ni
天黑不怕晒ni
当前离线
积分
596
注册时间
2019-9-24
最后登录
1970-1-1
IP卡
狗仔卡
打卡等级:论坛老炮
打卡总天数:979
打卡总奖励:1424
发表于 2024-6-11 09:39:00
|
显示全部楼层
不同步那根油缸换过吗?有内泄漏的可能
回复
使用道具
举报
液压伞兵
液压伞兵
当前离线
积分
464
注册时间
2011-10-28
最后登录
1970-1-1
IP卡
狗仔卡
打卡等级:初来乍到
打卡总天数:46
打卡总奖励:95
发表于 2024-6-12 20:36:29
|
显示全部楼层
考虑过增加节流阀去改善没有?最终怎么解决的?
回复
使用道具
举报
PANFEI
PANFEI
当前离线
积分
84
注册时间
2024-5-16
最后登录
1970-1-1
IP卡
狗仔卡
打卡等级:无名新人
打卡总天数:7
打卡总奖励:7
楼主
|
发表于 2024-6-13 12:47:54
来自手机
|
显示全部楼层
低的那一角油缸是换过新的
回复
使用道具
举报
PANFEI
PANFEI
当前离线
积分
84
注册时间
2024-5-16
最后登录
1970-1-1
IP卡
狗仔卡
打卡等级:无名新人
打卡总天数:7
打卡总奖励:7
楼主
|
发表于 2024-6-13 12:49:19
来自手机
|
显示全部楼层
天黑不怕晒ni 发表于 2024-6-11 09:39
不同步那根油缸换过吗?有内泄漏的可能
换了新的还是一样
回复
使用道具
举报
17603710516
17603710516
当前离线
积分
41
注册时间
2022-5-15
最后登录
1970-1-1
IP卡
狗仔卡
打卡等级:无名新人
打卡总天数:6
打卡总奖励:6
发表于 2024-6-30 02:43:16
来自手机
|
显示全部楼层
1、首先确认一下四个油缸行程是不是一样的,2、同步上升时如果发生一个油缸低,看一下三位四通换向阀有没有介入进行微调,3、拿个听棒或者螺丝刀、焊条之类的听一下同步马达和油缸那边的溢流阀有没有节流声,总体的思路基本上就是先看一下油缸行程,然后再看一下同步马达工作时如果有一个不同步微调阀有没有介入工作,如果微调阀介入工作不起作用先排除一下微调阀的阀芯有没有卡住,后面再听一听节流声,希望可以给你提供帮助😀
点评
shamozhihu14
没错
发表于 2024-12-10 09:23
回复
使用道具
举报
ztc1026
ztc1026
当前离线
积分
602
注册时间
2023-4-3
最后登录
1970-1-1
IP卡
狗仔卡
打卡等级:常驻居民
打卡总天数:565
打卡总奖励:717
发表于 2024-7-4 10:48:46
|
显示全部楼层
1.把故障油路换向阀65A口球阀63关闭,排除换向阀65內泄;
2.把故障油路油缸旁边的溢流阀顶死或者和其他正常油路对调,排除溢流阀问题;
3.把故障油路同步马达溢流阀顶死或者和其他正常油路对调,排除同步马达溢流阀问题;
4.以上都不行,就检查一下机械卡阻和油缸活塞密封吧。
回复
使用道具
举报
PANFEI
PANFEI
当前离线
积分
84
注册时间
2024-5-16
最后登录
1970-1-1
IP卡
狗仔卡
打卡等级:无名新人
打卡总天数:7
打卡总奖励:7
楼主
|
发表于 2024-7-15 07:06:41
来自手机
|
显示全部楼层
在生产中65球阀4个都是关了的 油缸也是换的新的
回复
使用道具
举报
韩风超
韩风超
当前离线
积分
1
注册时间
2024-8-31
最后登录
1970-1-1
IP卡
狗仔卡
发表于 2024-8-31 12:07:17
来自手机
|
显示全部楼层
有可能是油缸本体阀块上的溢流阀里边的组合垫处泄压了。我这遇到过溢流阀垫一个组合垫压不住,需要压两个才能压住的情况。
回复
使用道具
举报
下一页 »
1
2
/ 2 页
下一页
返回列表
高级模式
B
Color
Image
Link
Quote
Code
Smilies
您需要登录后才可以回帖
登录
|
立即注册
本版积分规则
发表回复
回帖后跳转到最后一页
浏览过的版块
液压技术
快速回复
返回顶部
返回列表