搜索
汉力达液压金币充值官方微信群液压资料下载
查看: 6414|回复: 7

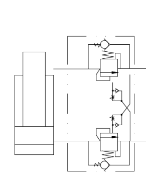
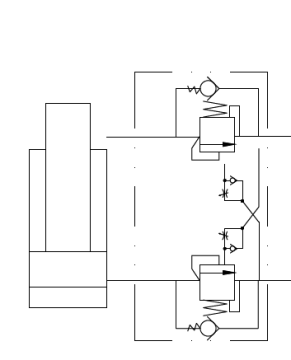
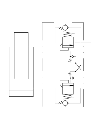
液压文盲请教这个阀组的功能原理

[复制链接]
发表于 2025-7-19 15:41:48 | 显示全部楼层 |阅读模式
液压文盲请教这个阀组的功能原理
8e827f957a1cba76f48a99f491844192.png
回复

使用道具 举报

  • 打卡等级:初来乍到
  • 打卡总天数:54
  • 打卡总奖励:63
发表于 2025-7-20 10:07:56 | 显示全部楼层
这是典型的双向平衡阀
回复

使用道具 举报

  • 打卡等级:无名新人
  • 打卡总天数:2
  • 打卡总奖励:2
发表于 2025-7-24 11:53:35 | 显示全部楼层
保压用的  控制液压缸位置
回复

使用道具 举报

  • 打卡等级:无名新人
  • 打卡总天数:1
  • 打卡总奖励:1
发表于 2025-7-27 09:37:27
双向平衡阀,保压作用

  • 打卡等级:无名新人
  • 打卡总天数:1
  • 打卡总奖励:1
发表于 2025-7-27 09:37:54
双向平衡阀,保压作用

  • 打卡等级:无名新人
  • 打卡总天数:1
  • 打卡总奖励:1
发表于 2025-7-27 09:45:57 | 显示全部楼层
双向平衡阀,保压作用
回复

使用道具 举报

  • 打卡等级:偶尔看看
  • 打卡总天数:70
  • 打卡总奖励:70
发表于 2025-8-1 14:10:19 | 显示全部楼层
这是双向平衡阀,油缸下降的时候可以避免超越负载导致的吸空,让下降更稳定
回复

使用道具 举报

  • 打卡等级:初来乍到
  • 打卡总天数:47
  • 打卡总奖励:59
发表于 2025-8-2 08:10:38 | 显示全部楼层
有没有谁分析一哈哈的
回复

使用道具 举报

  • 打卡等级:偶尔看看
  • 打卡总天数:66
  • 打卡总奖励:158
发表于 2025-8-14 18:12:59
双向平衡阀。
作用是保持液压缸伸出和缩回的动作平稳,避免超速下降或爬行。
平衡阀是滑阀结构,有泄漏,不能可靠实现保压或位置保持。
2组小的单向节流阀是为了降低平衡阀的动作(开关)速度,避免发生换向时的液压冲击。

  • 打卡等级:偶尔看看
  • 打卡总天数:66
  • 打卡总奖励:158
发表于 2025-8-14 19:58:35 | 显示全部楼层
双向平衡阀。
作用是保持液压缸伸出和缩回的动作平稳,避免超速下降或爬行。
平衡阀是滑阀结构,有泄漏,不能可靠实现保压或位置保持。
2组小的单向节流阀是为了降低平衡阀的动作(开关)速度,避免发生换向时的液压冲击。
回复

使用道具 举报

您需要登录后才可以回帖 登录 | 立即注册

本版积分规则