设为首页
收藏本站
所有帖子
关于我们
联系我们
微信群
开启辅助访问
搜索
搜索
本版
用户
门户
Portal
资讯
液压资讯
观点
观点
产品
液压产品
技术
液压技术
合集
导读
Guide
下载
签到
金币
论坛
BBS
登录
立即注册
腾讯QQ
账号
自动登录
找回密码
密码
登录
立即注册
只需一步,快速开始
我的
日志
记录
收藏
勋章
任务
道具
动态
设置
退出
液压圈
»
论坛
›
液压系统
›
液压技术
›
液压文盲请教这个阀组的功能原理
负载敏感资料下载
|
液压培训资料下载
|
液压样本下载
|
AMESim资料下载
|
力士乐资料下载
|
挖掘机资料下载
|
标准资料下载
|
多路阀资料下载
1
2
/ 2 页
下一页
返回列表
查看:
6373
|
回复:
7
液压文盲请教这个阀组的功能原理
[复制链接]
week
week
当前离线
积分
5
注册时间
2025-7-19
最后登录
1970-1-1
IP卡
狗仔卡
发表于 2025-7-19 15:41:48
|
显示全部楼层
|
阅读模式
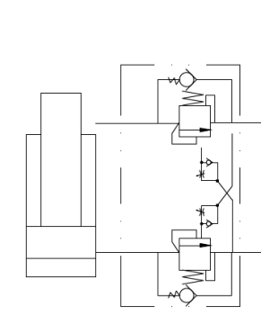
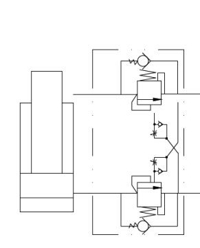
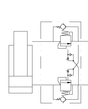
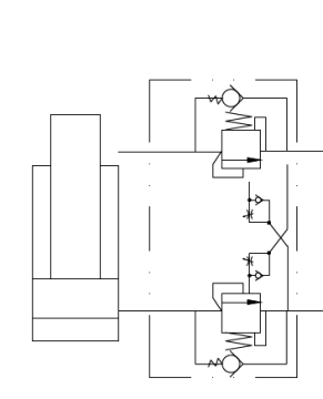
液压文盲请教这个阀组的功能原理
回复
使用道具
举报
提升卡
置顶卡
变色卡
小李子小李子
小李子小李子
当前离线
积分
57
注册时间
2025-7-10
最后登录
1970-1-1
IP卡
狗仔卡
打卡等级:初来乍到
打卡总天数:54
打卡总奖励:63
发表于 2025-7-20 10:07:56
|
显示全部楼层
这是典型的双向平衡阀
回复
使用道具
举报
山西景清
山西景清
当前离线
积分
3
注册时间
2024-1-17
最后登录
1970-1-1
IP卡
狗仔卡
打卡等级:无名新人
打卡总天数:2
打卡总奖励:2
发表于 2025-7-24 11:53:35
|
显示全部楼层
保压用的 控制液压缸位置
回复
使用道具
举报
huhu、
huhu、
当前离线
积分
3
注册时间
2025-7-27
最后登录
1970-1-1
IP卡
狗仔卡
打卡等级:无名新人
打卡总天数:1
打卡总奖励:1
发表于 2025-7-27 09:37:27
双向平衡阀,保压作用
huhu、
huhu、
当前离线
积分
3
注册时间
2025-7-27
最后登录
1970-1-1
IP卡
狗仔卡
打卡等级:无名新人
打卡总天数:1
打卡总奖励:1
发表于 2025-7-27 09:37:54
双向平衡阀,保压作用
huhu、
huhu、
当前离线
积分
3
注册时间
2025-7-27
最后登录
1970-1-1
IP卡
狗仔卡
打卡等级:无名新人
打卡总天数:1
打卡总奖励:1
发表于 2025-7-27 09:45:57
|
显示全部楼层
双向平衡阀,保压作用
回复
使用道具
举报
zjut
zjut
当前离线
积分
78
注册时间
2022-11-18
最后登录
1970-1-1
IP卡
狗仔卡
打卡等级:初来乍到
打卡总天数:56
打卡总奖励:56
发表于 2025-8-1 14:10:19
|
显示全部楼层
这是双向平衡阀,油缸下降的时候可以避免超越负载导致的吸空,让下降更稳定
回复
使用道具
举报
locuas
locuas
当前离线
积分
59
注册时间
2013-6-28
最后登录
1970-1-1
IP卡
狗仔卡
打卡等级:初来乍到
打卡总天数:30
打卡总奖励:36
发表于 2025-8-2 08:10:38
|
显示全部楼层
有没有谁分析一哈哈的
回复
使用道具
举报
zzfjct
zzfjct
当前离线
积分
1353
注册时间
2013-7-28
最后登录
1970-1-1
IP卡
狗仔卡
打卡等级:偶尔看看
打卡总天数:66
打卡总奖励:158
发表于 2025-8-14 18:12:59
双向平衡阀。
作用是保持液压缸伸出和缩回的动作平稳,避免超速下降或爬行。
平衡阀是滑阀结构,有泄漏,不能可靠实现保压或位置保持。
2组小的单向节流阀是为了降低平衡阀的动作(开关)速度,避免发生换向时的液压冲击。
zzfjct
zzfjct
当前离线
积分
1353
注册时间
2013-7-28
最后登录
1970-1-1
IP卡
狗仔卡
打卡等级:偶尔看看
打卡总天数:66
打卡总奖励:158
发表于 2025-8-14 19:58:35
|
显示全部楼层
双向平衡阀。
作用是保持液压缸伸出和缩回的动作平稳,避免超速下降或爬行。
平衡阀是滑阀结构,有泄漏,不能可靠实现保压或位置保持。
2组小的单向节流阀是为了降低平衡阀的动作(开关)速度,避免发生换向时的液压冲击。
回复
使用道具
举报
下一页 »
1
2
/ 2 页
下一页
返回列表
高级模式
B
Color
Image
Link
Quote
Code
Smilies
您需要登录后才可以回帖
登录
|
立即注册
本版积分规则
发表回复
回帖后跳转到最后一页
浏览过的版块
公告区
液压多路阀
液压油缸
快速回复
返回顶部
返回列表