搜索
汉力达液压金币充值官方微信群液压资料下载
楼主: 西门巴约纳

请教力士乐液压泵A10VSO250DR恒压变量调节

  [复制链接]
  • 打卡等级:初来乍到
  • 打卡总天数:53
  • 打卡总奖励:171
发表于 2013-4-29 12:02:52 | 显示全部楼层
液压技术的发展历史
回复

使用道具 举报

发表于 2013-5-9 09:54:47 | 显示全部楼层
这个就是A4VSO250DR阀30系列的。22系列的没有内六角调节螺丝

外六角是调节恒压变量的压力,一般情况阀上还接一个远程控制阀溢流阀

内六角是调节恒压响应速度的。
2012321050451656.jpg
回复

使用道具 举报

发表于 2013-5-9 13:01:34 | 显示全部楼层
调节卸荷压力,当达到设定压力后,泵的排量切换至最小排量.
回复

使用道具 举报

  • 打卡等级:论坛老炮
  • 打卡总天数:1146
  • 打卡总奖励:1769
发表于 2013-5-9 20:07:41 | 显示全部楼层
D''调 发表于 2013-5-9 09:54
这个就是A4VSO250DR阀30系列的。22系列的没有内六角调节螺丝

外六角是调节恒压变量的压力,一般情况阀上 ...

请问老师:它是怎样调节相应速度的?能详细介绍么?多谢。
回复

使用道具 举报

发表于 2013-5-10 19:37:04 | 显示全部楼层
看看力士乐样本,应该有的
回复

使用道具 举报

发表于 2013-5-19 09:34:47 | 显示全部楼层
本帖最后由 whutliao 于 2013-5-19 09:39 编辑

发个图,我也想知道,变量原理,怎么调节?原理图上有4个带箭头,表示4个可调节,比例阀调节什么?变量活塞调节什么?
QQ图片20130519093518.jpg
回复

使用道具 举报

发表于 2013-5-19 09:45:40 | 显示全部楼层
我都是调节箭头Y所示的阀,请老师对照原理图和实物图讲讲变量原理
QQ图片20130519094415.jpg
回复

使用道具 举报

发表于 2013-5-29 14:51:32 | 显示全部楼层
本帖最后由 彩~~~ 于 2013-5-29 15:00 编辑

看到一个仿力士乐的泵的说明书说:压力控制用于在控制范围内使液压系统的压力维持恒压。泵提供的只是系统所需的流量,其压力可由控制阀无极调节。想了很久,不明白这个压力是怎么调节的?

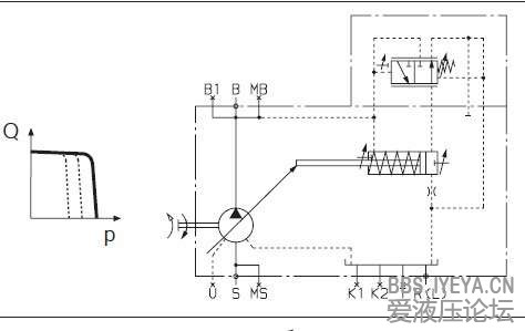
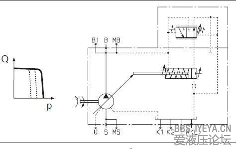
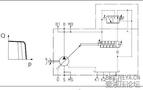
静态工作曲线

静态工作曲线

A10VSO...DR

A10VSO...DR
回复

使用道具 举报

  • 打卡等级:无名新人
  • 打卡总天数:5
  • 打卡总奖励:32
发表于 2013-7-22 10:49:00 | 显示全部楼层
A4V250DR泵上只有一个恒压阀
回复

使用道具 举报

  • 打卡等级:无名新人
  • 打卡总天数:16
  • 打卡总奖励:106
发表于 2013-12-30 20:40:30 | 显示全部楼层
西门巴约纳 发表于 2012-8-13 20:50
你好 负载敏感应该是流量阀了吧? 它一般和泵头上的节流也就是阻尼口配合使用吧?

该阀是与泵出口的节流阀配合使用的
回复

使用道具 举报

您需要登录后才可以回帖 登录 | 立即注册

本版积分规则