只需一步,快速开始
使用道具 举报
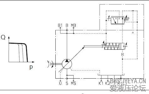
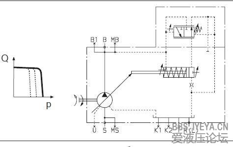
D''调 发表于 2013-5-9 09:54 这个就是A4VSO250DR阀30系列的。22系列的没有内六角调节螺丝 外六角是调节恒压变量的压力,一般情况阀上 ...
静态工作曲线
A10VSO...DR
西门巴约纳 发表于 2012-8-13 20:50 你好 负载敏感应该是流量阀了吧? 它一般和泵头上的节流也就是阻尼口配合使用吧?
本版积分规则 发表回复 回帖后跳转到最后一页